LEMON Manuals: Even more car manuals for everyone: 1960-2025
Home >> Lexus >> 2013 >> GS 450h >> Repair and Diagnosis (Single Page) >> Electrical >> Body Electrical >> OEM System Circuits >> Engine Control >> Notes
April 5, 2026: LEMON Manuals is launched! Read the announcement.

Engine Control: Notes

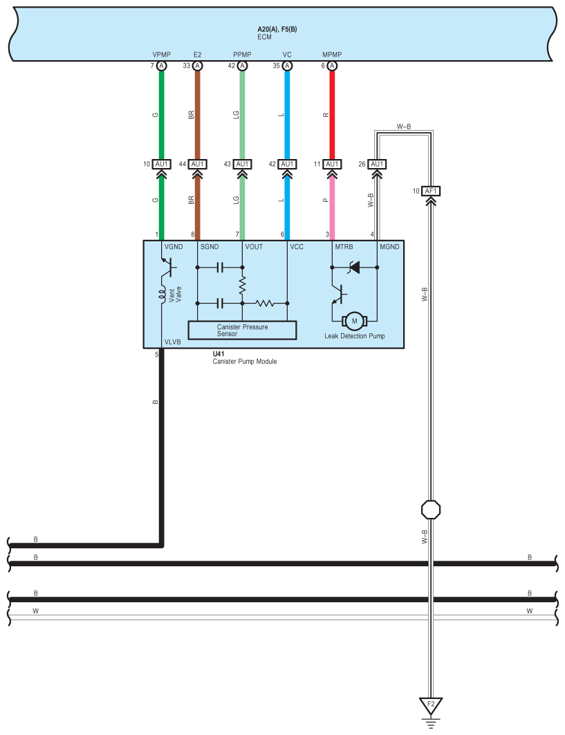
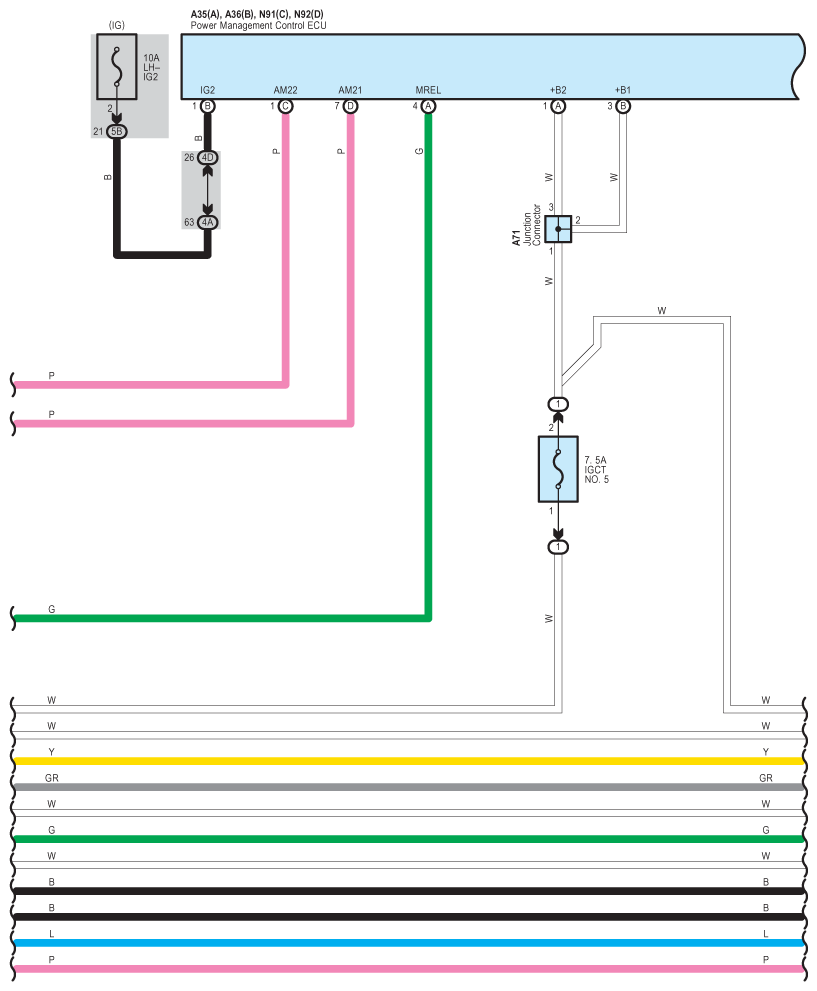
Fig 1: Engine Control Wiring Diagram (1 Of 32)
G09117709Courtesy of © TOYOTA, LICENSE AGREEMENT TMS1002
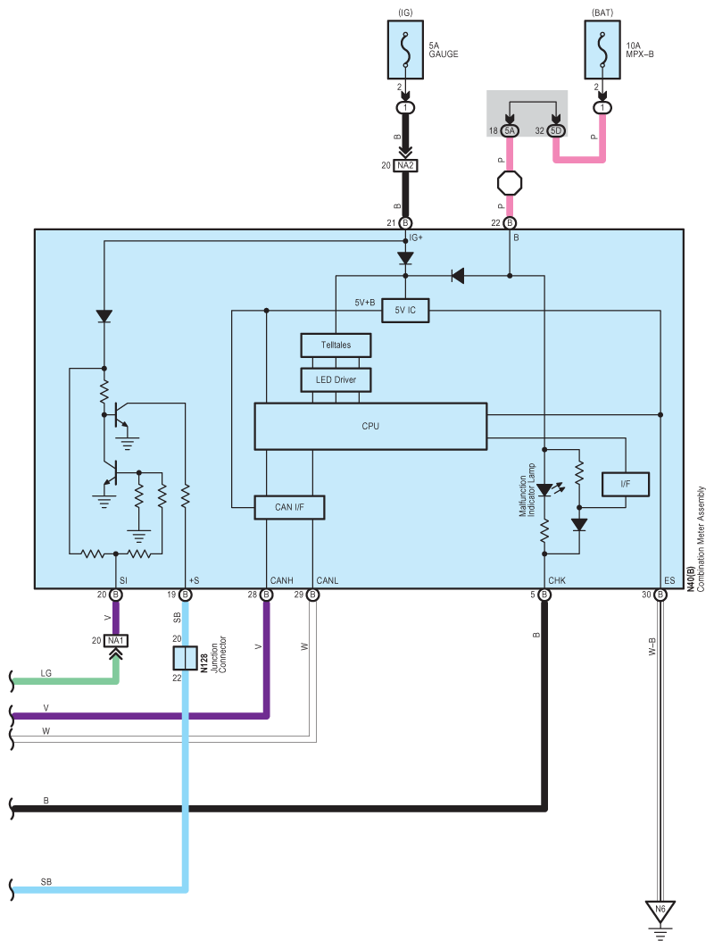
Fig 2: Engine Control Wiring Diagram (2 Of 32)
G09117710Courtesy of © TOYOTA, LICENSE AGREEMENT TMS1002
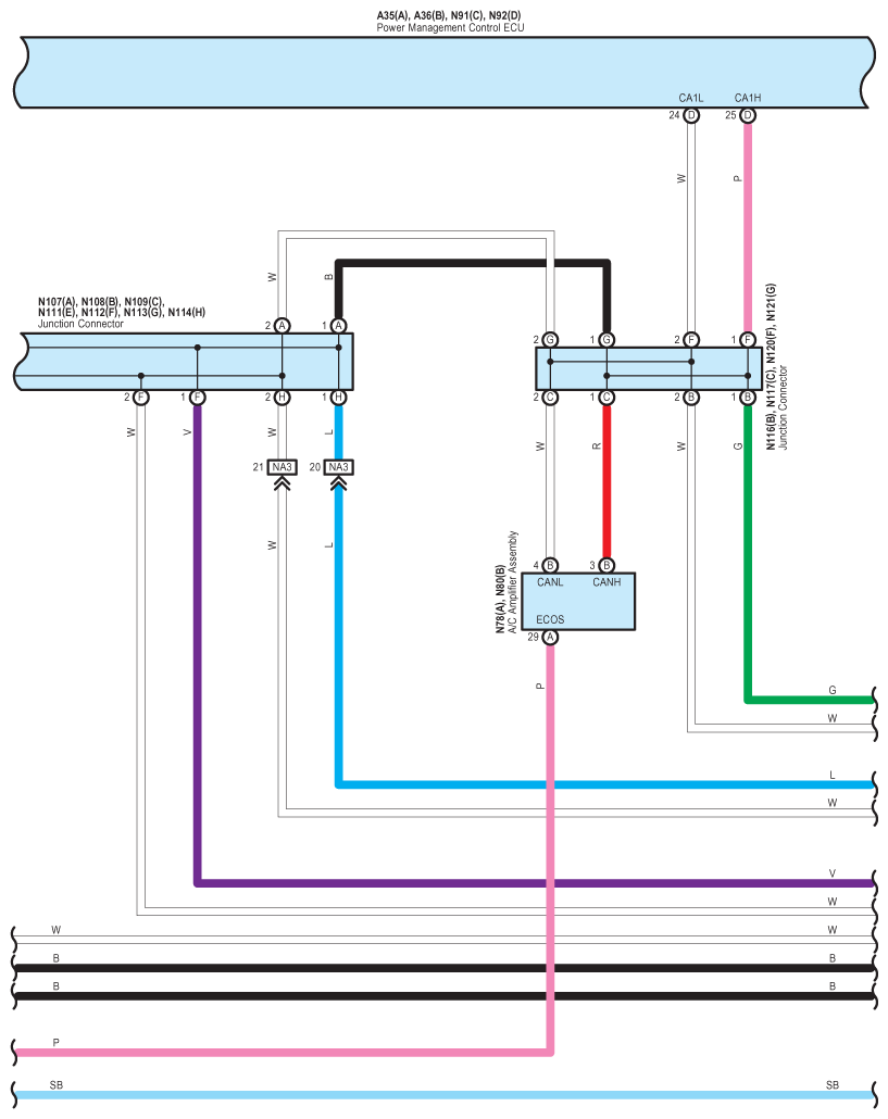
Fig 3: Engine Control Wiring Diagram (3 Of 32)
G09117711Courtesy of © TOYOTA, LICENSE AGREEMENT TMS1002
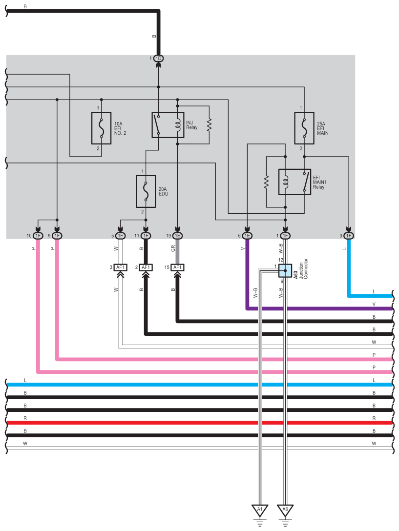
Fig 4: Engine Control Wiring Diagram (4 Of 32)
G09117712Courtesy of © TOYOTA, LICENSE AGREEMENT TMS1002
Fig 5: Engine Control Wiring Diagram (5 Of 32)
G09117713Courtesy of © TOYOTA, LICENSE AGREEMENT TMS1002
Fig 6: Engine Control Wiring Diagram (6 Of 32)
G09117714Courtesy of © TOYOTA, LICENSE AGREEMENT TMS1002
Fig 7: Engine Control Wiring Diagram (7 Of 32)
G09117715Courtesy of © TOYOTA, LICENSE AGREEMENT TMS1002
Fig 8: Engine Control Wiring Diagram (8 Of 32)
G09117716Courtesy of © TOYOTA, LICENSE AGREEMENT TMS1002
Fig 9: Engine Control Wiring Diagram (9 Of 32)
G09117717Courtesy of © TOYOTA, LICENSE AGREEMENT TMS1002
Fig 10: Engine Control Wiring Diagram (10 Of 32)
G09117718Courtesy of © TOYOTA, LICENSE AGREEMENT TMS1002
Fig 11: Engine Control Wiring Diagram (11 Of 32)
G09117719Courtesy of © TOYOTA, LICENSE AGREEMENT TMS1002
Fig 12: Engine Control Wiring Diagram (12 Of 32)
G09117720Courtesy of © TOYOTA, LICENSE AGREEMENT TMS1002
Fig 13: Engine Control Wiring Diagram (13 Of 32)
G09117721Courtesy of © TOYOTA, LICENSE AGREEMENT TMS1002
Fig 14: Engine Control Wiring Diagram (14 Of 32)
G09117722Courtesy of © TOYOTA, LICENSE AGREEMENT TMS1002
Fig 15: Engine Control Wiring Diagram (15 Of 32)
G09117723Courtesy of © TOYOTA, LICENSE AGREEMENT TMS1002
Fig 16: Engine Control Wiring Diagram (16 Of 32)
G09117724Courtesy of © TOYOTA, LICENSE AGREEMENT TMS1002
Fig 17: Engine Control Wiring Diagram (17 Of 32)
G09117725Courtesy of © TOYOTA, LICENSE AGREEMENT TMS1002
Fig 18: Engine Control Wiring Diagram (18 Of 32)
G09117726Courtesy of © TOYOTA, LICENSE AGREEMENT TMS1002
Fig 19: Engine Control Wiring Diagram (19 Of 32)
G09117727Courtesy of © TOYOTA, LICENSE AGREEMENT TMS1002
Fig 20: Engine Control Wiring Diagram (20 Of 32)
G09117728Courtesy of © TOYOTA, LICENSE AGREEMENT TMS1002
Fig 21: Engine Control Wiring Diagram (21 Of 32)
G09117729Courtesy of © TOYOTA, LICENSE AGREEMENT TMS1002
Fig 22: Engine Control Wiring Diagram (22 Of 32)
G09117730Courtesy of © TOYOTA, LICENSE AGREEMENT TMS1002
Fig 23: Engine Control Wiring Diagram (23 Of 32)
G09117731Courtesy of © TOYOTA, LICENSE AGREEMENT TMS1002
Fig 24: Engine Control Wiring Diagram (24 Of 32)
G09117732Courtesy of © TOYOTA, LICENSE AGREEMENT TMS1002
Fig 25: Engine Control Wiring Diagram (25 Of 32)
G09117733Courtesy of © TOYOTA, LICENSE AGREEMENT TMS1002
Fig 26: Engine Control Wiring Diagram (26 Of 32)
G09117734Courtesy of © TOYOTA, LICENSE AGREEMENT TMS1002
Fig 27: Engine Control Wiring Diagram (27 Of 32)
G09117735Courtesy of © TOYOTA, LICENSE AGREEMENT TMS1002
Fig 28: Engine Control Wiring Diagram (28 Of 32)
G09117736Courtesy of © TOYOTA, LICENSE AGREEMENT TMS1002
Fig 29: Engine Control Wiring Diagram (29 Of 32)
G09117737Courtesy of © TOYOTA, LICENSE AGREEMENT TMS1002
Fig 30: Engine Control Wiring Diagram (30 Of 32)
G09117738Courtesy of © TOYOTA, LICENSE AGREEMENT TMS1002
Fig 31: Engine Control Wiring Diagram (31 Of 32)
G09117739Courtesy of © TOYOTA, LICENSE AGREEMENT TMS1002
Fig 32: Engine Control Wiring Diagram (32 Of 32)
G09117740Courtesy of © TOYOTA, LICENSE AGREEMENT TMS1002