LEMON Manuals: Even more car manuals for everyone: 1960-2025
Home >> Lexus >> 2013 >> GS 450h >> Repair and Diagnosis (Single Page) >> Electrical >> Body Electrical >> OEM System Circuits >> Power Source >> Notes
April 5, 2026: LEMON Manuals is launched! Read the announcement.

Power Source: Notes

Fig 1: Power Source Wiring Diagram (1 Of 10)
G09117645Courtesy of © TOYOTA, LICENSE AGREEMENT TMS1002
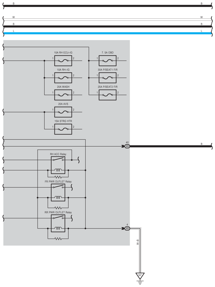
Fig 2: Power Source Wiring Diagram (2 Of 10)
G09117646Courtesy of © TOYOTA, LICENSE AGREEMENT TMS1002
Fig 3: Power Source Wiring Diagram (3 Of 10)
G09117647Courtesy of © TOYOTA, LICENSE AGREEMENT TMS1002
Fig 4: Power Source Wiring Diagram (4 Of 10)
G09117648Courtesy of © TOYOTA, LICENSE AGREEMENT TMS1002
Fig 5: Power Source Wiring Diagram (5 Of 10)
G09117649Courtesy of © TOYOTA, LICENSE AGREEMENT TMS1002
Fig 6: Power Source Wiring Diagram (6 Of 10)
G09117650Courtesy of © TOYOTA, LICENSE AGREEMENT TMS1002
Fig 7: Power Source Wiring Diagram (7 Of 10)
G09117651Courtesy of © TOYOTA, LICENSE AGREEMENT TMS1002
Fig 8: Power Source Wiring Diagram (8 Of 10)
G09117652Courtesy of © TOYOTA, LICENSE AGREEMENT TMS1002
Fig 9: Power Source Wiring Diagram (9 Of 10)
G09117653Courtesy of © TOYOTA, LICENSE AGREEMENT TMS1002
Fig 10: Power Source Wiring Diagram (10 Of 10)
G09117654Courtesy of © TOYOTA, LICENSE AGREEMENT TMS1002