LEMON Manuals: Even more car manuals for everyone: 1960-2025
Home >> Lexus >> 2013 >> GS 450h >> Repair and Diagnosis >> Electrical >> Body Electrical >> OEM System Circuits >> Adaptive Variable Suspension >> Notes
April 5, 2026: LEMON Manuals is launched! Read the announcement.

Adaptive Variable Suspension: Notes

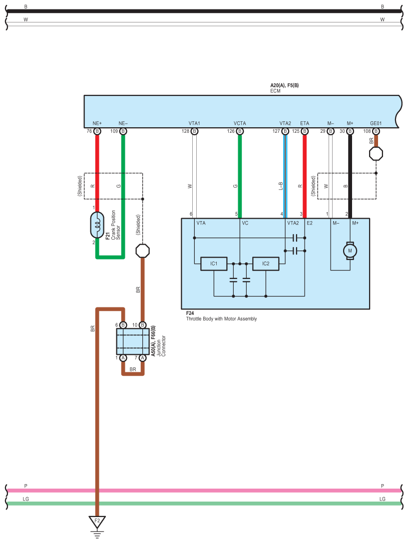
Fig 1: Adaptive Variable Suspension Wiring Diagram (1 Of 7)
G09117968Courtesy of © TOYOTA, LICENSE AGREEMENT TMS1002
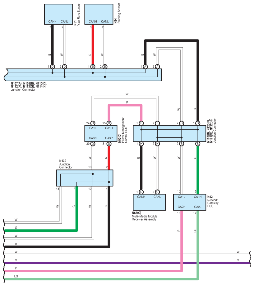
Fig 2: Adaptive Variable Suspension Wiring Diagram (2 Of 7)
G09117969Courtesy of © TOYOTA, LICENSE AGREEMENT TMS1002
Fig 3: Adaptive Variable Suspension Wiring Diagram (3 Of 7)
G09117970Courtesy of © TOYOTA, LICENSE AGREEMENT TMS1002
Fig 4: Adaptive Variable Suspension Wiring Diagram (4 Of 7)
G09117971Courtesy of © TOYOTA, LICENSE AGREEMENT TMS1002
Fig 5: Adaptive Variable Suspension Wiring Diagram (5 Of 7)
G09117972Courtesy of © TOYOTA, LICENSE AGREEMENT TMS1002
Fig 6: Adaptive Variable Suspension Wiring Diagram (6 Of 7)
G09117973Courtesy of © TOYOTA, LICENSE AGREEMENT TMS1002
Fig 7: Adaptive Variable Suspension Wiring Diagram (7 Of 7)
G09117974Courtesy of © TOYOTA, LICENSE AGREEMENT TMS1002