LEMON Manuals: Even more car manuals for everyone: 1960-2025
Home >> Lexus >> 2013 >> GX 460 Base >> Repair and Diagnosis >> Electrical >> Body Electrical >> OEM System Circuits >> Audio System (w/o LEXUS Navigation System) >> Notes
April 5, 2026: LEMON Manuals is launched! Read the announcement.

Audio System (w/o LEXUS Navigation System): Notes

Fig 1: Audio System (W/O Lexus Navigation System) - Wiring Diagram (1 Of 13)
G09114832Courtesy of © TOYOTA, LICENSE AGREEMENT TMS1002
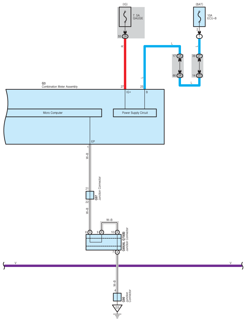
Fig 2: Audio System (W/O Lexus Navigation System) - Wiring Diagram (2 Of 13)
G09114833Courtesy of © TOYOTA, LICENSE AGREEMENT TMS1002
Fig 3: Audio System (W/O Lexus Navigation System) - Wiring Diagram (3 Of 13)
G09114834Courtesy of © TOYOTA, LICENSE AGREEMENT TMS1002
Fig 4: Audio System (W/O Lexus Navigation System) - Wiring Diagram (4 Of 13)
G09114835Courtesy of © TOYOTA, LICENSE AGREEMENT TMS1002
Fig 5: Audio System (W/O Lexus Navigation System) - Wiring Diagram (5 Of 13)
G09114836Courtesy of © TOYOTA, LICENSE AGREEMENT TMS1002
Fig 6: Audio System (W/O Lexus Navigation System) - Wiring Diagram (6 Of 13)
G09114837Courtesy of © TOYOTA, LICENSE AGREEMENT TMS1002
Fig 7: Audio System (W/O Lexus Navigation System) - Wiring Diagram (7 Of 13)
G09114838Courtesy of © TOYOTA, LICENSE AGREEMENT TMS1002
Fig 8: Audio System (W/O Lexus Navigation System) - Wiring Diagram (8 Of 13)
G09114839Courtesy of © TOYOTA, LICENSE AGREEMENT TMS1002
Fig 9: Audio System (W/O Lexus Navigation System) - Wiring Diagram (9 Of 13)
G09114840Courtesy of © TOYOTA, LICENSE AGREEMENT TMS1002
Fig 10: Audio System (W/O Lexus Navigation System) - Wiring Diagram (10 Of 13)
G09114841Courtesy of © TOYOTA, LICENSE AGREEMENT TMS1002
Fig 11: Audio System (W/O Lexus Navigation System) - Wiring Diagram (11 Of 13)
G09114842Courtesy of © TOYOTA, LICENSE AGREEMENT TMS1002
Fig 12: Audio System (W/O Lexus Navigation System) - Wiring Diagram (12 Of 13)
G09114843Courtesy of © TOYOTA, LICENSE AGREEMENT TMS1002
Fig 13: Audio System (W/O Lexus Navigation System) - Wiring Diagram (13 Of 13)
G09114844Courtesy of © TOYOTA, LICENSE AGREEMENT TMS1002