LEMON Manuals: Even more car manuals for everyone: 1960-2025
Home >> Lexus >> 2013 >> GX 460 Base >> Repair and Diagnosis >> Electrical >> Body Electrical >> OEM System Circuits >> Front Wiper Deicer >> Notes
April 5, 2026: LEMON Manuals is launched! Read the announcement.

Front Wiper Deicer: Notes

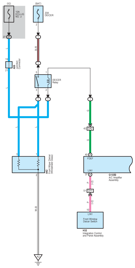
Fig 1: Front Wiper Deicer - Wiring Diagram (1 Of 2)
G09114731Courtesy of © TOYOTA, LICENSE AGREEMENT TMS1002
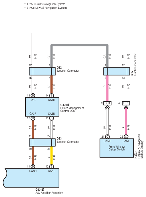
Fig 2: Front Wiper Deicer - Wiring Diagram (2 Of 2)
G09114732Courtesy of © TOYOTA, LICENSE AGREEMENT TMS1002