LEMON Manuals: Even more car manuals for everyone: 1960-2025
Home >> Lexus >> 2013 >> GX 460 Base >> Repair and Diagnosis >> Electrical >> Body Electrical >> OEM System Circuits >> LEXUS ENFORM or Safety Connect >> Notes
April 5, 2026: LEMON Manuals is launched! Read the announcement.

LEXUS ENFORM or Safety Connect: Notes

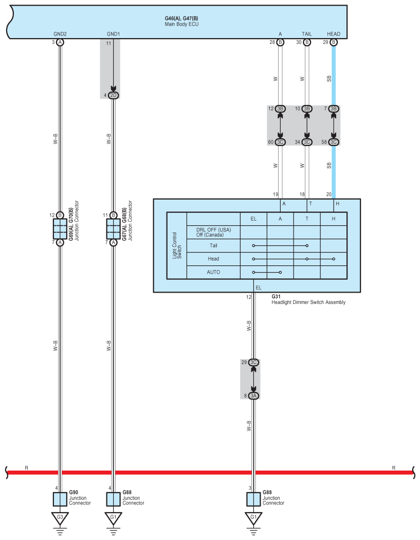
Fig 1: Lexus Enform Or Safety Connect - Wiring Diagram (1 Of 6)
G09114755Courtesy of © TOYOTA, LICENSE AGREEMENT TMS1002
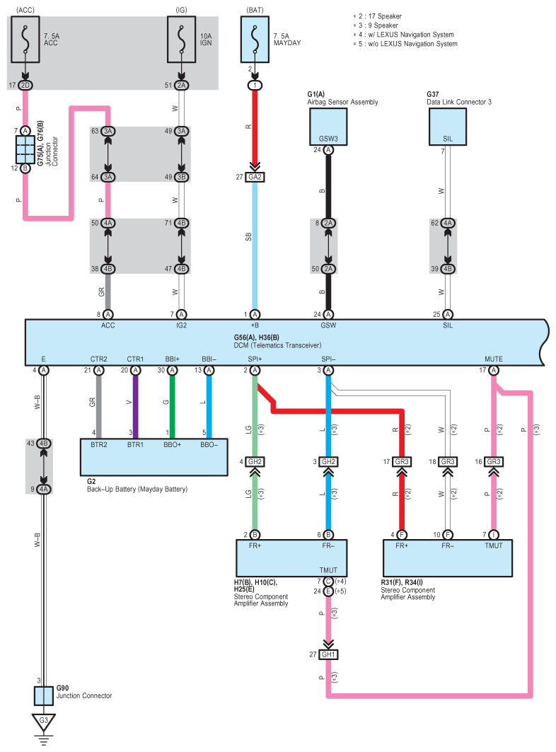
Fig 2: Lexus Enform Or Safety Connect - Wiring Diagram (2 Of 6)
G09114756Courtesy of © TOYOTA, LICENSE AGREEMENT TMS1002
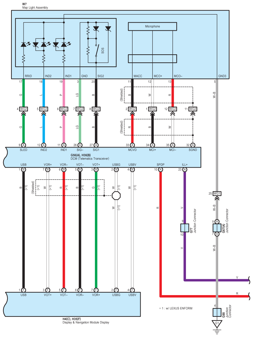
Fig 3: Lexus Enform Or Safety Connect - Wiring Diagram (3 Of 6)
G09114757Courtesy of © TOYOTA, LICENSE AGREEMENT TMS1002
Fig 4: Lexus Enform Or Safety Connect - Wiring Diagram (4 Of 6)
G09114758Courtesy of © TOYOTA, LICENSE AGREEMENT TMS1002
Fig 5: Lexus Enform Or Safety Connect - Wiring Diagram (5 Of 6)
G09114759Courtesy of © TOYOTA, LICENSE AGREEMENT TMS1002
Fig 6: Lexus Enform Or Safety Connect - Wiring Diagram (6 Of 6)
G09114760Courtesy of © TOYOTA, LICENSE AGREEMENT TMS1002