LEMON Manuals: Even more car manuals for everyone: 1960-2025
Home >> Lexus >> 2013 >> IS 250 Base, AWD >> Repair and Diagnosis (Single Page) >> Electrical >> Body Electrical >> OEM System Circuits >> Charging >> Notes
April 5, 2026: LEMON Manuals is launched! Read the announcement.

OEM System Circuits: Charging: Notes

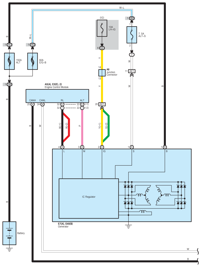
Fig 1: Charging System Wiring Diagram (1 Of 2)
G09118968Courtesy of © TOYOTA, LICENSE AGREEMENT TMS1002
Fig 2: Charging System Wiring Diagram (2 Of 2)
G09118969Courtesy of © TOYOTA, LICENSE AGREEMENT TMS1002