LEMON Manuals: Even more car manuals for everyone: 1960-2025
Home >> Lexus >> 2013 >> IS 250 Base, RWD >> Repair and Diagnosis >> Electrical >> Body Electrical >> OEM System Circuits >> SRS >> Notes
April 5, 2026: LEMON Manuals is launched! Read the announcement.

OEM System Circuits: SRS: Notes

NOTE: When inspecting or repairing the SRS, perform service in accordance with the following precautionary instructions and the procedures.
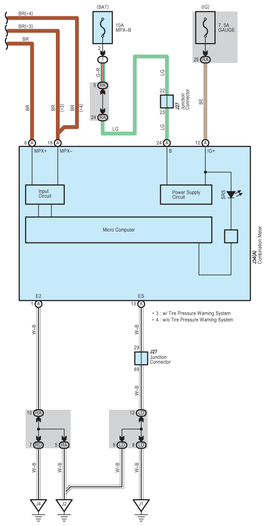
Fig 2: SRS System Wiring Diagram (1 Of 8)
G09119160Courtesy of © TOYOTA, LICENSE AGREEMENT TMS1002
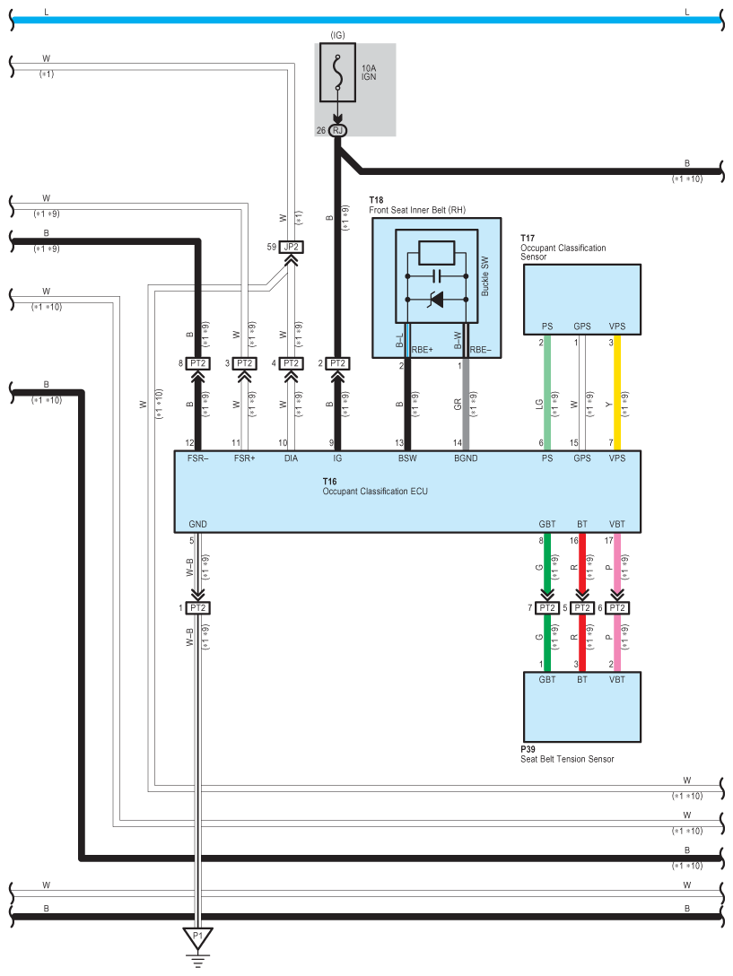
Fig 3: SRS System Wiring Diagram (2 Of 8)
G09119161Courtesy of © TOYOTA, LICENSE AGREEMENT TMS1002
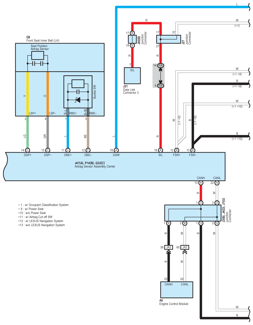
Fig 4: SRS System Wiring Diagram (3 Of 8)
G09119162Courtesy of © TOYOTA, LICENSE AGREEMENT TMS1002
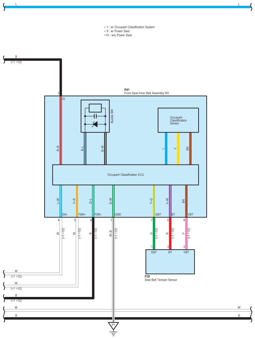
Fig 5: SRS System Wiring Diagram (4 Of 8)
G09119163Courtesy of © TOYOTA, LICENSE AGREEMENT TMS1002
Fig 6: SRS System Wiring Diagram (5 Of 8)
G09119164Courtesy of © TOYOTA, LICENSE AGREEMENT TMS1002
Fig 7: SRS System Wiring Diagram (6 Of 8)
G09119165Courtesy of © TOYOTA, LICENSE AGREEMENT TMS1002
Fig 8: SRS System Wiring Diagram (7 Of 8)
G09119166Courtesy of © TOYOTA, LICENSE AGREEMENT TMS1002
Fig 9: SRS System Wiring Diagram (8 Of 8)
G09119167Courtesy of © TOYOTA, LICENSE AGREEMENT TMS1002