LEMON Manuals: Even more car manuals for everyone: 1960-2025
Home >> Lexus >> 2013 >> IS 250C Base >> Repair and Diagnosis (Single Page) >> Electrical >> Body Electrical >> OEM System Circuits >> Headlight Beam Level Control >> Notes
April 5, 2026: LEMON Manuals is launched! Read the announcement.

Headlight Beam Level Control: Notes

Fig 1: Headlight Beam Level Control Wiring Diagram (1 Of 8)
G09121220Courtesy of © TOYOTA, LICENSE AGREEMENT TMS1002
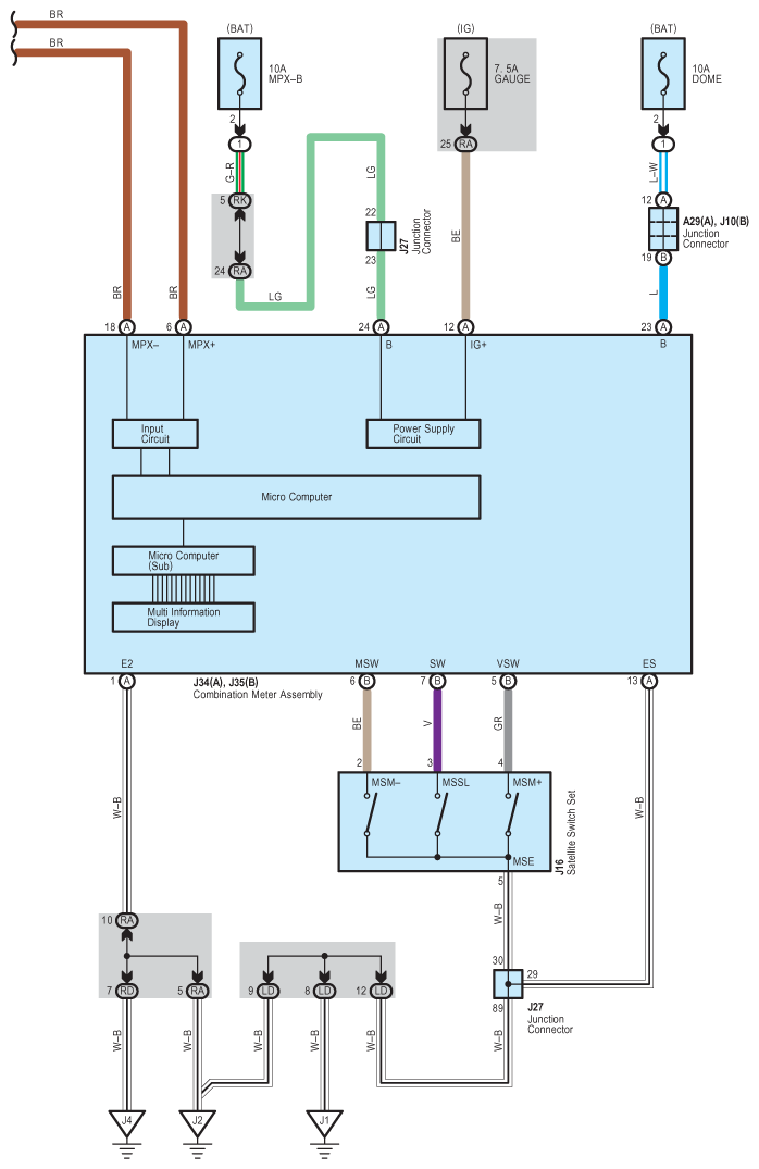
Fig 2: Headlight Beam Level Control Wiring Diagram (2 Of 8)
G09121221Courtesy of © TOYOTA, LICENSE AGREEMENT TMS1002
Fig 3: Headlight Beam Level Control Wiring Diagram (3 Of 8)
G09121222Courtesy of © TOYOTA, LICENSE AGREEMENT TMS1002
Fig 4: Headlight Beam Level Control Wiring Diagram (4 Of 8)
G09121223Courtesy of © TOYOTA, LICENSE AGREEMENT TMS1002
Fig 5: Headlight Beam Level Control Wiring Diagram (5 Of 8)
G09121224Courtesy of © TOYOTA, LICENSE AGREEMENT TMS1002
Fig 6: Headlight Beam Level Control Wiring Diagram (6 Of 8)
G09121225Courtesy of © TOYOTA, LICENSE AGREEMENT TMS1002
Fig 7: Headlight Beam Level Control Wiring Diagram (7 Of 8)
G09121226Courtesy of © TOYOTA, LICENSE AGREEMENT TMS1002
Fig 8: Headlight Beam Level Control Wiring Diagram (8 Of 8)
G09121227Courtesy of © TOYOTA, LICENSE AGREEMENT TMS1002