LEMON Manuals: Even more car manuals for everyone: 1960-2025
Home >> Lexus >> 2013 >> IS 250C Base >> Repair and Diagnosis >> Electrical >> Body Electrical >> OEM System Circuits >> Audio System (w/LEXUS Navigation System), LEXUS Navigation System and Parking Assist (Back Guide Monitor/Rear View Monitor) >> Notes
April 5, 2026: LEMON Manuals is launched! Read the announcement.

Audio System (w/LEXUS Navigation System), LEXUS Navigation System and Parking Assist (Back Guide Monitor/Rear View Monitor): Notes

Fig 1: Audio (W/ LEXUS Navigation System), LEXUS Navigation System And Parking Assist (Back Guide Monitor/Rear View Monitor) System Wiring Diagram (1 Of 15)
G09121435Courtesy of © TOYOTA, LICENSE AGREEMENT TMS1002
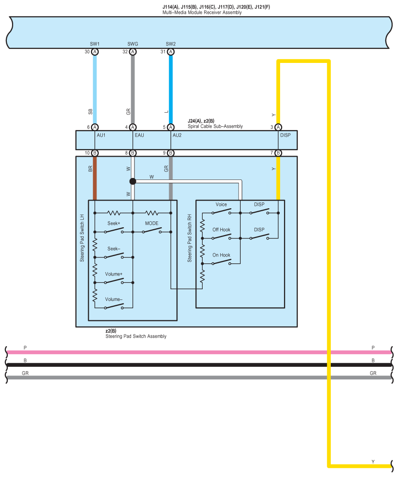
Fig 2: Audio (W/ LEXUS Navigation System), LEXUS Navigation System And Parking Assist (Back Guide Monitor/Rear View Monitor) System Wiring Diagram (2 Of 15)
G09121436Courtesy of © TOYOTA, LICENSE AGREEMENT TMS1002
Fig 3: Audio (W/ LEXUS Navigation System), LEXUS Navigation System And Parking Assist (Back Guide Monitor/Rear View Monitor) System Wiring Diagram (3 Of 15)
G09121437Courtesy of © TOYOTA, LICENSE AGREEMENT TMS1002
Fig 4: Audio (W/ LEXUS Navigation System), LEXUS Navigation System And Parking Assist (Back Guide Monitor/Rear View Monitor) System Wiring Diagram (4 Of 15)
G09121438Courtesy of © TOYOTA, LICENSE AGREEMENT TMS1002
Fig 5: Audio (W/ LEXUS Navigation System), LEXUS Navigation System And Parking Assist (Back Guide Monitor/Rear View Monitor) System Wiring Diagram (5 Of 15)
G09121439Courtesy of © TOYOTA, LICENSE AGREEMENT TMS1002
Fig 6: Audio (W/ LEXUS Navigation System), LEXUS Navigation System And Parking Assist (Back Guide Monitor/Rear View Monitor) System Wiring Diagram (6 Of 15)
G09121440Courtesy of © TOYOTA, LICENSE AGREEMENT TMS1002
Fig 7: Audio (W/ LEXUS Navigation System), LEXUS Navigation System And Parking Assist (Back Guide Monitor/Rear View Monitor) System Wiring Diagram (7 Of 15)
G09121441Courtesy of © TOYOTA, LICENSE AGREEMENT TMS1002
Fig 8: Audio (W/ LEXUS Navigation System), LEXUS Navigation System And Parking Assist (Back Guide Monitor/Rear View Monitor) System Wiring Diagram (8 Of 15)
G09121442Courtesy of © TOYOTA, LICENSE AGREEMENT TMS1002
Fig 9: Audio (W/ LEXUS Navigation System), LEXUS Navigation System And Parking Assist (Back Guide Monitor/Rear View Monitor) System Wiring Diagram (9 Of 15)
G09121443Courtesy of © TOYOTA, LICENSE AGREEMENT TMS1002
Fig 10: Audio (W/ LEXUS Navigation System), LEXUS Navigation System And Parking Assist (Back Guide Monitor/Rear View Monitor) System Wiring Diagram (10 Of 15)
G09121444Courtesy of © TOYOTA, LICENSE AGREEMENT TMS1002
Fig 11: Audio (W/ LEXUS Navigation System), LEXUS Navigation System And Parking Assist (Back Guide Monitor/Rear View Monitor) System Wiring Diagram (11 Of 15)
G09121445Courtesy of © TOYOTA, LICENSE AGREEMENT TMS1002
Fig 12: Audio (W/ LEXUS Navigation System), LEXUS Navigation System And Parking Assist (Back Guide Monitor/Rear View Monitor) System Wiring Diagram (12 Of 15)
G09121446Courtesy of © TOYOTA, LICENSE AGREEMENT TMS1002
Fig 13: Audio (W/ LEXUS Navigation System), LEXUS Navigation System And Parking Assist (Back Guide Monitor/Rear View Monitor) System Wiring Diagram (13 Of 15)
G09121447Courtesy of © TOYOTA, LICENSE AGREEMENT TMS1002
Fig 14: Audio (W/ LEXUS Navigation System), LEXUS Navigation System And Parking Assist (Back Guide Monitor/Rear View Monitor) System Wiring Diagram (14 Of 15)
G09121448Courtesy of © TOYOTA, LICENSE AGREEMENT TMS1002
Fig 15: Audio (W/ LEXUS Navigation System), LEXUS Navigation System And Parking Assist (Back Guide Monitor/Rear View Monitor) System Wiring Diagram (15 Of 15)
G09121449Courtesy of © TOYOTA, LICENSE AGREEMENT TMS1002