LEMON Manuals: Even more car manuals for everyone: 1960-2025
Home >> Lexus >> 2013 >> IS 250C Base >> Repair and Diagnosis >> Electrical >> Body Electrical >> OEM System Circuits >> Dynamic Radar Cruise Control (2GR-FSE) >> Notes
April 5, 2026: LEMON Manuals is launched! Read the announcement.

Dynamic Radar Cruise Control (2GR-FSE): Notes

Fig 1: Dynamic Radar Cruise Control (2GR-FSE) Wiring Diagram (1 Of 14)
G09121280Courtesy of © TOYOTA, LICENSE AGREEMENT TMS1002
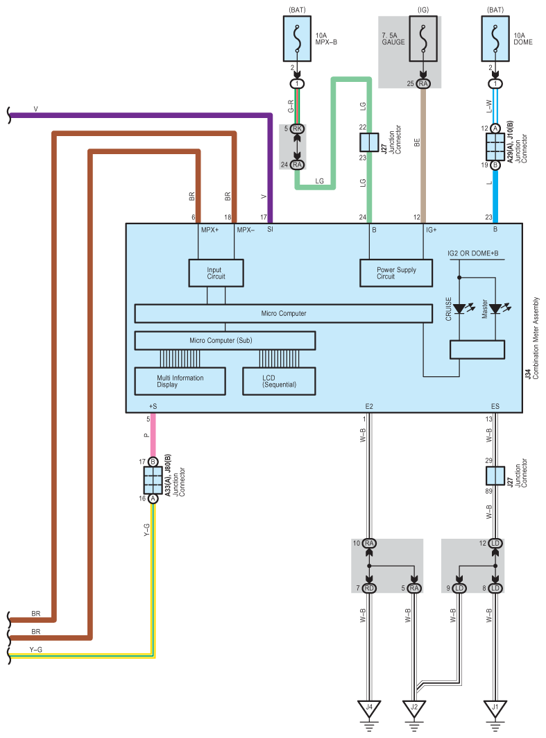
Fig 2: Dynamic Radar Cruise Control (2GR-FSE) Wiring Diagram (2 Of 14)
G09121281Courtesy of © TOYOTA, LICENSE AGREEMENT TMS1002
Fig 3: Dynamic Radar Cruise Control (2GR-FSE) Wiring Diagram (3 Of 14)
G09121282Courtesy of © TOYOTA, LICENSE AGREEMENT TMS1002
Fig 4: Dynamic Radar Cruise Control (2GR-FSE) Wiring Diagram (4 Of 14)
G09121283Courtesy of © TOYOTA, LICENSE AGREEMENT TMS1002
Fig 5: Dynamic Radar Cruise Control (2GR-FSE) Wiring Diagram (5 Of 14)
G09121284Courtesy of © TOYOTA, LICENSE AGREEMENT TMS1002
Fig 6: Dynamic Radar Cruise Control (2GR-FSE) Wiring Diagram (6 Of 14)
G09121285Courtesy of © TOYOTA, LICENSE AGREEMENT TMS1002
Fig 7: Dynamic Radar Cruise Control (2GR-FSE) Wiring Diagram (7 Of 14)
G09121286Courtesy of © TOYOTA, LICENSE AGREEMENT TMS1002
Fig 8: Dynamic Radar Cruise Control (2GR-FSE) Wiring Diagram (8 Of 14)
G09121287Courtesy of © TOYOTA, LICENSE AGREEMENT TMS1002
Fig 9: Dynamic Radar Cruise Control (2GR-FSE) Wiring Diagram (9 Of 14)
G09121288Courtesy of © TOYOTA, LICENSE AGREEMENT TMS1002
Fig 10: Dynamic Radar Cruise Control (2GR-FSE) Wiring Diagram (10 Of 14)
G09121289Courtesy of © TOYOTA, LICENSE AGREEMENT TMS1002
Fig 11: Dynamic Radar Cruise Control (2GR-FSE) Wiring Diagram (11 Of 14)
G09121290Courtesy of © TOYOTA, LICENSE AGREEMENT TMS1002
Fig 12: Dynamic Radar Cruise Control (2GR-FSE) Wiring Diagram (12 Of 14)
G09121291Courtesy of © TOYOTA, LICENSE AGREEMENT TMS1002
Fig 13: Dynamic Radar Cruise Control (2GR-FSE) Wiring Diagram (13 Of 14)
G09121292Courtesy of © TOYOTA, LICENSE AGREEMENT TMS1002
Fig 14: Dynamic Radar Cruise Control (2GR-FSE) Wiring Diagram (14 Of 14)
G09121293Courtesy of © TOYOTA, LICENSE AGREEMENT TMS1002