LEMON Manuals: Even more car manuals for everyone: 1960-2025
Home >> Lexus >> 2013 >> IS 250C Base >> Repair and Diagnosis >> Electrical >> Body Electrical >> OEM System Circuits >> Engine Control (2GR-FSE) >> Notes
April 5, 2026: LEMON Manuals is launched! Read the announcement.

Engine Control (2GR-FSE): Notes

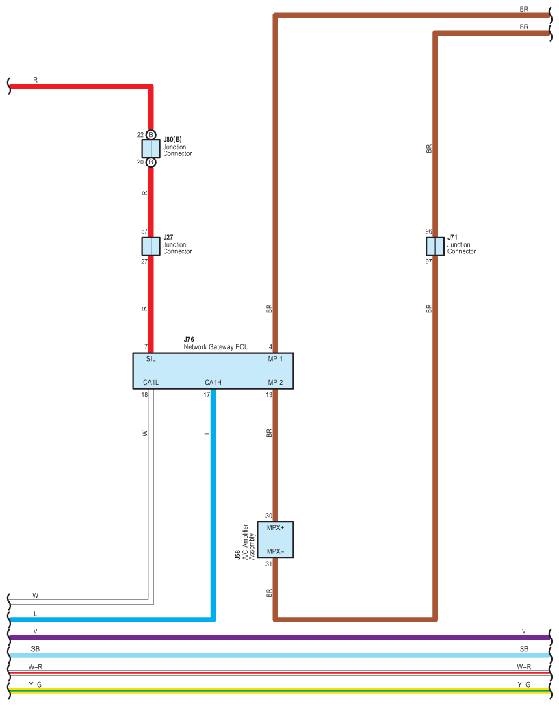
Fig 1: Engine Control (2GR-FSE) Wiring Diagram (1 Of 16)
G09121121Courtesy of © TOYOTA, LICENSE AGREEMENT TMS1002
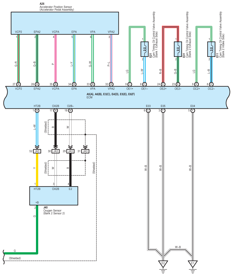
Fig 2: Engine Control (2GR-FSE) Wiring Diagram (2 Of 16)
G09121122Courtesy of © TOYOTA, LICENSE AGREEMENT TMS1002
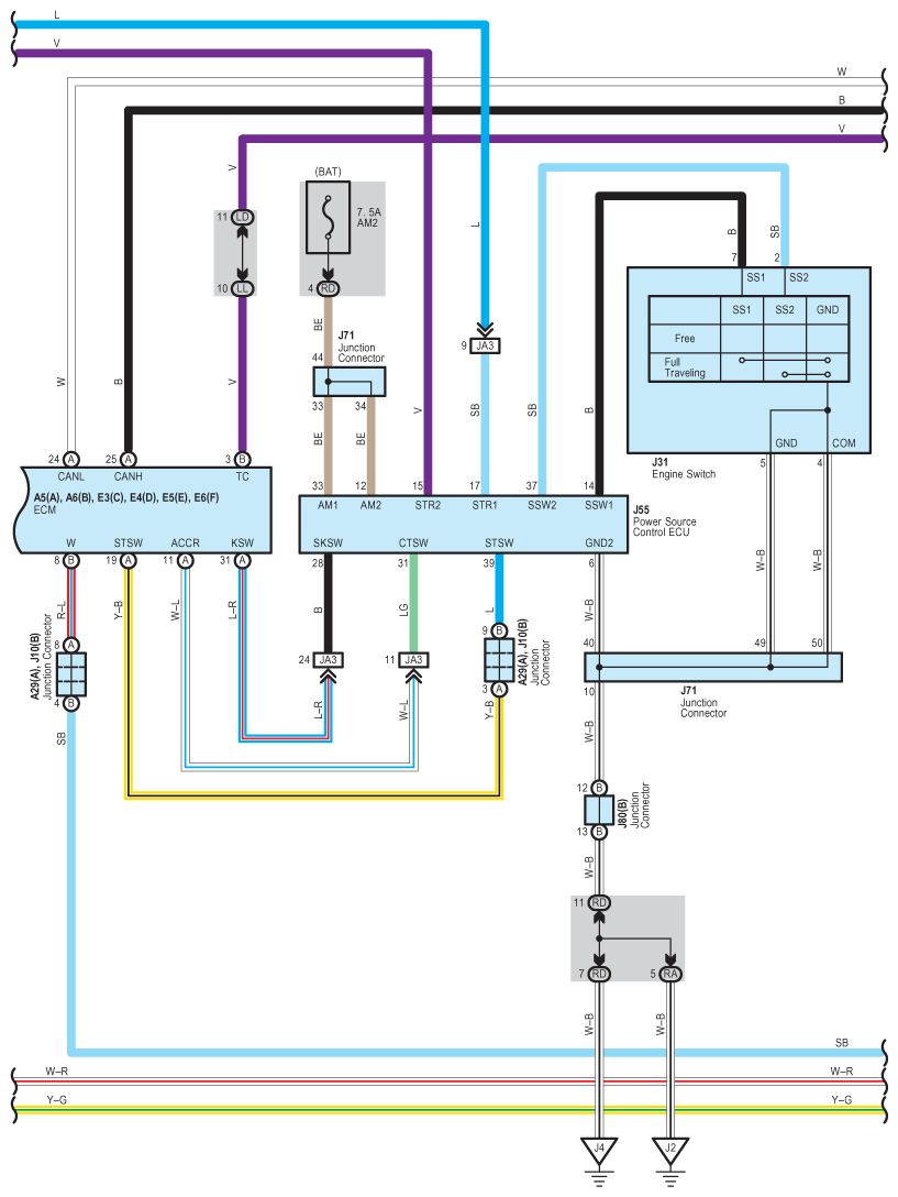
Fig 3: Engine Control (2GR-FSE) Wiring Diagram (3 Of 16)
G09121123Courtesy of © TOYOTA, LICENSE AGREEMENT TMS1002
Fig 4: Engine Control (2GR-FSE) Wiring Diagram (4 Of 16)
G09121124Courtesy of © TOYOTA, LICENSE AGREEMENT TMS1002
Fig 5: Engine Control (2GR-FSE) Wiring Diagram (5 Of 16)
G09121125Courtesy of © TOYOTA, LICENSE AGREEMENT TMS1002
Fig 6: Engine Control (2GR-FSE) Wiring Diagram (6 Of 16)
G09121126Courtesy of © TOYOTA, LICENSE AGREEMENT TMS1002
Fig 7: Engine Control (2GR-FSE) Wiring Diagram (7 Of 16)
G09121127Courtesy of © TOYOTA, LICENSE AGREEMENT TMS1002
Fig 8: Engine Control (2GR-FSE) Wiring Diagram (8 Of 16)
G09121128Courtesy of © TOYOTA, LICENSE AGREEMENT TMS1002
Fig 9: Engine Control (2GR-FSE) Wiring Diagram (9 Of 16)
G09121129Courtesy of © TOYOTA, LICENSE AGREEMENT TMS1002
Fig 10: Engine Control (2GR-FSE) Wiring Diagram (10 Of 16)
G09121130Courtesy of © TOYOTA, LICENSE AGREEMENT TMS1002
Fig 11: Engine Control (2GR-FSE) Wiring Diagram (11 Of 16)
G09121131Courtesy of © TOYOTA, LICENSE AGREEMENT TMS1002
Fig 12: Engine Control (2GR-FSE) Wiring Diagram (12 Of 16)
G09121132Courtesy of © TOYOTA, LICENSE AGREEMENT TMS1002
Fig 13: Engine Control (2GR-FSE) Wiring Diagram (13 Of 16)
G09121133Courtesy of © TOYOTA, LICENSE AGREEMENT TMS1002
Fig 14: Engine Control (2GR-FSE) Wiring Diagram (14 Of 16)
G09121134Courtesy of © TOYOTA, LICENSE AGREEMENT TMS1002
Fig 15: Engine Control (2GR-FSE) Wiring Diagram (15 Of 16)
G09121135Courtesy of © TOYOTA, LICENSE AGREEMENT TMS1002
Fig 16: Engine Control (2GR-FSE) Wiring Diagram (16 Of 16)
G09121136Courtesy of © TOYOTA, LICENSE AGREEMENT TMS1002