LEMON Manuals: Even more car manuals for everyone: 1960-2025
Home >> Lexus >> 2013 >> IS 250C Base >> Repair and Diagnosis >> Electrical >> Body Electrical >> OEM System Circuits >> Engine Immobilizer System, Smart Access System with Push-Button Start, Starting, Steering Lock and Wireless Door Lock Control >> Notes
April 5, 2026: LEMON Manuals is launched! Read the announcement.

Engine Immobilizer System, Smart Access System with Push-Button Start, Starting, Steering Lock and Wireless Door Lock Control: Notes

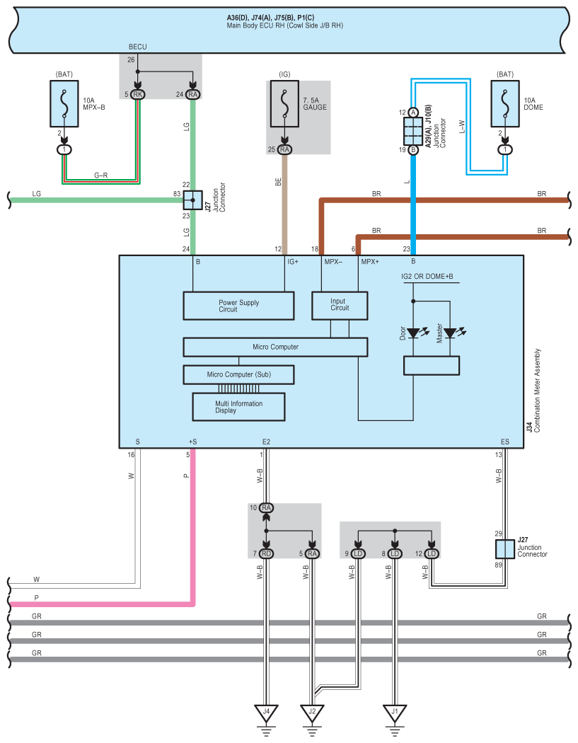
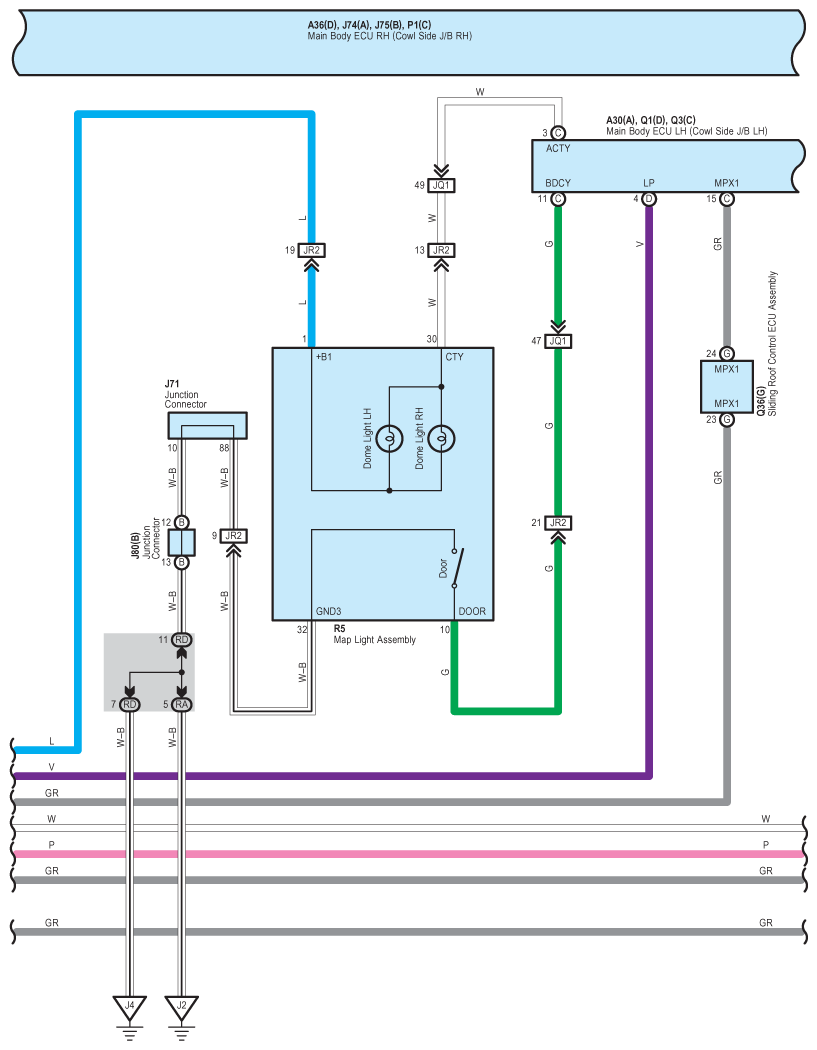
Fig 1: Engine Immobilizer, Smart Access, Starting, Steering Lock And Wireless Door Lock (W/Smart Key) System Wiring Diagram (1 Of 18)
G09121097Courtesy of © TOYOTA, LICENSE AGREEMENT TMS1002
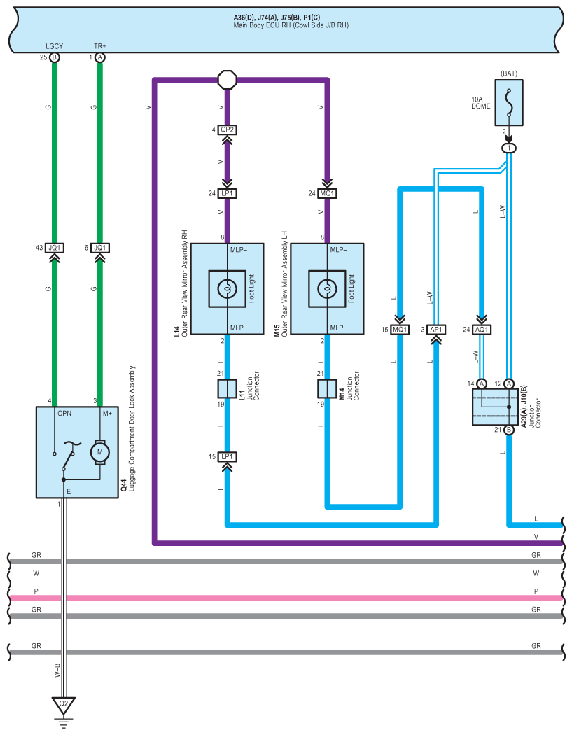
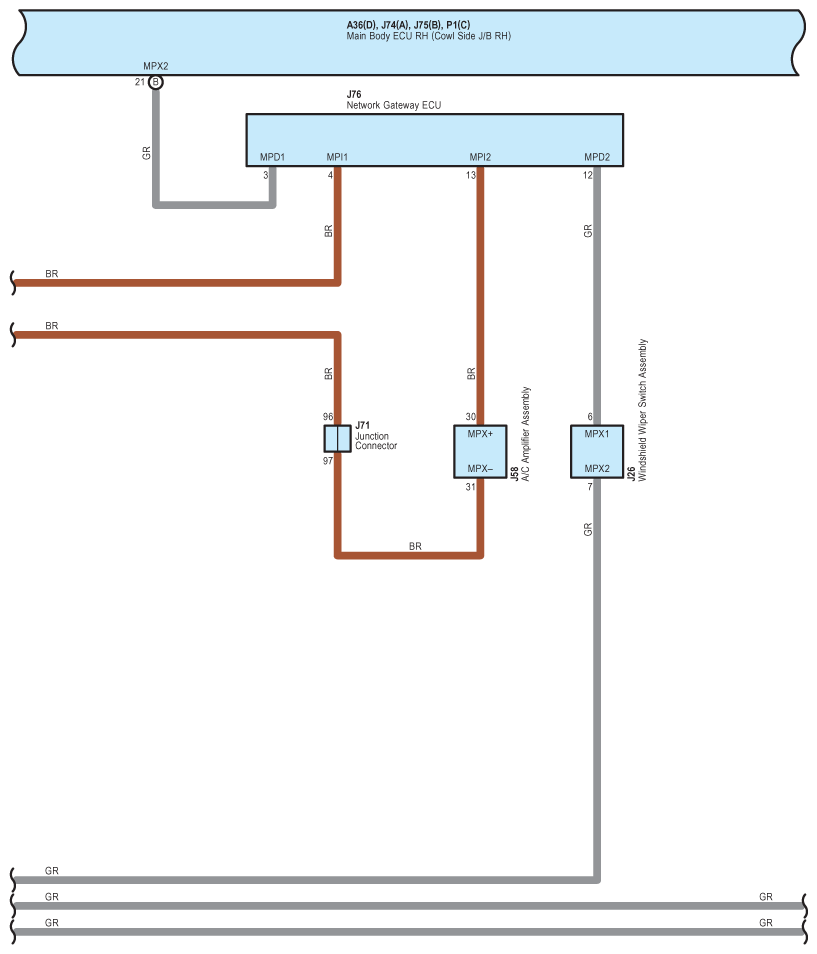
Fig 2: Engine Immobilizer, Smart Access, Starting, Steering Lock And Wireless Door Lock (W/Smart Key) System Wiring Diagram (2 Of 18)
G09121098Courtesy of © TOYOTA, LICENSE AGREEMENT TMS1002
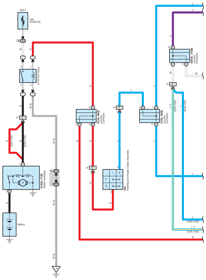
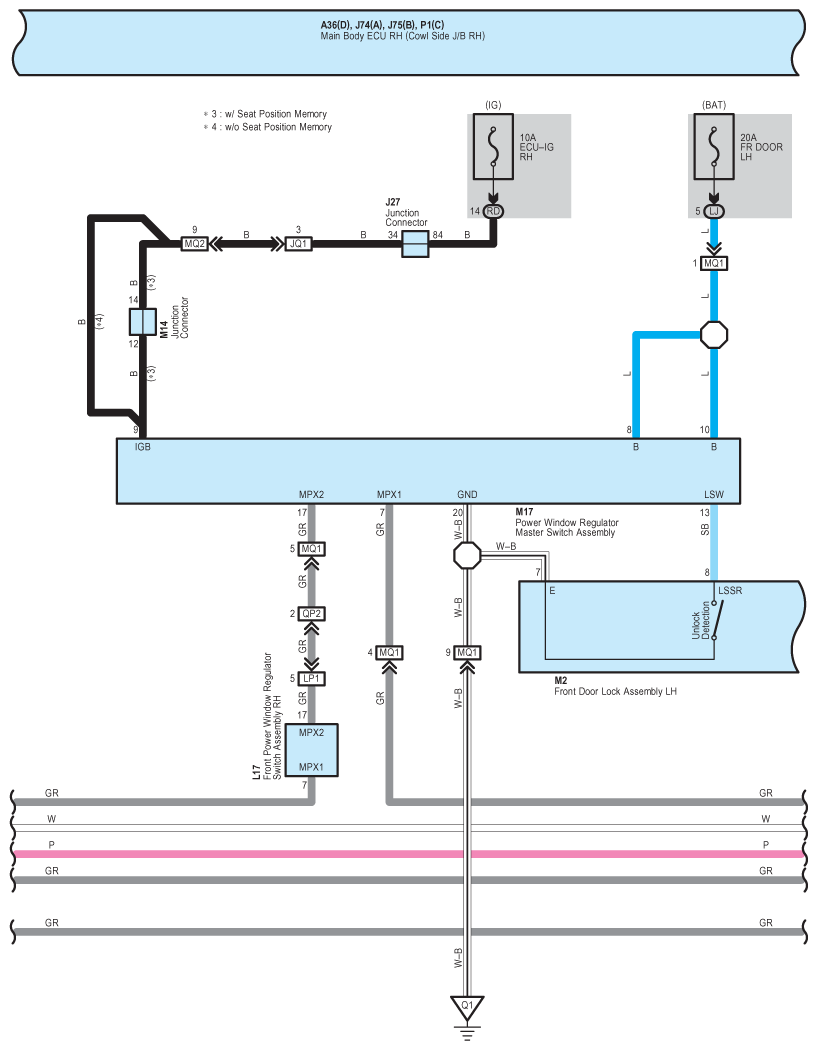
Fig 3: Engine Immobilizer, Smart Access, Starting, Steering Lock And Wireless Door Lock (W/Smart Key) System Wiring Diagram (3 Of 18)
G09121099Courtesy of © TOYOTA, LICENSE AGREEMENT TMS1002
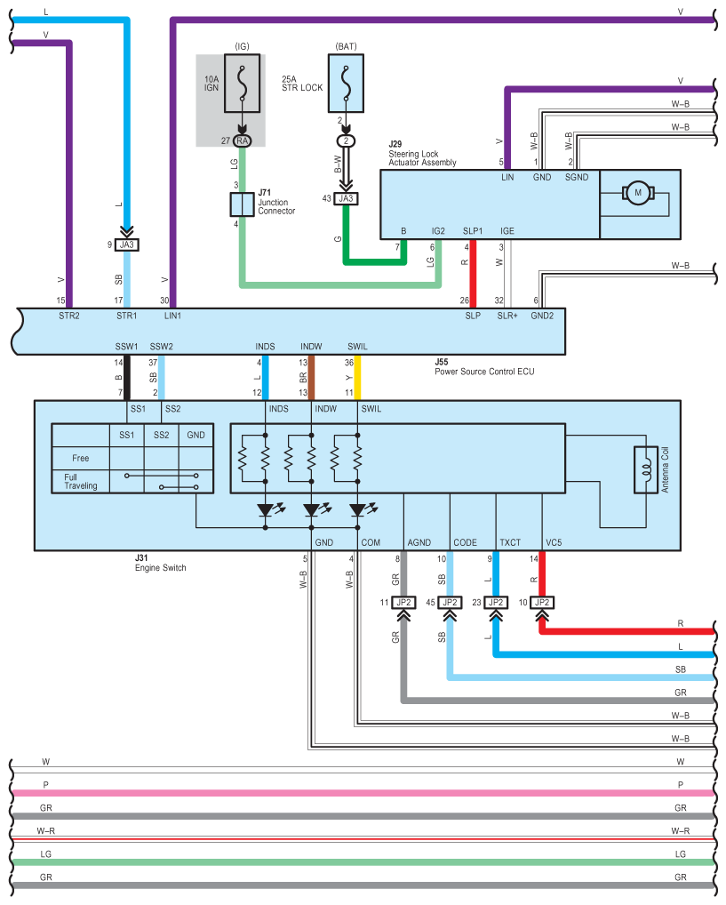
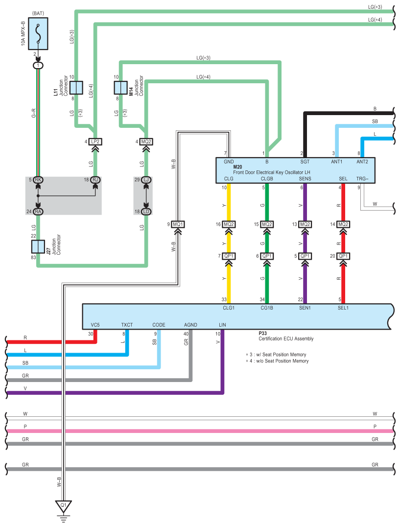
Fig 4: Engine Immobilizer, Smart Access, Starting, Steering Lock And Wireless Door Lock (W/Smart Key) System Wiring Diagram (4 Of 18)
G09121100Courtesy of © TOYOTA, LICENSE AGREEMENT TMS1002
Fig 5: Engine Immobilizer, Smart Access, Starting, Steering Lock And Wireless Door Lock (W/Smart Key) System Wiring Diagram (5 Of 18)
G09121101Courtesy of © TOYOTA, LICENSE AGREEMENT TMS1002
Fig 6: Engine Immobilizer, Smart Access, Starting, Steering Lock And Wireless Door Lock (W/Smart Key) System Wiring Diagram (6 Of 18)
G09121102Courtesy of © TOYOTA, LICENSE AGREEMENT TMS1002
Fig 7: Engine Immobilizer, Smart Access, Starting, Steering Lock And Wireless Door Lock (W/Smart Key) System Wiring Diagram (7 Of 18)
G09121103Courtesy of © TOYOTA, LICENSE AGREEMENT TMS1002
Fig 8: Engine Immobilizer, Smart Access, Starting, Steering Lock And Wireless Door Lock (W/Smart Key) System Wiring Diagram (8 Of 18)
G09121104Courtesy of © TOYOTA, LICENSE AGREEMENT TMS1002
Fig 9: Engine Immobilizer, Smart Access, Starting, Steering Lock And Wireless Door Lock (W/Smart Key) System Wiring Diagram (9 Of 18)
G09121105Courtesy of © TOYOTA, LICENSE AGREEMENT TMS1002
Fig 10: Engine Immobilizer, Smart Access, Starting, Steering Lock And Wireless Door Lock (W/Smart Key) System Wiring Diagram (10 Of 18)
G09121106Courtesy of © TOYOTA, LICENSE AGREEMENT TMS1002
Fig 11: Engine Immobilizer, Smart Access, Starting, Steering Lock And Wireless Door Lock (W/Smart Key) System Wiring Diagram (11 Of 18)
G09121107Courtesy of © TOYOTA, LICENSE AGREEMENT TMS1002
Fig 12: Engine Immobilizer, Smart Access, Starting, Steering Lock And Wireless Door Lock (W/Smart Key) System Wiring Diagram (12 Of 18)
G09121108Courtesy of © TOYOTA, LICENSE AGREEMENT TMS1002
Fig 13: Engine Immobilizer, Smart Access, Starting, Steering Lock And Wireless Door Lock (W/Smart Key) System Wiring Diagram (13 Of 18)
G09121109Courtesy of © TOYOTA, LICENSE AGREEMENT TMS1002
Fig 14: Engine Immobilizer, Smart Access, Starting, Steering Lock And Wireless Door Lock (W/Smart Key) System Wiring Diagram (14 Of 18)
G09121110Courtesy of © TOYOTA, LICENSE AGREEMENT TMS1002
Fig 15: Engine Immobilizer, Smart Access, Starting, Steering Lock And Wireless Door Lock (W/Smart Key) System Wiring Diagram (15 Of 18)
G09121111Courtesy of © TOYOTA, LICENSE AGREEMENT TMS1002
Fig 16: Engine Immobilizer, Smart Access, Starting, Steering Lock And Wireless Door Lock (W/Smart Key) System Wiring Diagram (16 Of 18)
G09121112Courtesy of © TOYOTA, LICENSE AGREEMENT TMS1002
Fig 17: Engine Immobilizer, Smart Access, Starting, Steering Lock And Wireless Door Lock (W/Smart Key) System Wiring Diagram (17 Of 18)
G09121113Courtesy of © TOYOTA, LICENSE AGREEMENT TMS1002
Fig 18: Engine Immobilizer, Smart Access, Starting, Steering Lock And Wireless Door Lock (W/Smart Key) System Wiring Diagram (18 Of 18)
G09121114Courtesy of © TOYOTA, LICENSE AGREEMENT TMS1002