LEMON Manuals: Even more car manuals for everyone: 1960-2025
Home >> Lexus >> 2013 >> IS 250C Base >> Repair and Diagnosis >> Electrical >> Body Electrical >> OEM System Circuits >> Power Tilt and Power Telescopic >> Notes
April 5, 2026: LEMON Manuals is launched! Read the announcement.

Power Tilt and Power Telescopic: Notes

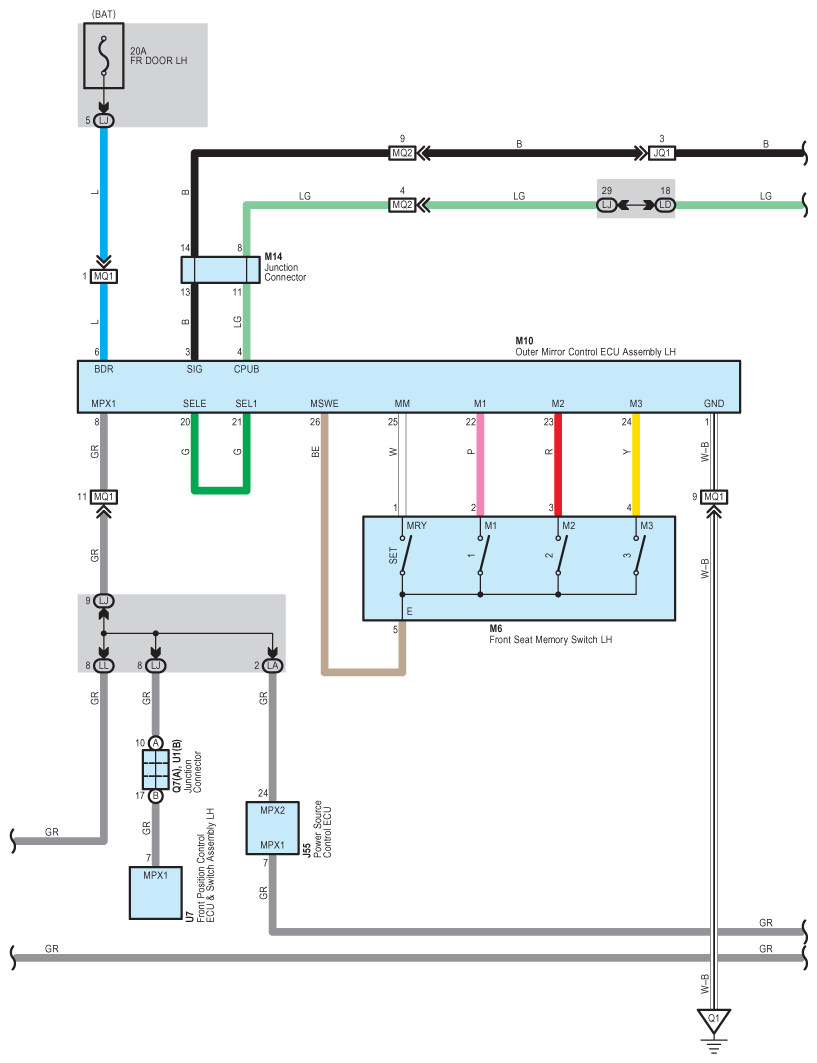
Fig 1: Power Tilt And Power Telescopic Wiring Diagram (1 Of 7)
G09121348Courtesy of © TOYOTA, LICENSE AGREEMENT TMS1002
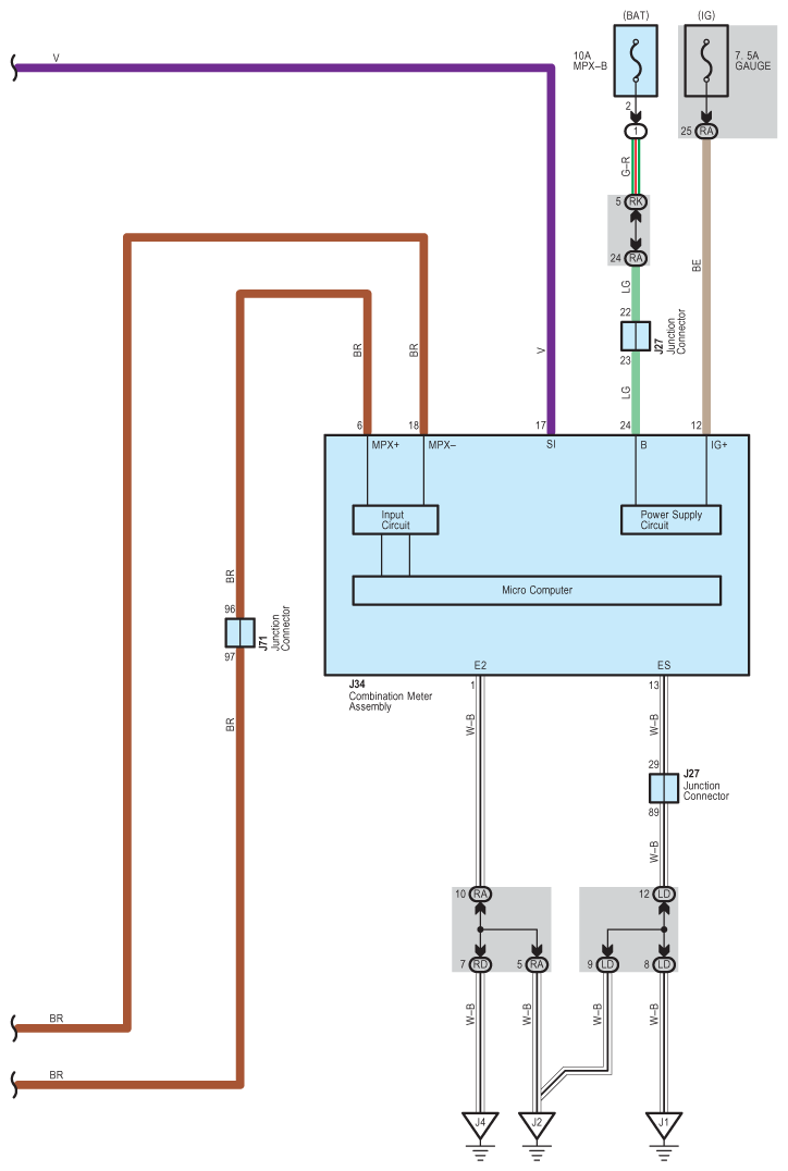
Fig 2: Power Tilt And Power Telescopic Wiring Diagram (2 Of 7)
G09121349Courtesy of © TOYOTA, LICENSE AGREEMENT TMS1002
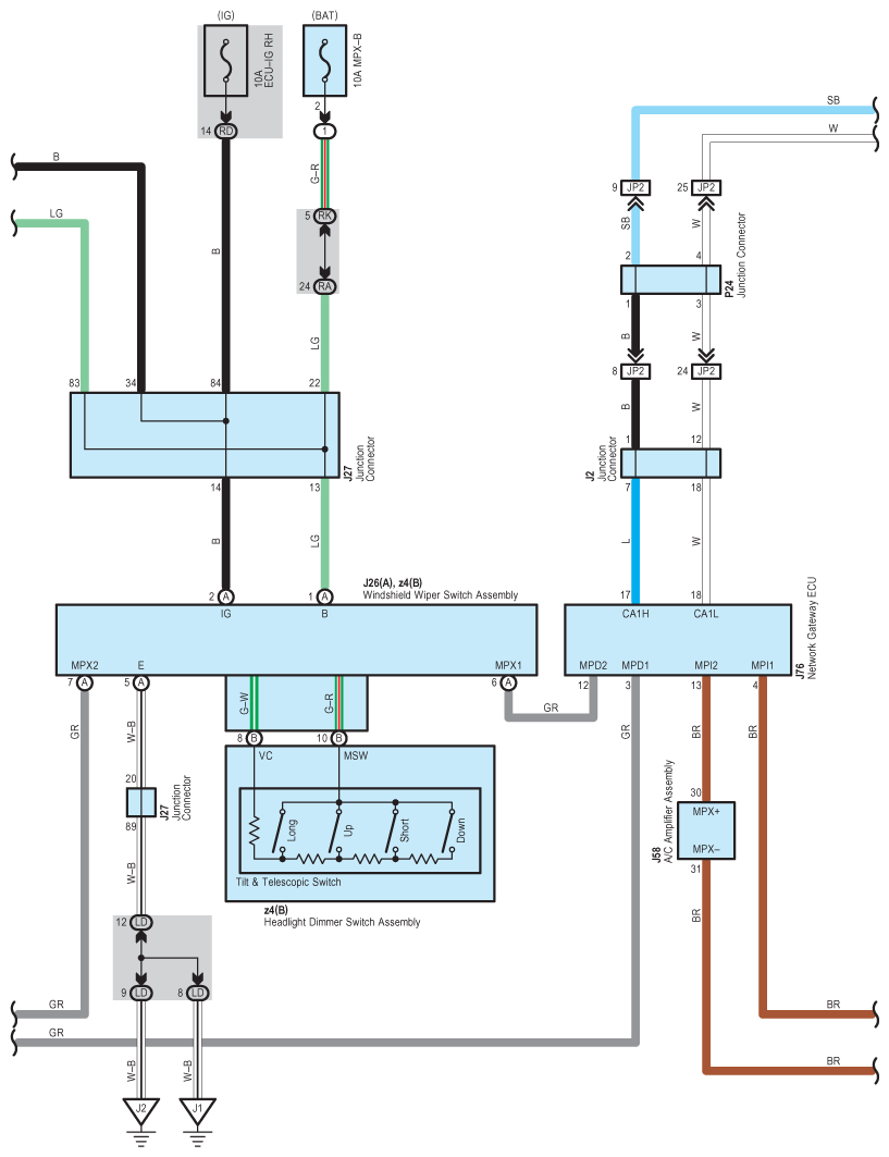
Fig 3: Power Tilt And Power Telescopic Wiring Diagram (3 Of 7)
G09121350Courtesy of © TOYOTA, LICENSE AGREEMENT TMS1002
Fig 4: Power Tilt And Power Telescopic Wiring Diagram (4 Of 7)
G09121351Courtesy of © TOYOTA, LICENSE AGREEMENT TMS1002
Fig 5: Power Tilt And Power Telescopic Wiring Diagram (5 Of 7)
G09121352Courtesy of © TOYOTA, LICENSE AGREEMENT TMS1002
Fig 6: Power Tilt And Power Telescopic Wiring Diagram (6 Of 7)
G09121353Courtesy of © TOYOTA, LICENSE AGREEMENT TMS1002
Fig 7: Power Tilt And Power Telescopic Wiring Diagram (7 Of 7)
G09121354Courtesy of © TOYOTA, LICENSE AGREEMENT TMS1002