LEMON Manuals: Even more car manuals for everyone: 1960-2025
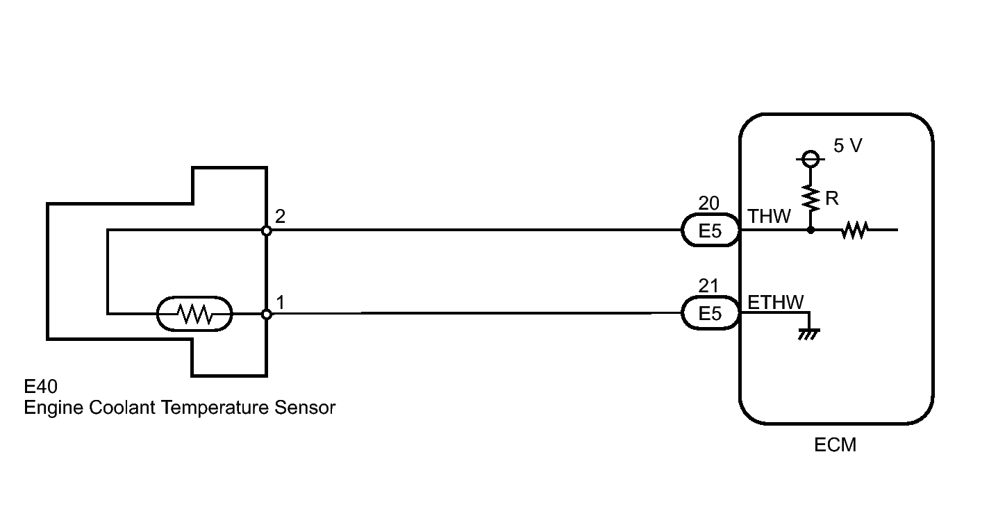
Home >> Lexus >> 2013 >> IS 250C Base >> Repair and Diagnosis >> External Pages >> Different car >> Section 11 (Engine Control System (Diagnostic Codes (P0010-P014F)) >> SFI System >> DTC P0115: Engine Coolant Temperature Circuit Malfunction; DTC P0117: Engine Coolant Temperature Circuit Low Input; DTC P0118: Engine Coolant Temperature Circuit High Input >> Wiring Diagram
April 5, 2026: LEMON Manuals is launched! Read the announcement.

DTC P0115: Engine Coolant Temperature Circuit Malfunction; DTC P0117: Engine Coolant Temperature Circuit Low Input; DTC P0118: Engine Coolant Temperature Circuit High Input: Wiring Diagram

WARNING: This page is about a different car, the 2013 Lexus IS 350C. However, it is still accessible from the selected car via links, so may be relevant.
Fig 1: Engine Coolant Temperature Circuit - Wiring Diagram
GTY393726Courtesy of © TOYOTA, LICENSE AGREEMENT TMS1002