LEMON Manuals: Even more car manuals for everyone: 1960-2025
Home >> Lexus >> 2013 >> IS 250C Base >> Repair and Diagnosis >> Steering >> Steering Column >> Steering Lock System (Diagnostic Codes & Circuit Tests) >> Steering Lock System >> Circuit Tests >> Power Source Circuit >> Wiring Diagram
April 5, 2026: LEMON Manuals is launched! Read the announcement.

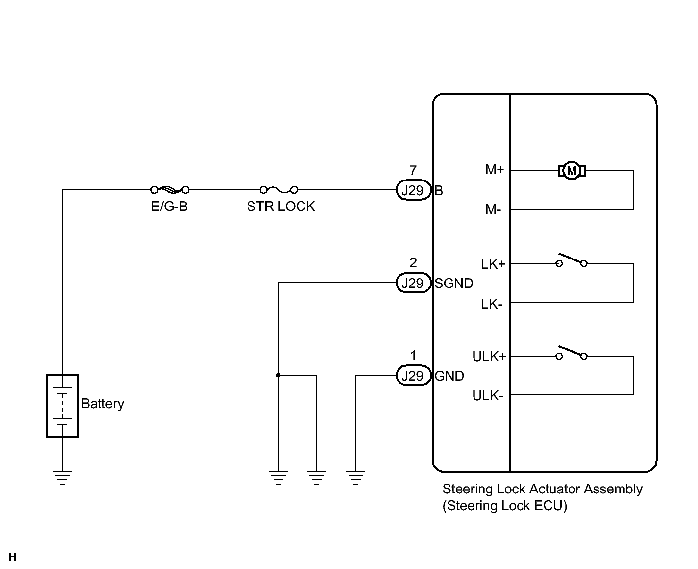
Power Source Circuit: Wiring Diagram

Fig 1: Power Source Circuit Wiring Diagram
GTY267056Courtesy of © TOYOTA, LICENSE AGREEMENT TMS1002