LEMON Manuals: Even more car manuals for everyone: 1960-2025
Home >> Lexus >> 2013 >> IS 350 Base, AWD >> Repair and Diagnosis >> Body & Frame >> Seats >> Climate Control Seat System (Diagnostics - Introduction) >> Climate Control Seat System >> Climate Control Seat System does not Operate >> Wiring Diagram
April 5, 2026: LEMON Manuals is launched! Read the announcement.

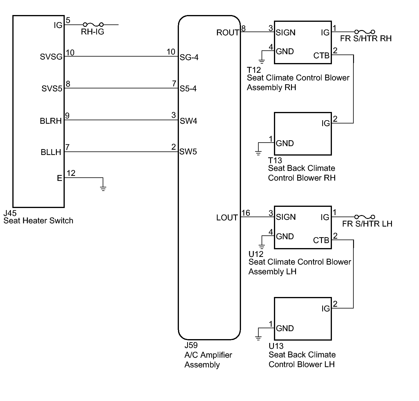
Climate Control Seat System does not Operate: Wiring Diagram

Fig 1: Climate Control Seat System Wiring Diagram
GTY274750Courtesy of © TOYOTA, LICENSE AGREEMENT TMS1002