LEMON Manuals: Even more car manuals for everyone: 1960-2025
Home >> Lexus >> 2013 >> IS 350 Base, AWD >> Repair and Diagnosis >> Electrical >> Body Electrical >> OEM System Circuits >> Vehicle Dynamics Integrated Management >> Notes
April 5, 2026: LEMON Manuals is launched! Read the announcement.

Vehicle Dynamics Integrated Management: Notes

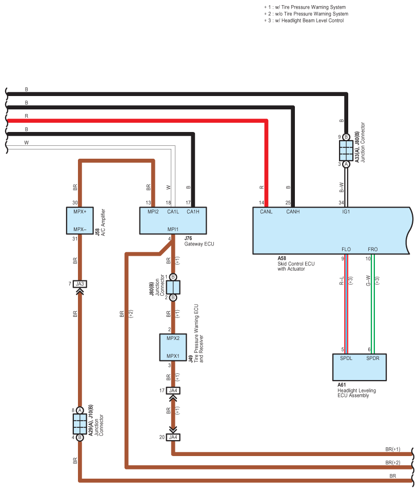
Fig 1: Vehicle Dynamics Integrated Management System Wiring Diagram (1 Of 8)
G09119144Courtesy of © TOYOTA, LICENSE AGREEMENT TMS1002
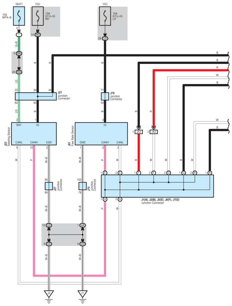
Fig 2: Vehicle Dynamics Integrated Management System Wiring Diagram (2 Of 8)
G09119145Courtesy of © TOYOTA, LICENSE AGREEMENT TMS1002
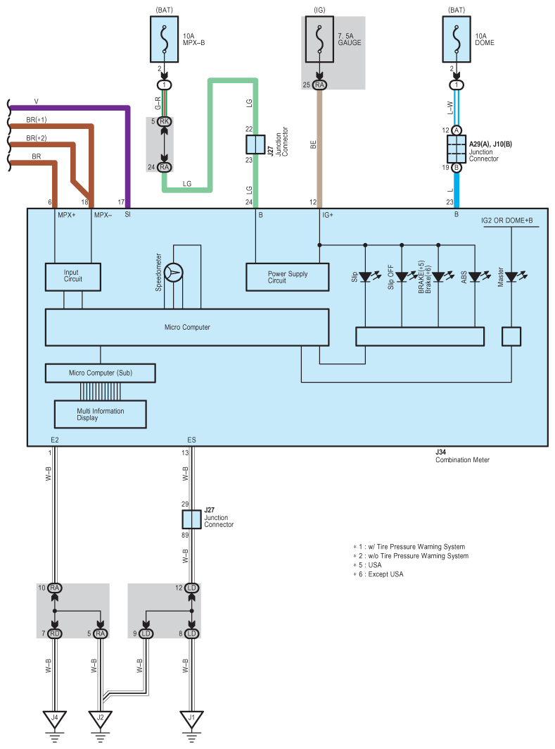
Fig 3: Vehicle Dynamics Integrated Management System Wiring Diagram (3 Of 8)
G09119146Courtesy of © TOYOTA, LICENSE AGREEMENT TMS1002
Fig 4: Vehicle Dynamics Integrated Management System Wiring Diagram (4 Of 8)
G09119147Courtesy of © TOYOTA, LICENSE AGREEMENT TMS1002
Fig 5: Vehicle Dynamics Integrated Management System Wiring Diagram (5 Of 8)
G09119148Courtesy of © TOYOTA, LICENSE AGREEMENT TMS1002
Fig 6: Vehicle Dynamics Integrated Management System Wiring Diagram (6 Of 8)
G09119149Courtesy of © TOYOTA, LICENSE AGREEMENT TMS1002
Fig 7: Vehicle Dynamics Integrated Management System Wiring Diagram (7 Of 8)
G09119150Courtesy of © TOYOTA, LICENSE AGREEMENT TMS1002
Fig 8: Vehicle Dynamics Integrated Management System Wiring Diagram (8 Of 8)
G09119151Courtesy of © TOYOTA, LICENSE AGREEMENT TMS1002