LEMON Manuals: Even more car manuals for everyone: 1960-2025
Home >> Lexus >> 2013 >> IS 350 Base, RWD >> Repair and Diagnosis >> Electrical >> Body Electrical >> OEM System Circuits >> Clock >> Notes
April 5, 2026: LEMON Manuals is launched! Read the announcement.

OEM System Circuits: Clock: Notes

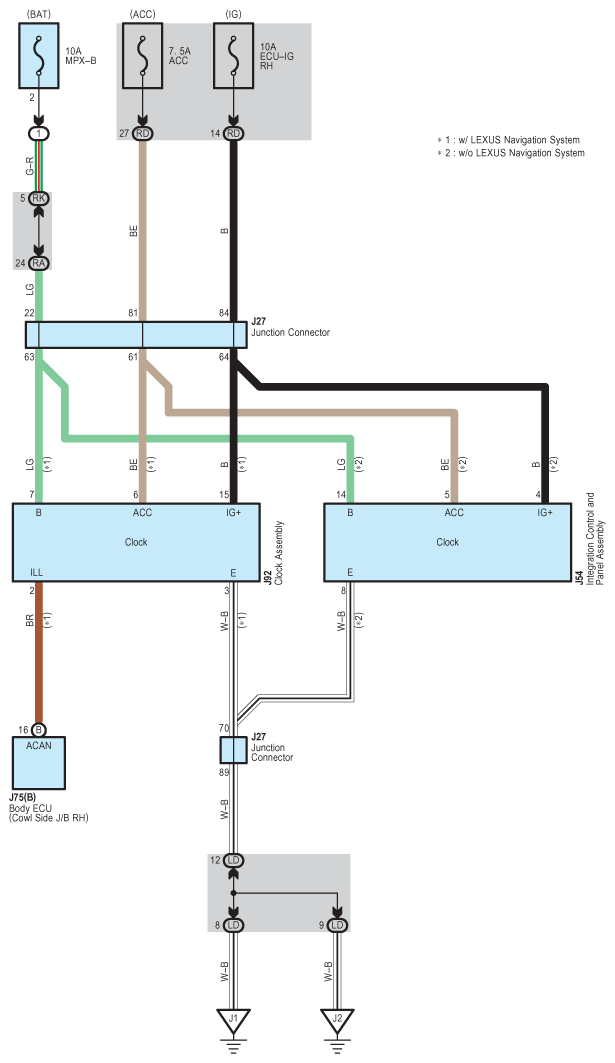
Fig 1: Clock System Wiring Diagram
G09119225Courtesy of © TOYOTA, LICENSE AGREEMENT TMS1002