LEMON Manuals: Even more car manuals for everyone: 1960-2025
Home >> Lexus >> 2013 >> IS 350 Base, RWD >> Repair and Diagnosis >> Electrical >> Body Electrical >> OEM System Circuits >> LEXUS ENFORM or Safety Connect >> Notes
April 5, 2026: LEMON Manuals is launched! Read the announcement.

LEXUS ENFORM or Safety Connect: Notes

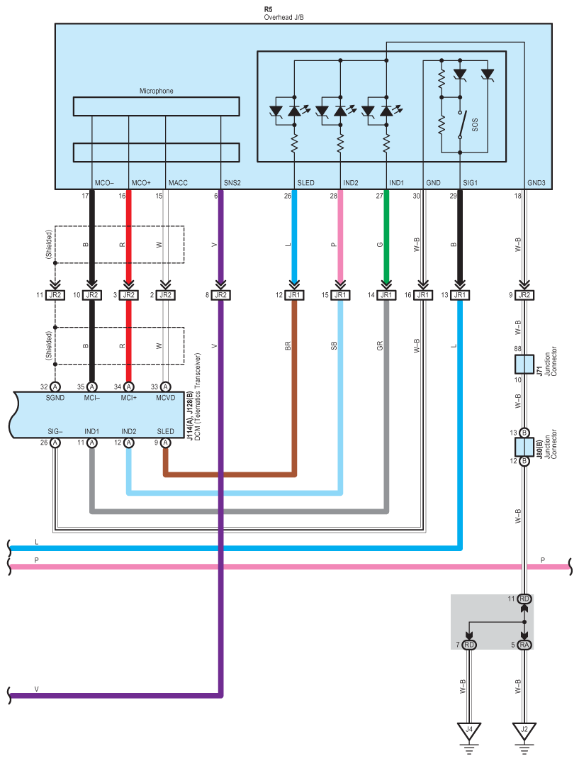
Fig 1: Lexus Enform Or Safety Connect System Wiring Diagram (1 Of 4)
G09119231Courtesy of © TOYOTA, LICENSE AGREEMENT TMS1002
Fig 2: Lexus Enform Or Safety Connect System Wiring Diagram (2 Of 4)
G09119232Courtesy of © TOYOTA, LICENSE AGREEMENT TMS1002
Fig 3: Lexus Enform Or Safety Connect System Wiring Diagram (3 Of 4)
G09119233Courtesy of © TOYOTA, LICENSE AGREEMENT TMS1002
Fig 4: Lexus Enform Or Safety Connect System Wiring Diagram (4 Of 4)
G09119234Courtesy of © TOYOTA, LICENSE AGREEMENT TMS1002