LEMON Manuals: Even more car manuals for everyone: 1960-2025
Home >> Lexus >> 2013 >> IS 350C Base >> Repair and Diagnosis >> Electrical >> Body Electrical >> OEM System Circuits >> Remote Control Mirror (w/o Seat Position Memory) >> Notes
April 5, 2026: LEMON Manuals is launched! Read the announcement.

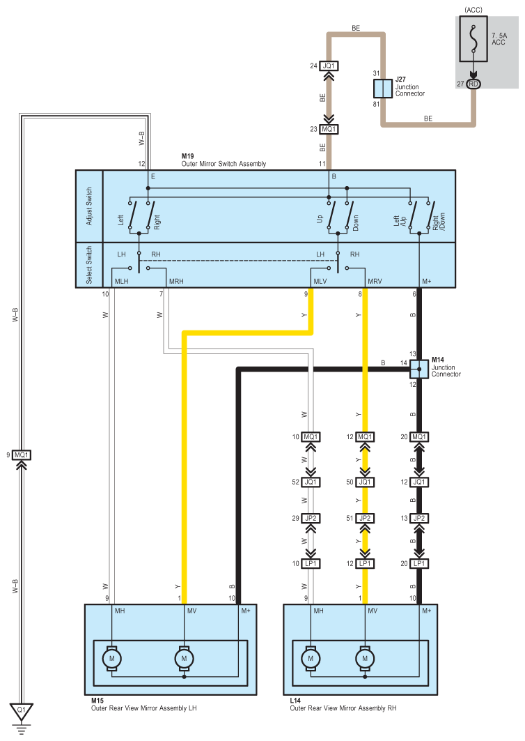
Remote Control Mirror (w/o Seat Position Memory): Notes

Fig 1: Remote Control Mirror (W/O Seat Position Memory) Wiring Diagram
G09121421Courtesy of © TOYOTA, LICENSE AGREEMENT TMS1002