LEMON Manuals: Even more car manuals for everyone: 1960-2025
Home >> Lexus >> 2013 >> IS F >> Repair and Diagnosis >> Electrical >> Body Electrical >> OEM System Circuits >> Audio System (w/o LEXUS Navigation System) >> Notes
April 5, 2026: LEMON Manuals is launched! Read the announcement.

Audio System (w/o LEXUS Navigation System): Notes

Fig 1: Audio (W/O LEXUS Navigation System) System Wiring Diagram (1 Of 9)
G09122391Courtesy of © TOYOTA, LICENSE AGREEMENT TMS1002
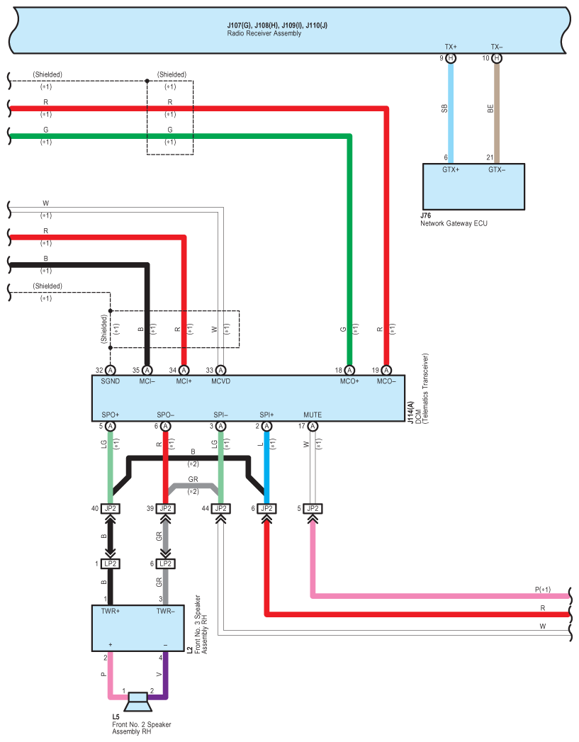
Fig 2: Audio (W/O LEXUS Navigation System) System Wiring Diagram (2 Of 9)
G09122392Courtesy of © TOYOTA, LICENSE AGREEMENT TMS1002
Fig 3: Audio (W/O LEXUS Navigation System) System Wiring Diagram (3 Of 9)
G09122393Courtesy of © TOYOTA, LICENSE AGREEMENT TMS1002
Fig 4: Audio (W/O LEXUS Navigation System) System Wiring Diagram (4 Of 9)
G09122394Courtesy of © TOYOTA, LICENSE AGREEMENT TMS1002
Fig 5: Audio (W/O LEXUS Navigation System) System Wiring Diagram (5 Of 9)
G09122395Courtesy of © TOYOTA, LICENSE AGREEMENT TMS1002
Fig 6: Audio (W/O LEXUS Navigation System) System Wiring Diagram (6 Of 9)
G09122396Courtesy of © TOYOTA, LICENSE AGREEMENT TMS1002
Fig 7: Audio (W/O LEXUS Navigation System) System Wiring Diagram (7 Of 9)
G09122397Courtesy of © TOYOTA, LICENSE AGREEMENT TMS1002
Fig 8: Audio (W/O LEXUS Navigation System) System Wiring Diagram (8 Of 9)
G09122398Courtesy of © TOYOTA, LICENSE AGREEMENT TMS1002
Fig 9: Audio (W/O LEXUS Navigation System) System Wiring Diagram (9 Of 9)
G09122399Courtesy of © TOYOTA, LICENSE AGREEMENT TMS1002