LEMON Manuals
: Even more car manuals for everyone: 1960-2025
Home
>>
Lexus
>>
2013
>>
IS F
>>
Repair and Diagnosis
>>
Electrical
>>
Body Electrical
>>
OEM System Circuits
>>
Multiplex Communication System (BEAN)
>>
Notes
April 5, 2026:
LEMON Manuals is launched!
Read the announcement.
Multiplex Communication System (BEAN): Notes
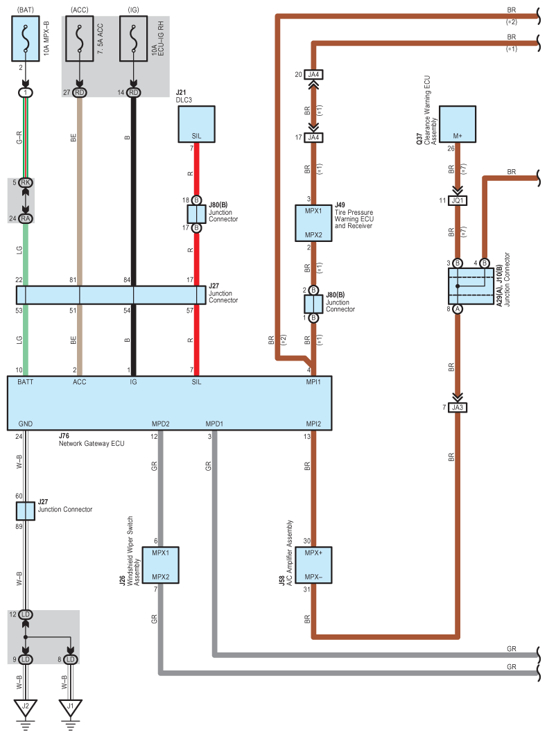
Fig 1: Multiplex Communication System (BEAN) Wiring Diagram (1 Of 3)
Courtesy of © TOYOTA, LICENSE AGREEMENT TMS1002
Fig 2: Multiplex Communication System (BEAN) Wiring Diagram (2 Of 3)
Courtesy of © TOYOTA, LICENSE AGREEMENT TMS1002
Fig 3: Multiplex Communication System (BEAN) Wiring Diagram (3 Of 3)
Courtesy of © TOYOTA, LICENSE AGREEMENT TMS1002