LEMON Manuals: Even more car manuals for everyone: 1960-2025
Home >> Lexus >> 2013 >> LS 460 Base, AWD >> Repair and Diagnosis >> Steering >> Power Steering >> Variable Gear Ratio Steering System (Diagnostics - Introduction) >> Variable Gear Ratio Steering System >> System Diagram [09/2012 - ] >> System Diagram [09/2012 - ]
April 5, 2026: LEMON Manuals is launched! Read the announcement.

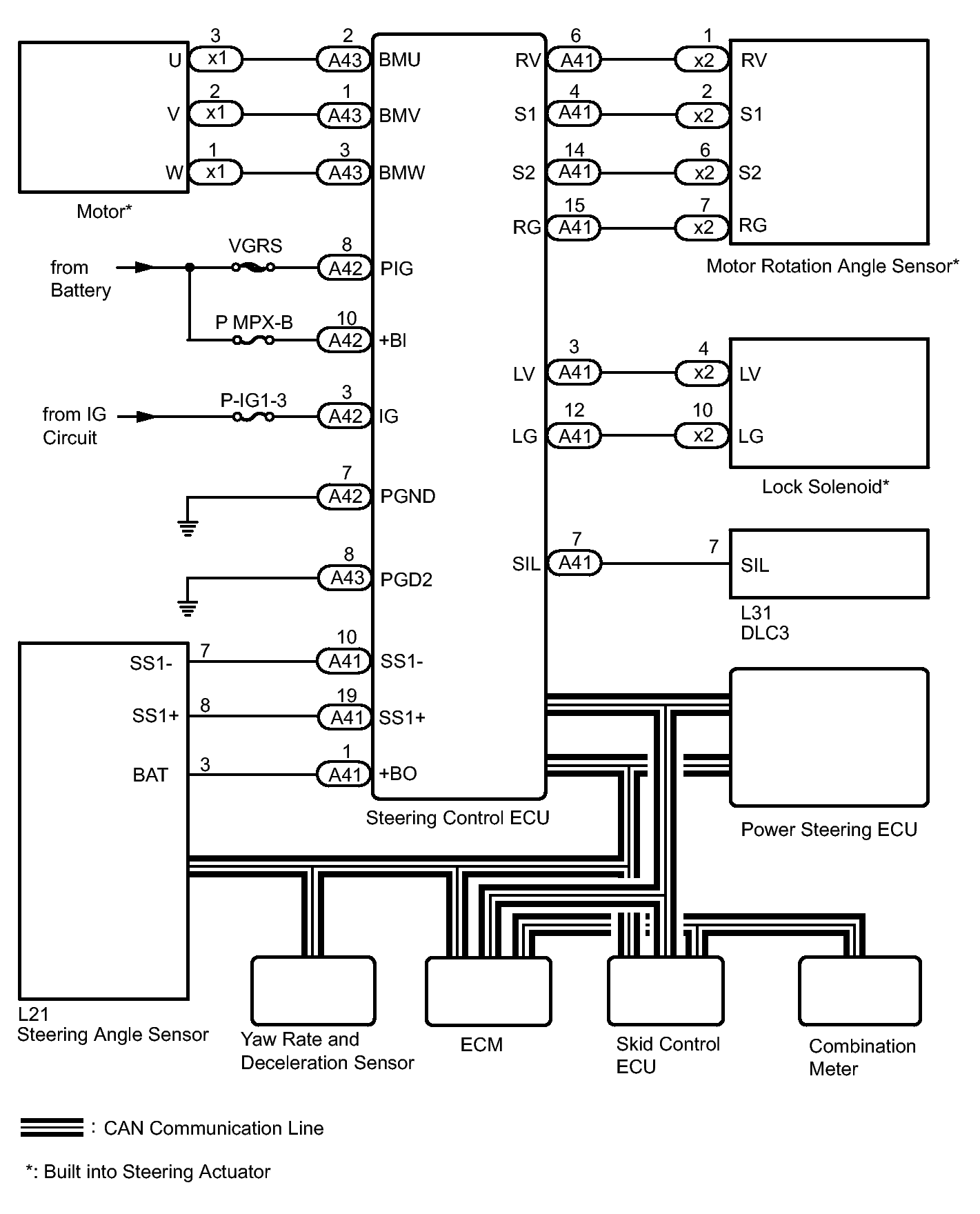
System Diagram [09/2012 - ]

Fig 1: Variable Gear Ratio Steering System Diagram
GTY410119Courtesy of © TOYOTA, LICENSE AGREEMENT TMS1002
Transmitting ECU (Transmitter) Receiving ECU Signals Communication method
Steering Angle Sensor Steering Control ECU
  • Steering wheel angle signal
  • Tire angle (during straight-ahead driving) signal
CAN
Steering Angle Sensor Steering Control ECU
  • Steering wheel angle signal
Serial communication
Deceleration Sensor Steering Control ECU
  • Deceleration sensor signal
CAN
Yaw Rate Sensor Steering Control ECU
  • Yaw rate signal
CAN
Skid Control ECU Steering Control ECU
  • Vehicle speed signal
  • Steering cooperative control level signal
CAN
Steering Control ECU Skid Control ECU
  • Steering actuator operating angle signal
CAN
Steering Control ECU Power Steering ECU
  • Steering actuator operating angle signal
  • Steering cooperative control level signal
CAN
Steering Control ECU Combination Meter
  • Warning information signal
CAN