LEMON Manuals: Even more car manuals for everyone: 1960-2025
Home >> Lexus >> 2013 >> LS 460 Base, RWD >> Repair and Diagnosis >> Body & Frame >> Windows >> Power Window Control System (Diagnostic Codes & Symptom Tests) >> Power Window Control System >> Symptom Tests >> Rear Power Window RH does not Operate with Rear Power Window Switch RH >> Wiring Diagram
April 5, 2026: LEMON Manuals is launched! Read the announcement.

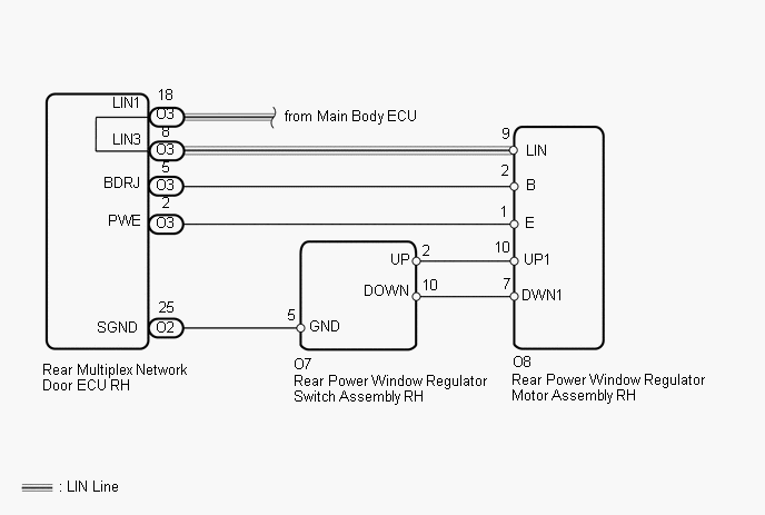
Rear Power Window RH does not Operate with Rear Power Window Switch RH: Wiring Diagram

Fig 1: Rear Power Window RH Does Not Operate With Rear Power Window Switch RH - Wiring Diagram
GTY268577Courtesy of © TOYOTA, LICENSE AGREEMENT TMS1002