LEMON Manuals: Even more car manuals for everyone: 1960-2025
Home >> Lexus >> 2013 >> LS 600hL >> Repair and Diagnosis (Single Page) >> Electrical >> Body Electrical >> OEM System Circuits >> Combination Meter >> Notes
April 5, 2026: LEMON Manuals is launched! Read the announcement.

Combination Meter: Notes

Fig 1: Combination Meter System Wiring Diagram (1 Of 10)
G09123548Courtesy of © TOYOTA, LICENSE AGREEMENT TMS1002
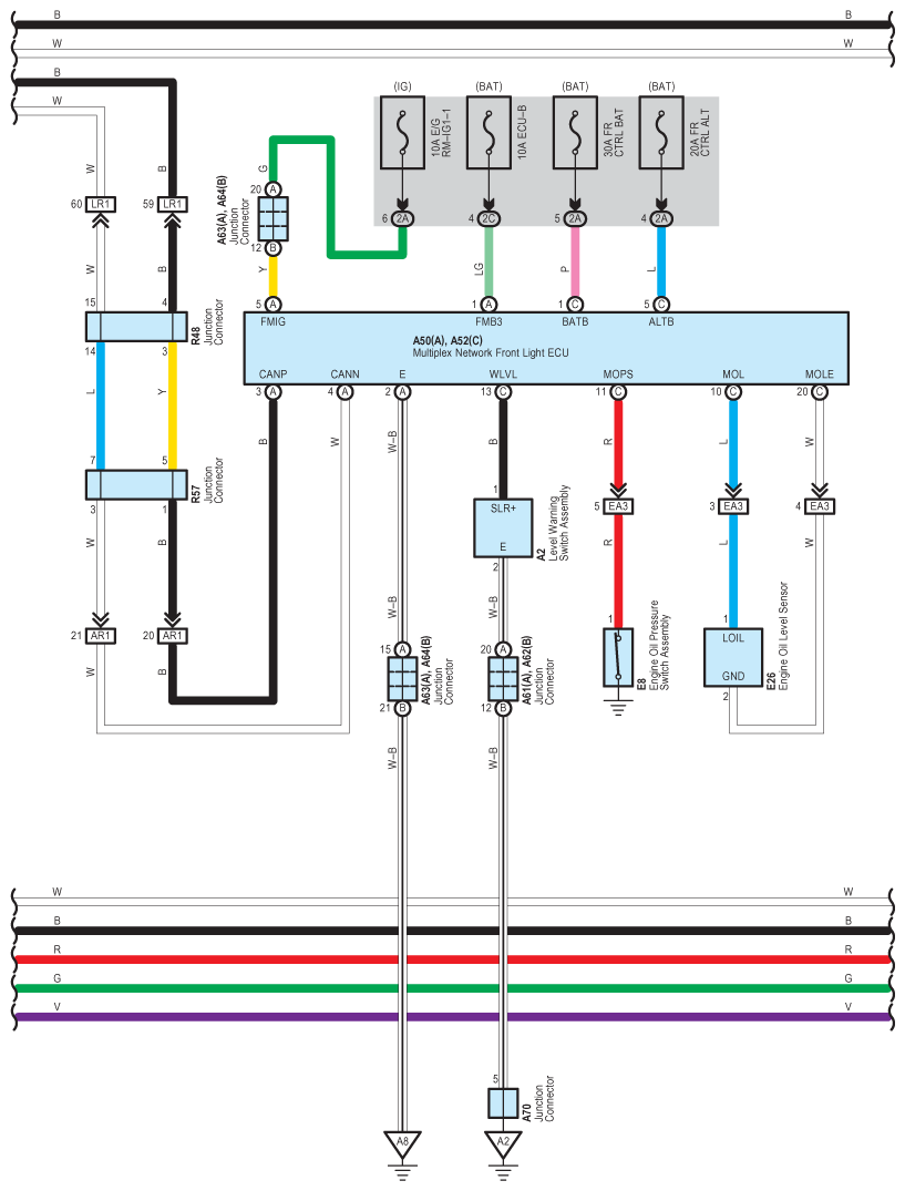
Fig 2: Combination Meter System Wiring Diagram (2 Of 10)
G09123549Courtesy of © TOYOTA, LICENSE AGREEMENT TMS1002
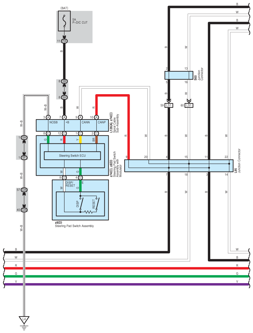
Fig 3: Combination Meter System Wiring Diagram (3 Of 10)
G09123550Courtesy of © TOYOTA, LICENSE AGREEMENT TMS1002
Fig 4: Combination Meter System Wiring Diagram (4 Of 10)
G09123551Courtesy of © TOYOTA, LICENSE AGREEMENT TMS1002
Fig 5: Combination Meter System Wiring Diagram (5 Of 10)
G09123552Courtesy of © TOYOTA, LICENSE AGREEMENT TMS1002
Fig 6: Combination Meter System Wiring Diagram (6 Of 10)
G09123553Courtesy of © TOYOTA, LICENSE AGREEMENT TMS1002
Fig 7: Combination Meter System Wiring Diagram (7 Of 10)
G09123554Courtesy of © TOYOTA, LICENSE AGREEMENT TMS1002
Fig 8: Combination Meter System Wiring Diagram (8 Of 10)
G09123555Courtesy of © TOYOTA, LICENSE AGREEMENT TMS1002
Fig 9: Combination Meter System Wiring Diagram (9 Of 10)
G09123556Courtesy of © TOYOTA, LICENSE AGREEMENT TMS1002
Fig 10: Combination Meter System Wiring Diagram (10 Of 10)
G09123557Courtesy of © TOYOTA, LICENSE AGREEMENT TMS1002