LEMON Manuals: Even more car manuals for everyone: 1960-2025
Home >> Lexus >> 2013 >> LS 600hL >> Repair and Diagnosis (Single Page) >> Electrical >> Body Electrical >> OEM System Circuits >> LEXUS ENFORM >> Notes
April 5, 2026: LEMON Manuals is launched! Read the announcement.

LEXUS ENFORM: Notes

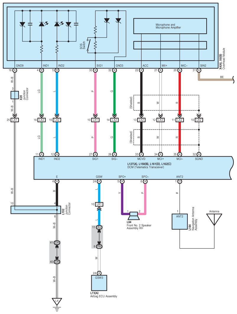
Fig 1: Lexus Enform System Wiring Diagram (1 Of 4)
G09123515Courtesy of © TOYOTA, LICENSE AGREEMENT TMS1002
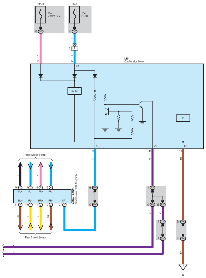
Fig 2: Lexus Enform System Wiring Diagram (2 Of 4)
G09123516Courtesy of © TOYOTA, LICENSE AGREEMENT TMS1002
Fig 3: Lexus Enform System Wiring Diagram (3 Of 4)
G09123517Courtesy of © TOYOTA, LICENSE AGREEMENT TMS1002
Fig 4: Lexus Enform System Wiring Diagram (4 Of 4)
G09123518Courtesy of © TOYOTA, LICENSE AGREEMENT TMS1002