LEMON Manuals: Even more car manuals for everyone: 1960-2025
Home >> Lexus >> 2013 >> LS 600hL >> Repair and Diagnosis (Single Page) >> Electrical >> Body Electrical >> OEM System Circuits >> LEXUS Night View System >> Notes
April 5, 2026: LEMON Manuals is launched! Read the announcement.

LEXUS Night View System: Notes

Fig 1: Lexus Night View System Wiring Diagram (1 Of 10)
G09123491Courtesy of © TOYOTA, LICENSE AGREEMENT TMS1002
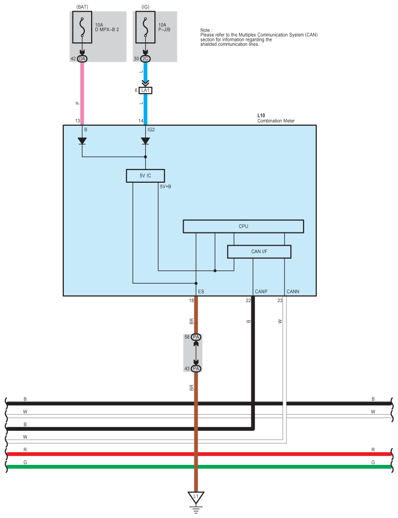
Fig 2: Lexus Night View System Wiring Diagram (2 Of 10)
G09123492Courtesy of © TOYOTA, LICENSE AGREEMENT TMS1002
Fig 3: Lexus Night View System Wiring Diagram (3 Of 10)
G09123493Courtesy of © TOYOTA, LICENSE AGREEMENT TMS1002
Fig 4: Lexus Night View System Wiring Diagram (4 Of 10)
G09123494Courtesy of © TOYOTA, LICENSE AGREEMENT TMS1002
Fig 5: Lexus Night View System Wiring Diagram (5 Of 10)
G09123495Courtesy of © TOYOTA, LICENSE AGREEMENT TMS1002
Fig 6: Lexus Night View System Wiring Diagram (6 Of 10)
G09123496Courtesy of © TOYOTA, LICENSE AGREEMENT TMS1002
Fig 7: Lexus Night View System Wiring Diagram (7 Of 10)
G09123497Courtesy of © TOYOTA, LICENSE AGREEMENT TMS1002
Fig 8: Lexus Night View System Wiring Diagram (8 Of 10)
G09123498Courtesy of © TOYOTA, LICENSE AGREEMENT TMS1002
Fig 9: Lexus Night View System Wiring Diagram (9 Of 10)
G09123499Courtesy of © TOYOTA, LICENSE AGREEMENT TMS1002
Fig 10: Lexus Night View System Wiring Diagram (10 Of 10)
G09123500Courtesy of © TOYOTA, LICENSE AGREEMENT TMS1002