LEMON Manuals: Even more car manuals for everyone: 1960-2025
Home >> Lexus >> 2013 >> LS 600hL >> Repair and Diagnosis >> Electrical >> Body Electrical >> OEM Ground Points >> Ground Point >> Notes
April 5, 2026: LEMON Manuals is launched! Read the announcement.

Ground Point: Notes

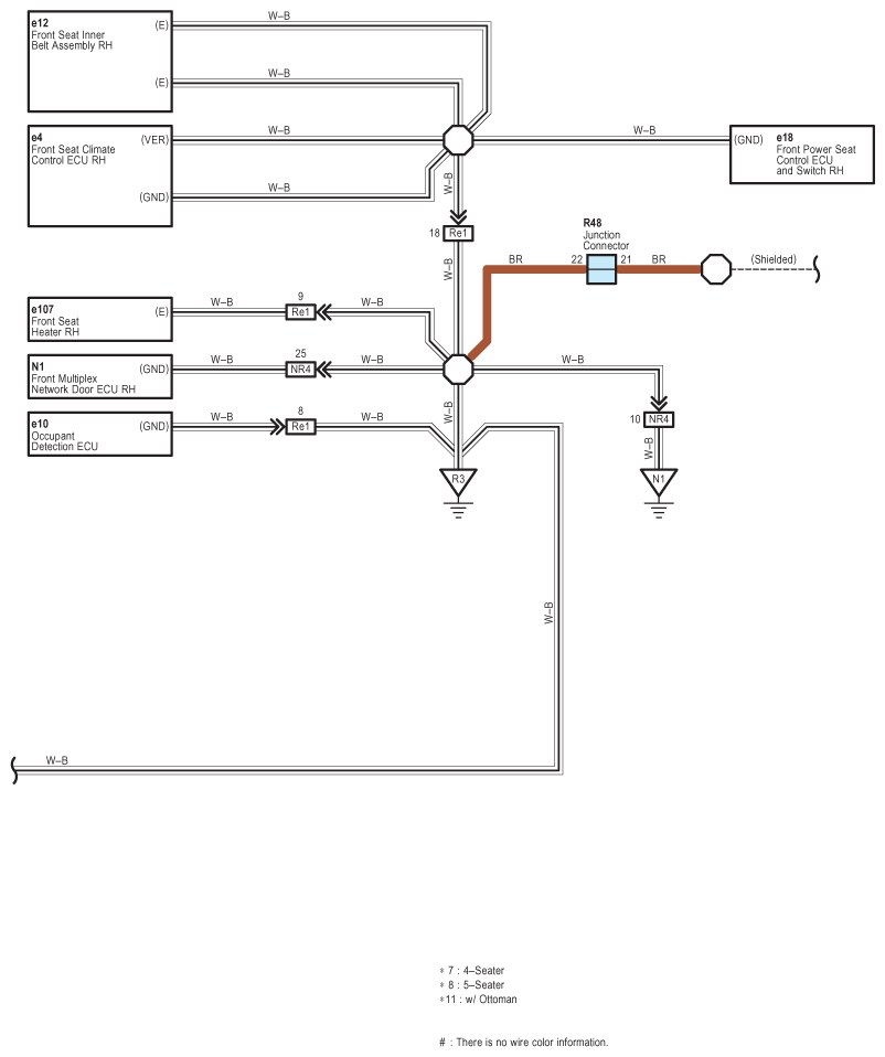
Fig 1: Ground Point Electrical Wiring Diagram (1 Of 15)
G09123578Courtesy of © TOYOTA, LICENSE AGREEMENT TMS1002
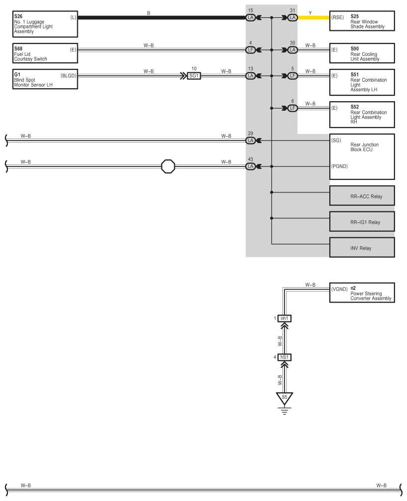
Fig 2: Ground Point Electrical Wiring Diagram (2 Of 15)
G09123579Courtesy of © TOYOTA, LICENSE AGREEMENT TMS1002
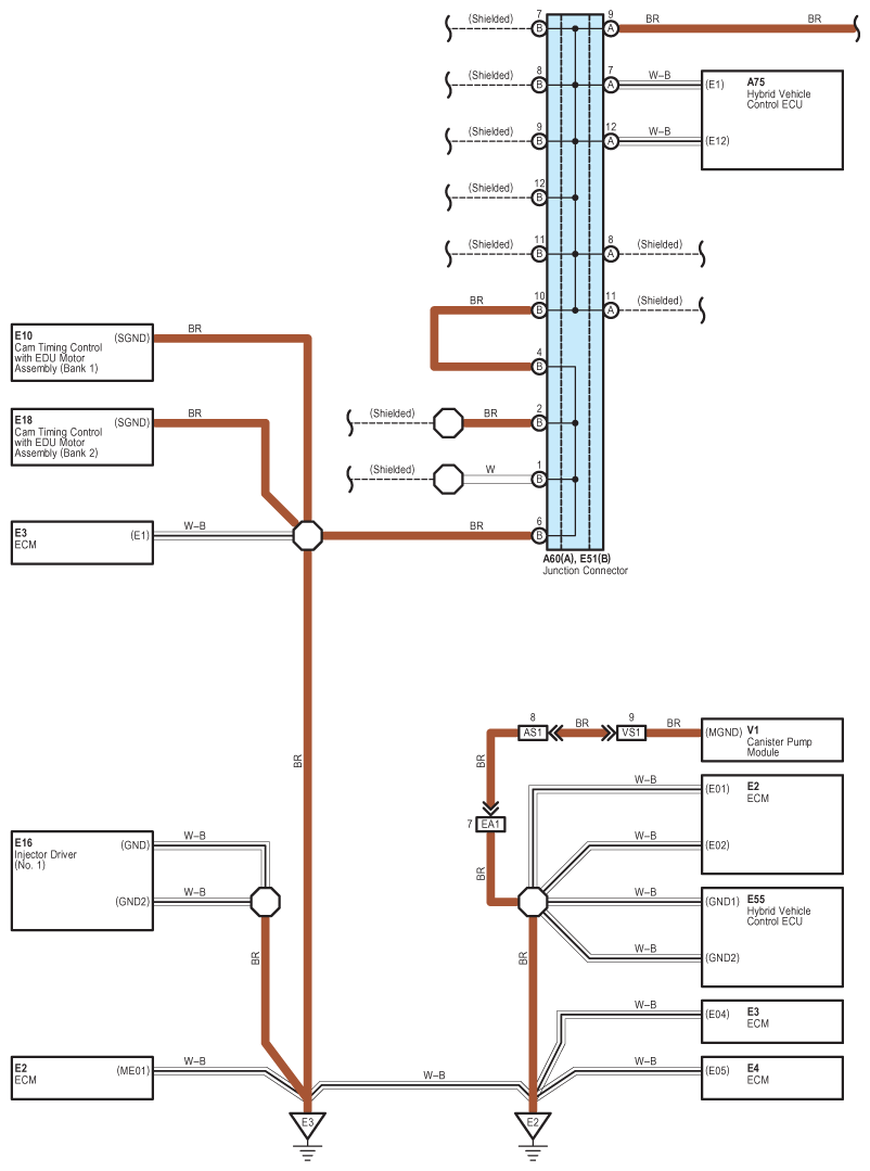
Fig 3: Ground Point Electrical Wiring Diagram (3 Of 15)
G09123580Courtesy of © TOYOTA, LICENSE AGREEMENT TMS1002
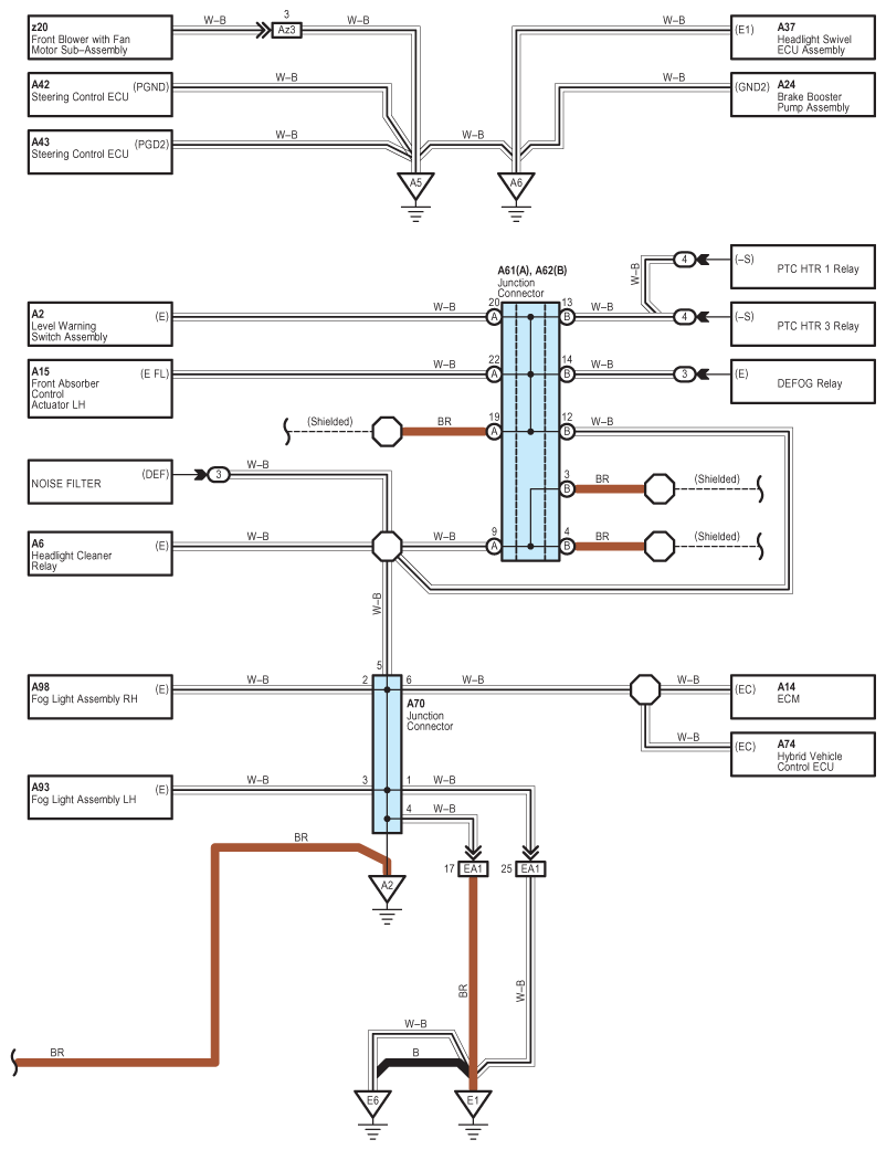
Fig 4: Ground Point Electrical Wiring Diagram (4 Of 15)
G09123581Courtesy of © TOYOTA, LICENSE AGREEMENT TMS1002
Fig 5: Ground Point Electrical Wiring Diagram (5 Of 15)
G09123582Courtesy of © TOYOTA, LICENSE AGREEMENT TMS1002
Fig 6: Ground Point Electrical Wiring Diagram (6 Of 15)
G09123583Courtesy of © TOYOTA, LICENSE AGREEMENT TMS1002
Fig 7: Ground Point Electrical Wiring Diagram (7 Of 15)
G09123584Courtesy of © TOYOTA, LICENSE AGREEMENT TMS1002
Fig 8: Ground Point Electrical Wiring Diagram (8 Of 15)
G09123585Courtesy of © TOYOTA, LICENSE AGREEMENT TMS1002
Fig 9: Ground Point Electrical Wiring Diagram (9 Of 15)
G09123586Courtesy of © TOYOTA, LICENSE AGREEMENT TMS1002
Fig 10: Ground Point Electrical Wiring Diagram (10 Of 15)
G09123587Courtesy of © TOYOTA, LICENSE AGREEMENT TMS1002
Fig 11: Ground Point Electrical Wiring Diagram (11 Of 15)
G09123588Courtesy of © TOYOTA, LICENSE AGREEMENT TMS1002
Fig 12: Ground Point Electrical Wiring Diagram (12 Of 15)
G09123589Courtesy of © TOYOTA, LICENSE AGREEMENT TMS1002
Fig 13: Ground Point Electrical Wiring Diagram (13 Of 15)
G09123590Courtesy of © TOYOTA, LICENSE AGREEMENT TMS1002
Fig 14: Ground Point Electrical Wiring Diagram (14 Of 15)
G09123591Courtesy of © TOYOTA, LICENSE AGREEMENT TMS1002
Fig 15: Ground Point Electrical Wiring Diagram (15 Of 15)
G09123592Courtesy of © TOYOTA, LICENSE AGREEMENT TMS1002