LEMON Manuals: Even more car manuals for everyone: 1960-2025
Home >> Lexus >> 2013 >> LS 600hL >> Repair and Diagnosis >> Electrical >> Body Electrical >> OEM System Circuits >> Air Suspension >> Notes
April 5, 2026: LEMON Manuals is launched! Read the announcement.

Air Suspension: Notes

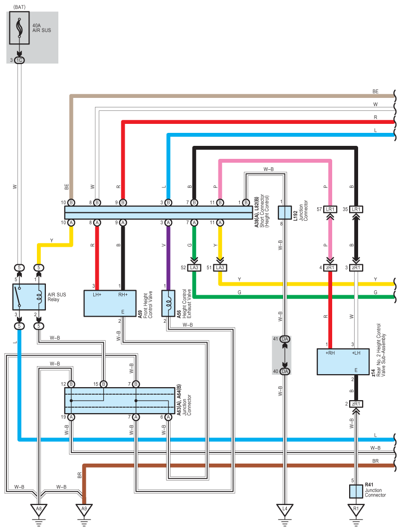
Fig 1: Air Suspension System Wiring Diagram (1 Of 9)
G09123309Courtesy of © TOYOTA, LICENSE AGREEMENT TMS1002
Fig 2: Air Suspension System Wiring Diagram (2 Of 9)
G09123310Courtesy of © TOYOTA, LICENSE AGREEMENT TMS1002
Fig 3: Air Suspension System Wiring Diagram (3 Of 9)
G09123311Courtesy of © TOYOTA, LICENSE AGREEMENT TMS1002
Fig 4: Air Suspension System Wiring Diagram (4 Of 9)
G09123312Courtesy of © TOYOTA, LICENSE AGREEMENT TMS1002
Fig 5: Air Suspension System Wiring Diagram (5 Of 9)
G09123313Courtesy of © TOYOTA, LICENSE AGREEMENT TMS1002
Fig 6: Air Suspension System Wiring Diagram (6 Of 9)
G09123314Courtesy of © TOYOTA, LICENSE AGREEMENT TMS1002
Fig 7: Air Suspension System Wiring Diagram (7 Of 9)
G09123315Courtesy of © TOYOTA, LICENSE AGREEMENT TMS1002
Fig 8: Air Suspension System Wiring Diagram (8 Of 9)
G09123316Courtesy of © TOYOTA, LICENSE AGREEMENT TMS1002
Fig 9: Air Suspension System Wiring Diagram (9 Of 9)
G09123317Courtesy of © TOYOTA, LICENSE AGREEMENT TMS1002