LEMON Manuals: Even more car manuals for everyone: 1960-2025
Home >> Lexus >> 2013 >> LS 600hL >> Repair and Diagnosis >> Electrical >> Body Electrical >> OEM System Circuits >> Blind Spot Monitor System >> Notes
April 5, 2026: LEMON Manuals is launched! Read the announcement.

Blind Spot Monitor System: Notes

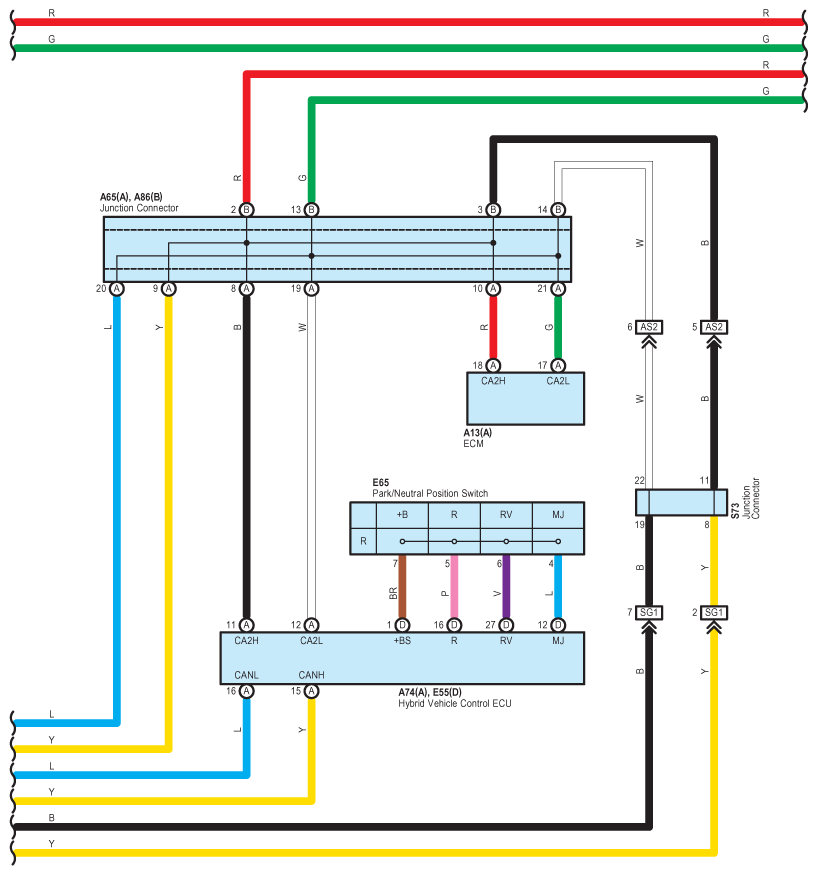
Fig 1: Blind Spot Monitor System Wiring Diagram (1 Of 7)
G09123501Courtesy of © TOYOTA, LICENSE AGREEMENT TMS1002
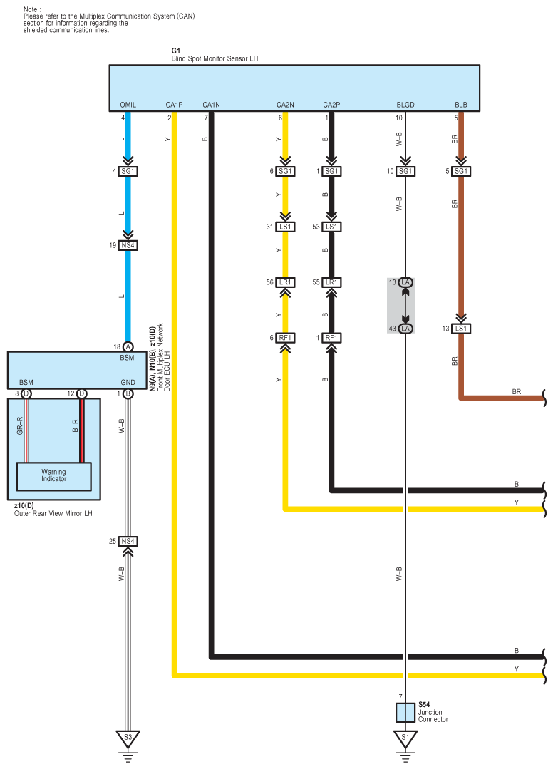
Fig 2: Blind Spot Monitor System Wiring Diagram (2 Of 7)
G09123502Courtesy of © TOYOTA, LICENSE AGREEMENT TMS1002
Fig 3: Blind Spot Monitor System Wiring Diagram (3 Of 7)
G09123503Courtesy of © TOYOTA, LICENSE AGREEMENT TMS1002
Fig 4: Blind Spot Monitor System Wiring Diagram (4 Of 7)
G09123504Courtesy of © TOYOTA, LICENSE AGREEMENT TMS1002
Fig 5: Blind Spot Monitor System Wiring Diagram (5 Of 7)
G09123505Courtesy of © TOYOTA, LICENSE AGREEMENT TMS1002
Fig 6: Blind Spot Monitor System Wiring Diagram (6 Of 7)
G09123506Courtesy of © TOYOTA, LICENSE AGREEMENT TMS1002
Fig 7: Blind Spot Monitor System Wiring Diagram (7 Of 7)
G09123507Courtesy of © TOYOTA, LICENSE AGREEMENT TMS1002