LEMON Manuals: Even more car manuals for everyone: 1960-2025
Home >> Lexus >> 2013 >> LS 600hL >> Repair and Diagnosis >> Electrical >> Body Electrical >> OEM System Circuits >> Brake Hold System >> Notes
April 5, 2026: LEMON Manuals is launched! Read the announcement.

Brake Hold System: Notes

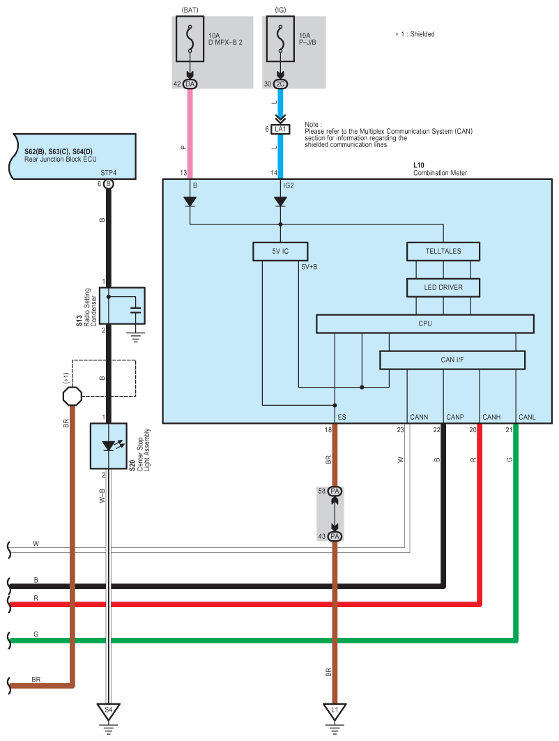
Fig 1: Brake Hold System Wiring Diagram (1 Of 11)
G09123334Courtesy of © TOYOTA, LICENSE AGREEMENT TMS1002
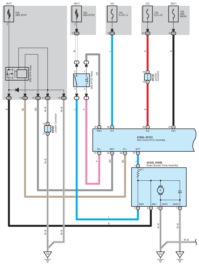
Fig 2: Brake Hold System Wiring Diagram (2 Of 11)
G09123335Courtesy of © TOYOTA, LICENSE AGREEMENT TMS1002
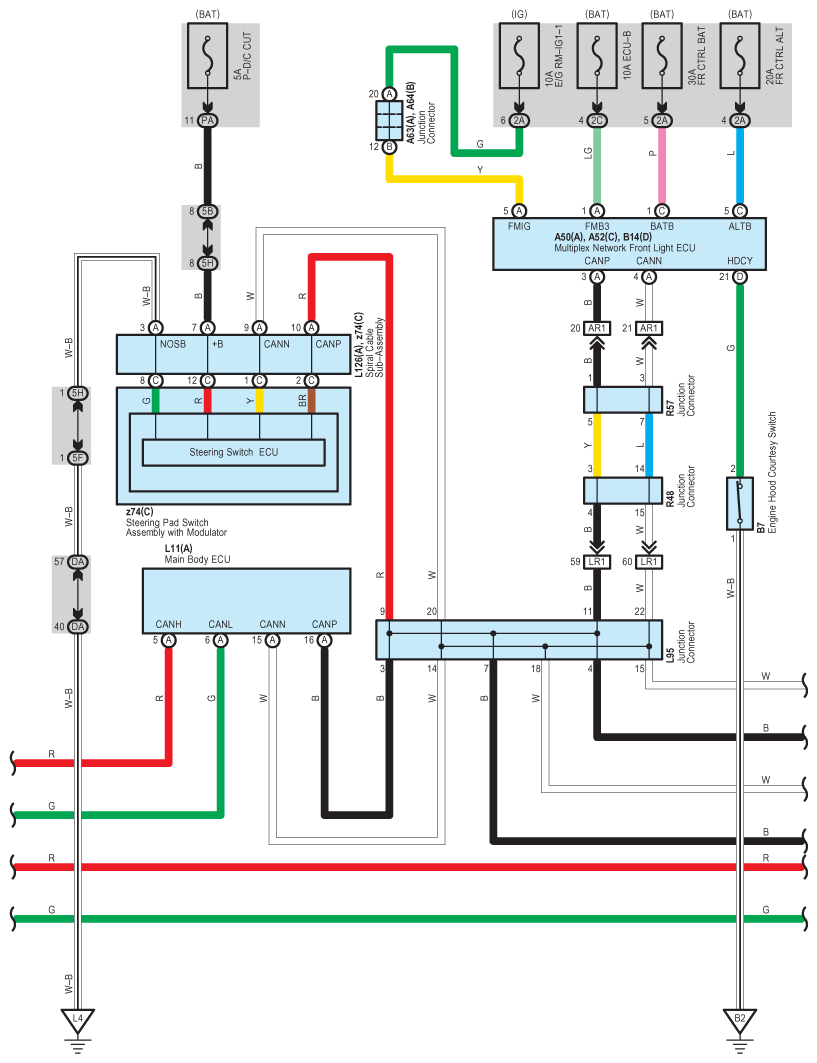
Fig 3: Brake Hold System Wiring Diagram (3 Of 11)
G09123336Courtesy of © TOYOTA, LICENSE AGREEMENT TMS1002
Fig 4: Brake Hold System Wiring Diagram (4 Of 11)
G09123337Courtesy of © TOYOTA, LICENSE AGREEMENT TMS1002
Fig 5: Brake Hold System Wiring Diagram (5 Of 11)
G09123338Courtesy of © TOYOTA, LICENSE AGREEMENT TMS1002
Fig 6: Brake Hold System Wiring Diagram (6 Of 11)
G09123339Courtesy of © TOYOTA, LICENSE AGREEMENT TMS1002
Fig 7: Brake Hold System Wiring Diagram (7 Of 11)
G09123340Courtesy of © TOYOTA, LICENSE AGREEMENT TMS1002
Fig 8: Brake Hold System Wiring Diagram (8 Of 11)
G09123341Courtesy of © TOYOTA, LICENSE AGREEMENT TMS1002
Fig 9: Brake Hold System Wiring Diagram (9 Of 11)
G09123342Courtesy of © TOYOTA, LICENSE AGREEMENT TMS1002
Fig 10: Brake Hold System Wiring Diagram (10 Of 11)
G09123343Courtesy of © TOYOTA, LICENSE AGREEMENT TMS1002
Fig 11: Brake Hold System Wiring Diagram (11 Of 11)
G09123344Courtesy of © TOYOTA, LICENSE AGREEMENT TMS1002