LEMON Manuals: Even more car manuals for everyone: 1960-2025
Home >> Lexus >> 2013 >> LS 600hL >> Repair and Diagnosis >> Electrical >> Body Electrical >> OEM System Circuits >> Electric Parking Brake >> Notes
April 5, 2026: LEMON Manuals is launched! Read the announcement.

Electric Parking Brake: Notes

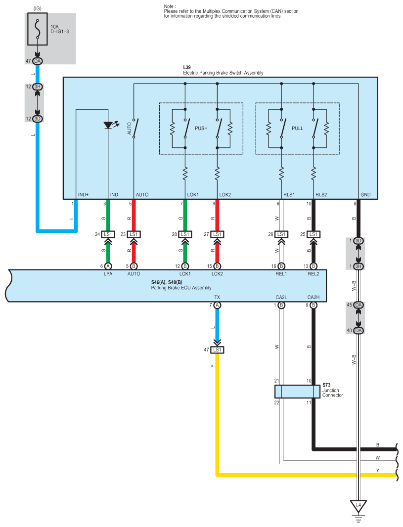
Fig 1: Electric Parking Brake System Wiring Diagram (1 Of 6)
G09123345Courtesy of © TOYOTA, LICENSE AGREEMENT TMS1002
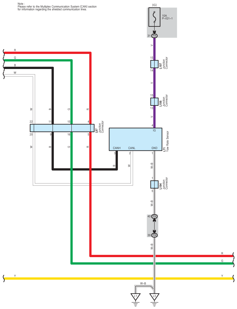
Fig 2: Electric Parking Brake System Wiring Diagram (2 Of 6)
G09123346Courtesy of © TOYOTA, LICENSE AGREEMENT TMS1002
Fig 3: Electric Parking Brake System Wiring Diagram (3 Of 6)
G09123347Courtesy of © TOYOTA, LICENSE AGREEMENT TMS1002
Fig 4: Electric Parking Brake System Wiring Diagram (4 Of 6)
G09123348Courtesy of © TOYOTA, LICENSE AGREEMENT TMS1002
Fig 5: Electric Parking Brake System Wiring Diagram (5 Of 6)
G09123349Courtesy of © TOYOTA, LICENSE AGREEMENT TMS1002
Fig 6: Electric Parking Brake System Wiring Diagram (6 Of 6)
G09123350Courtesy of © TOYOTA, LICENSE AGREEMENT TMS1002