LEMON Manuals: Even more car manuals for everyone: 1960-2025
Home >> Lexus >> 2013 >> LS 600hL >> Repair and Diagnosis >> Electrical >> Body Electrical >> OEM System Circuits >> Headlight >> Notes
April 5, 2026: LEMON Manuals is launched! Read the announcement.

OEM System Circuits: Headlight: Notes

Fig 1: Headlight System Wiring Diagram (1 Of 9)
G09123176Courtesy of © TOYOTA, LICENSE AGREEMENT TMS1002
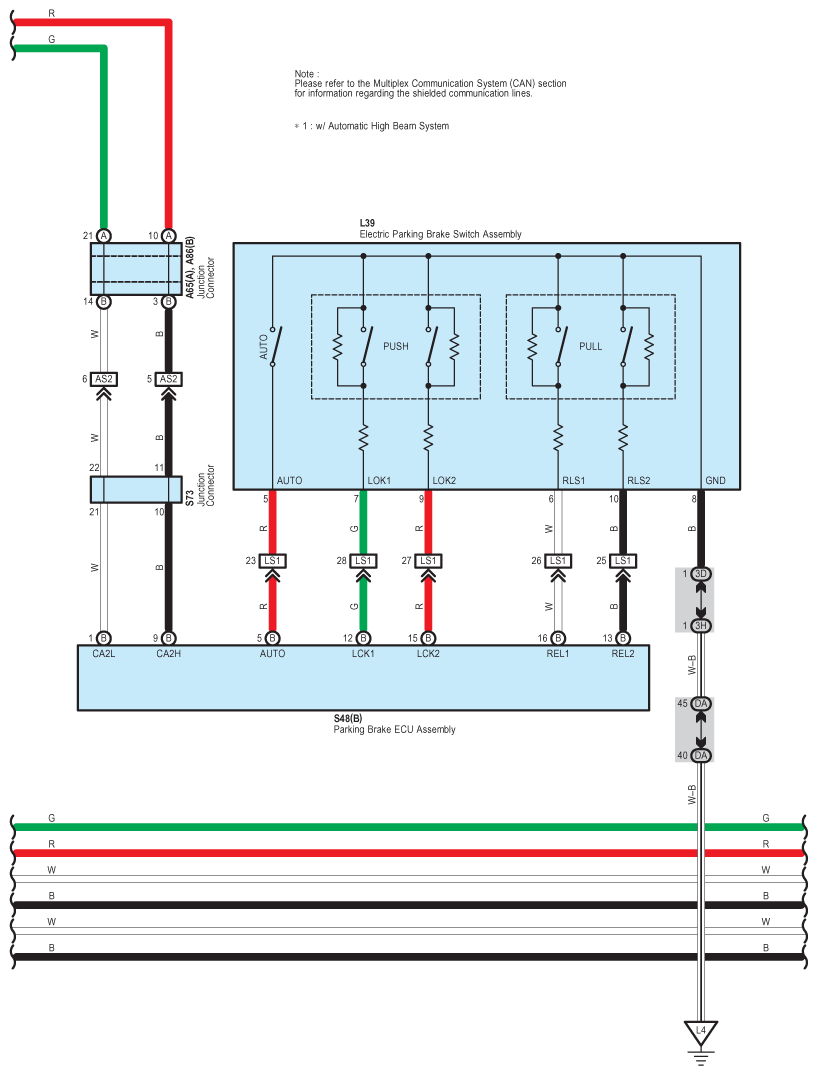
Fig 2: Headlight System Wiring Diagram (2 Of 9)
G09123177Courtesy of © TOYOTA, LICENSE AGREEMENT TMS1002
Fig 3: Headlight System Wiring Diagram (3 Of 9)
G09123178Courtesy of © TOYOTA, LICENSE AGREEMENT TMS1002
Fig 4: Headlight System Wiring Diagram (4 Of 9)
G09123179Courtesy of © TOYOTA, LICENSE AGREEMENT TMS1002
Fig 5: Headlight System Wiring Diagram (5 Of 9)
G09123180Courtesy of © TOYOTA, LICENSE AGREEMENT TMS1002
Fig 6: Headlight System Wiring Diagram (6 Of 9)
G09123181Courtesy of © TOYOTA, LICENSE AGREEMENT TMS1002
Fig 7: Headlight System Wiring Diagram (7 Of 9)
G09123182Courtesy of © TOYOTA, LICENSE AGREEMENT TMS1002
Fig 8: Headlight System Wiring Diagram (8 Of 9)
G09123183Courtesy of © TOYOTA, LICENSE AGREEMENT TMS1002
Fig 9: Headlight System Wiring Diagram (9 Of 9)
G09123184Courtesy of © TOYOTA, LICENSE AGREEMENT TMS1002