LEMON Manuals: Even more car manuals for everyone: 1960-2025
Home >> Lexus >> 2013 >> LS 600hL >> Repair and Diagnosis >> Electrical >> Body Electrical >> OEM System Circuits >> Illumination >> Notes
April 5, 2026: LEMON Manuals is launched! Read the announcement.

OEM System Circuits: Illumination: Notes

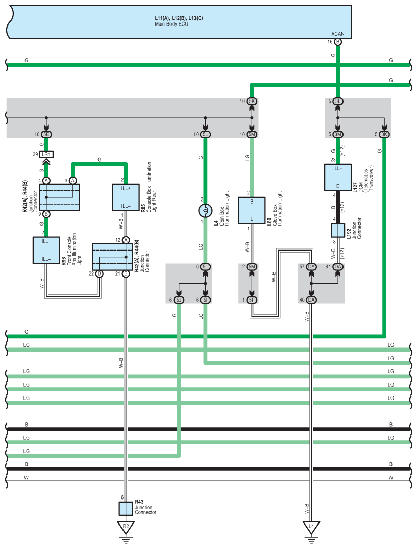
Fig 1: Illumination System Wiring Diagram (1 Of 18)
G09123199Courtesy of © TOYOTA, LICENSE AGREEMENT TMS1002
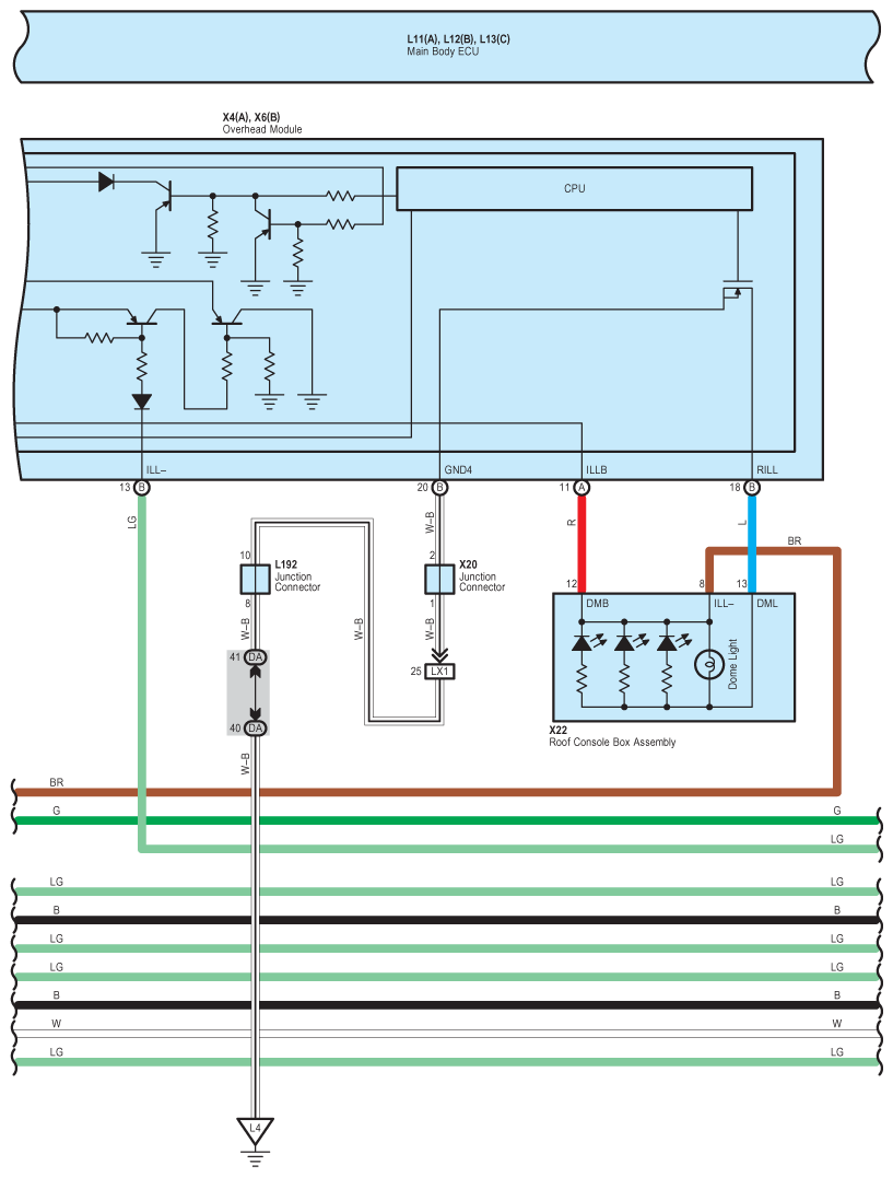
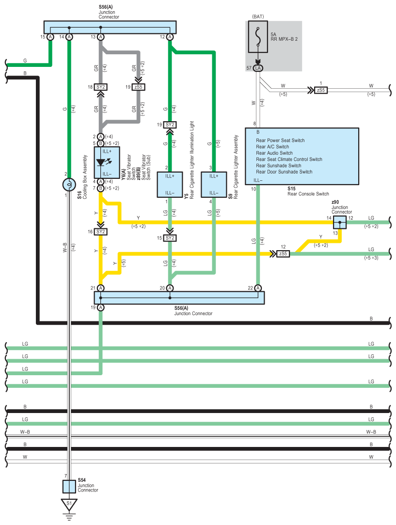
Fig 2: Illumination System Wiring Diagram (2 Of 18)
G09123200Courtesy of © TOYOTA, LICENSE AGREEMENT TMS1002
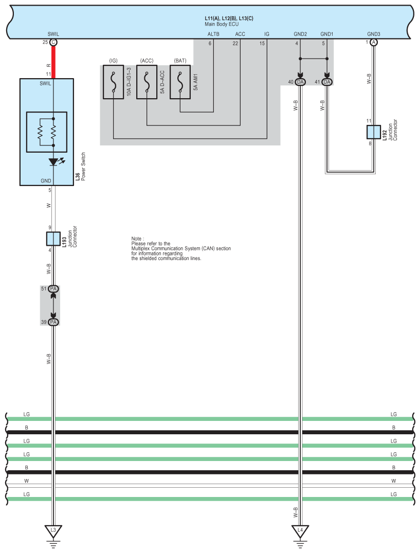
Fig 3: Illumination System Wiring Diagram (3 Of 18)
G09123201Courtesy of © TOYOTA, LICENSE AGREEMENT TMS1002
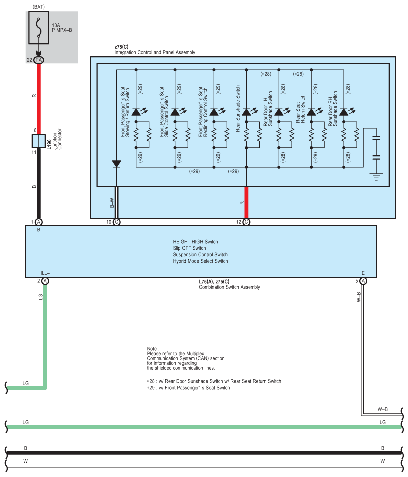
Fig 4: Illumination System Wiring Diagram (4 Of 18)
G09123202Courtesy of © TOYOTA, LICENSE AGREEMENT TMS1002
Fig 5: Illumination System Wiring Diagram (5 Of 18)
G09123203Courtesy of © TOYOTA, LICENSE AGREEMENT TMS1002
Fig 6: Illumination System Wiring Diagram (6 Of 18)
G09123204Courtesy of © TOYOTA, LICENSE AGREEMENT TMS1002
Fig 7: Illumination System Wiring Diagram (7 Of 18)
G09123205Courtesy of © TOYOTA, LICENSE AGREEMENT TMS1002
Fig 8: Illumination System Wiring Diagram (8 Of 18)
G09123206Courtesy of © TOYOTA, LICENSE AGREEMENT TMS1002
Fig 9: Illumination System Wiring Diagram (9 Of 18)
G09123207Courtesy of © TOYOTA, LICENSE AGREEMENT TMS1002
Fig 10: Illumination System Wiring Diagram (10 Of 18)
G09123208Courtesy of © TOYOTA, LICENSE AGREEMENT TMS1002
Fig 11: Illumination System Wiring Diagram (11 Of 18)
G09123209Courtesy of © TOYOTA, LICENSE AGREEMENT TMS1002
Fig 12: Illumination System Wiring Diagram (12 Of 18)
G09123210Courtesy of © TOYOTA, LICENSE AGREEMENT TMS1002
Fig 13: Illumination System Wiring Diagram (13 Of 18)
G09123211Courtesy of © TOYOTA, LICENSE AGREEMENT TMS1002
Fig 14: Illumination System Wiring Diagram (14 Of 18)
G09123212Courtesy of © TOYOTA, LICENSE AGREEMENT TMS1002
Fig 15: Illumination System Wiring Diagram (15 Of 18)
G09123213Courtesy of © TOYOTA, LICENSE AGREEMENT TMS1002
Fig 16: Illumination System Wiring Diagram (16 Of 18)
G09123214Courtesy of © TOYOTA, LICENSE AGREEMENT TMS1002
Fig 17: Illumination System Wiring Diagram (17 Of 18)
G09123215Courtesy of © TOYOTA, LICENSE AGREEMENT TMS1002
Fig 18: Illumination System Wiring Diagram (18 Of 18)
G09123216Courtesy of © TOYOTA, LICENSE AGREEMENT TMS1002