LEMON Manuals: Even more car manuals for everyone: 1960-2025
Home >> Lexus >> 2013 >> LS 600hL >> Repair and Diagnosis >> Electrical >> Body Electrical >> OEM System Circuits >> Rear Sunshade >> Notes
April 5, 2026: LEMON Manuals is launched! Read the announcement.

Rear Sunshade: Notes

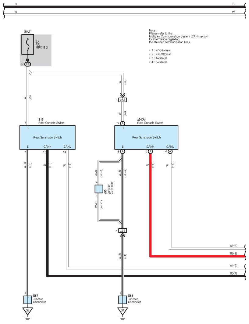
Fig 1: Rear Sunshade System Wiring Diagram (1 Of 4)
G09123402Courtesy of © TOYOTA, LICENSE AGREEMENT TMS1002
Fig 2: Rear Sunshade System Wiring Diagram (2 Of 4)
G09123403Courtesy of © TOYOTA, LICENSE AGREEMENT TMS1002
Fig 3: Rear Sunshade System Wiring Diagram (3 Of 4)
G09123404Courtesy of © TOYOTA, LICENSE AGREEMENT TMS1002
Fig 4: Rear Sunshade System Wiring Diagram (4 Of 4)
G09123405Courtesy of © TOYOTA, LICENSE AGREEMENT TMS1002