LEMON Manuals: Even more car manuals for everyone: 1960-2025
Home >> Lexus >> 2013 >> LS 600hL >> Repair and Diagnosis >> Electrical >> Body Electrical >> OEM System Circuits >> Taillight >> Notes
April 5, 2026: LEMON Manuals is launched! Read the announcement.

OEM System Circuits: Taillight: Notes

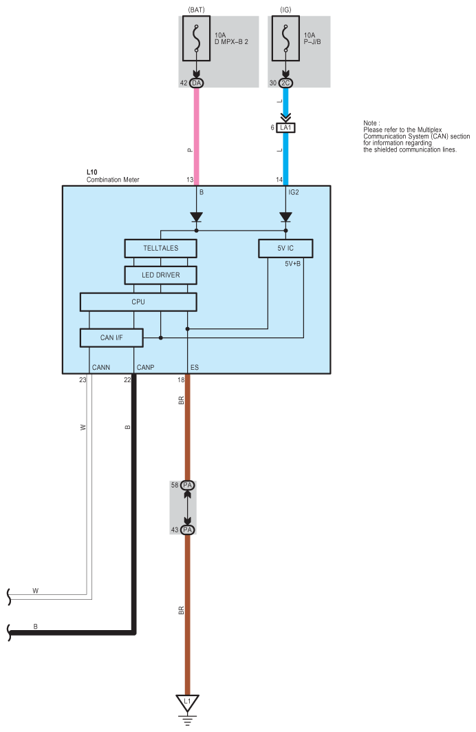
Fig 1: Taillight System Wiring Diagram (1 Of 5)
G09123217Courtesy of © TOYOTA, LICENSE AGREEMENT TMS1002
Fig 2: Taillight System Wiring Diagram (2 Of 5)
G09123218Courtesy of © TOYOTA, LICENSE AGREEMENT TMS1002
Fig 3: Taillight System Wiring Diagram (3 Of 5)
G09123219Courtesy of © TOYOTA, LICENSE AGREEMENT TMS1002
Fig 4: Taillight System Wiring Diagram (4 Of 5)
G09123220Courtesy of © TOYOTA, LICENSE AGREEMENT TMS1002
Fig 5: Taillight System Wiring Diagram (5 Of 5)
G09123221Courtesy of © TOYOTA, LICENSE AGREEMENT TMS1002