LEMON Manuals: Even more car manuals for everyone: 1960-2025
Home >> Lexus >> 2013 >> LS 600hL >> Repair and Diagnosis >> Electrical >> Motors, Switches, Relays >> OEM System Circuits >> Audio System, LEXUS Navigation System, Parking Assist (Back Guide Monitor or Rear View Monitor) and Rear Seat Entertainment System >> Notes
April 5, 2026: LEMON Manuals is launched! Read the announcement.

Audio System, LEXUS Navigation System, Parking Assist (Back Guide Monitor or Rear View Monitor) and Rear Seat Entertainment System: Notes

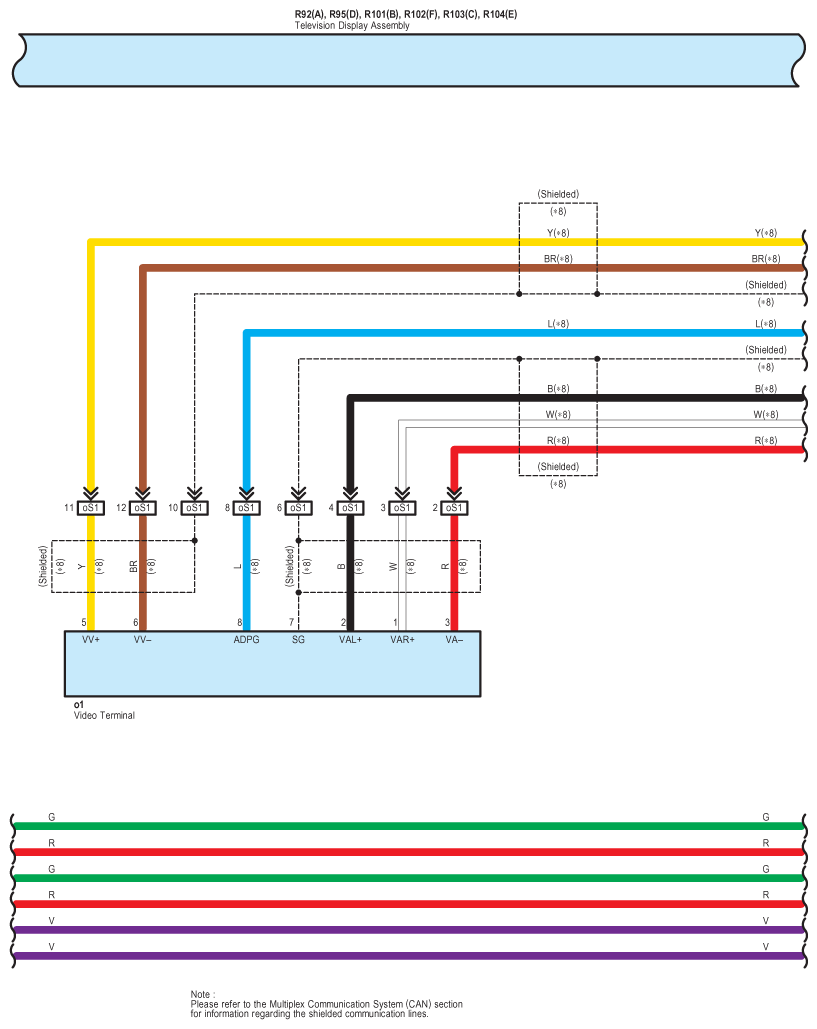
Fig 1: Audio, Lexus Navigation, Parking Assist (Back Guide Monitor Or Rear View Monitor) And Rear Seat Entertainment System Wiring Diagram (1 Of 29)
G09123519Courtesy of © TOYOTA, LICENSE AGREEMENT TMS1002
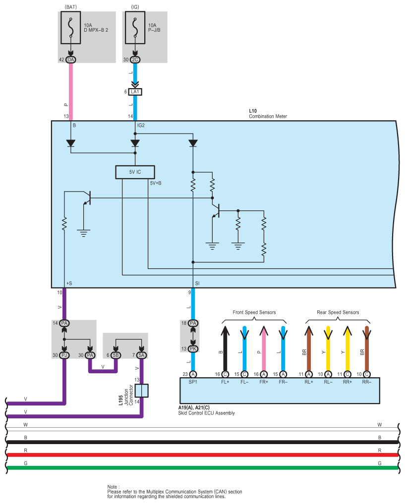
Fig 2: Audio, Lexus Navigation, Parking Assist (Back Guide Monitor Or Rear View Monitor) And Rear Seat Entertainment System Wiring Diagram (2 Of 29)
G09123520Courtesy of © TOYOTA, LICENSE AGREEMENT TMS1002
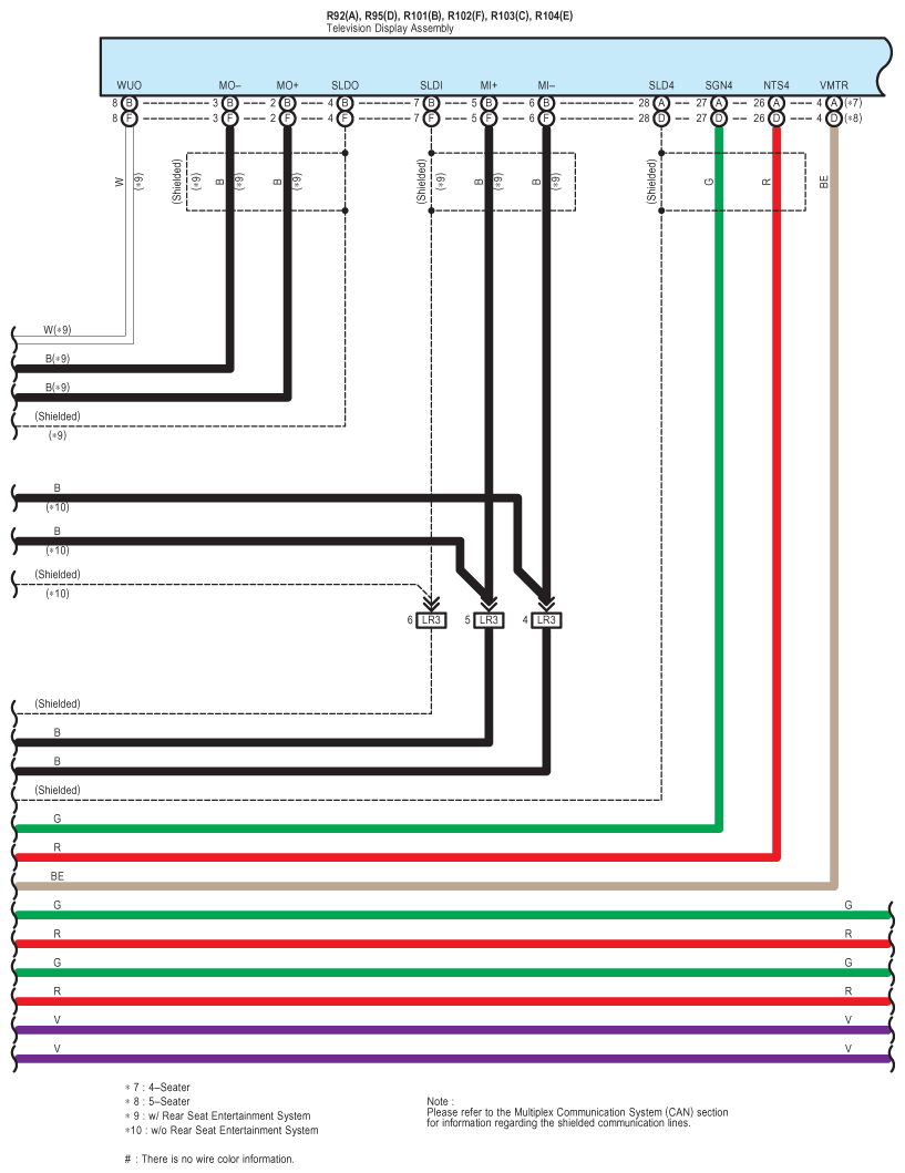
Fig 3: Audio, Lexus Navigation, Parking Assist (Back Guide Monitor Or Rear View Monitor) And Rear Seat Entertainment System Wiring Diagram (3 Of 29)
G09123521Courtesy of © TOYOTA, LICENSE AGREEMENT TMS1002
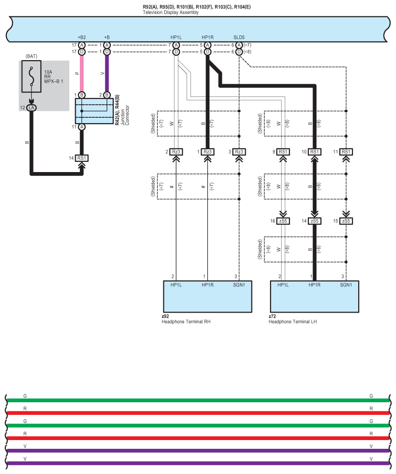
Fig 4: Audio, Lexus Navigation, Parking Assist (Back Guide Monitor Or Rear View Monitor) And Rear Seat Entertainment System Wiring Diagram (4 Of 29)
G09123522Courtesy of © TOYOTA, LICENSE AGREEMENT TMS1002
Fig 5: Audio, Lexus Navigation, Parking Assist (Back Guide Monitor Or Rear View Monitor) And Rear Seat Entertainment System Wiring Diagram (5 Of 29)
G09123523Courtesy of © TOYOTA, LICENSE AGREEMENT TMS1002
Fig 6: Audio, Lexus Navigation, Parking Assist (Back Guide Monitor Or Rear View Monitor) And Rear Seat Entertainment System Wiring Diagram (6 Of 29)
G09123524Courtesy of © TOYOTA, LICENSE AGREEMENT TMS1002
Fig 7: Audio, Lexus Navigation, Parking Assist (Back Guide Monitor Or Rear View Monitor) And Rear Seat Entertainment System Wiring Diagram (7 Of 29)
G09123525Courtesy of © TOYOTA, LICENSE AGREEMENT TMS1002
Fig 8: Audio, Lexus Navigation, Parking Assist (Back Guide Monitor Or Rear View Monitor) And Rear Seat Entertainment System Wiring Diagram (8 Of 29)
G09123526Courtesy of © TOYOTA, LICENSE AGREEMENT TMS1002
Fig 9: Audio, Lexus Navigation, Parking Assist (Back Guide Monitor Or Rear View Monitor) And Rear Seat Entertainment System Wiring Diagram (9 Of 29)
G09123527Courtesy of © TOYOTA, LICENSE AGREEMENT TMS1002
Fig 10: Audio, Lexus Navigation, Parking Assist (Back Guide Monitor Or Rear View Monitor) And Rear Seat Entertainment System Wiring Diagram (10 Of 29)
G09123528Courtesy of © TOYOTA, LICENSE AGREEMENT TMS1002
Fig 11: Audio, Lexus Navigation, Parking Assist (Back Guide Monitor Or Rear View Monitor) And Rear Seat Entertainment System Wiring Diagram (11 Of 29)
G09123529Courtesy of © TOYOTA, LICENSE AGREEMENT TMS1002
Fig 12: Audio, Lexus Navigation, Parking Assist (Back Guide Monitor Or Rear View Monitor) And Rear Seat Entertainment System Wiring Diagram (12 Of 29)
G09123530Courtesy of © TOYOTA, LICENSE AGREEMENT TMS1002
Fig 13: Audio, Lexus Navigation, Parking Assist (Back Guide Monitor Or Rear View Monitor) And Rear Seat Entertainment System Wiring Diagram (13 Of 29)
G09123531Courtesy of © TOYOTA, LICENSE AGREEMENT TMS1002
Fig 14: Audio, Lexus Navigation, Parking Assist (Back Guide Monitor Or Rear View Monitor) And Rear Seat Entertainment System Wiring Diagram (14 Of 29)
G09123532Courtesy of © TOYOTA, LICENSE AGREEMENT TMS1002
Fig 15: Audio, Lexus Navigation, Parking Assist (Back Guide Monitor Or Rear View Monitor) And Rear Seat Entertainment System Wiring Diagram (15 Of 29)
G09123533Courtesy of © TOYOTA, LICENSE AGREEMENT TMS1002
Fig 16: Audio, Lexus Navigation, Parking Assist (Back Guide Monitor Or Rear View Monitor) And Rear Seat Entertainment System Wiring Diagram (16 Of 29)
G09123534Courtesy of © TOYOTA, LICENSE AGREEMENT TMS1002
Fig 17: Audio, Lexus Navigation, Parking Assist (Back Guide Monitor Or Rear View Monitor) And Rear Seat Entertainment System Wiring Diagram (17 Of 29)
G09123535Courtesy of © TOYOTA, LICENSE AGREEMENT TMS1002
Fig 18: Audio, Lexus Navigation, Parking Assist (Back Guide Monitor Or Rear View Monitor) And Rear Seat Entertainment System Wiring Diagram (18 Of 29)
G09123536Courtesy of © TOYOTA, LICENSE AGREEMENT TMS1002
Fig 19: Audio, Lexus Navigation, Parking Assist (Back Guide Monitor Or Rear View Monitor) And Rear Seat Entertainment System Wiring Diagram (19 Of 29)
G09123537Courtesy of © TOYOTA, LICENSE AGREEMENT TMS1002
Fig 20: Audio, Lexus Navigation, Parking Assist (Back Guide Monitor Or Rear View Monitor) And Rear Seat Entertainment System Wiring Diagram (20 Of 29)
G09123538Courtesy of © TOYOTA, LICENSE AGREEMENT TMS1002
Fig 21: Audio, Lexus Navigation, Parking Assist (Back Guide Monitor Or Rear View Monitor) And Rear Seat Entertainment System Wiring Diagram (21 Of 29)
G09123539Courtesy of © TOYOTA, LICENSE AGREEMENT TMS1002
Fig 22: Audio, Lexus Navigation, Parking Assist (Back Guide Monitor Or Rear View Monitor) And Rear Seat Entertainment System Wiring Diagram (22 Of 29)
G09123540Courtesy of © TOYOTA, LICENSE AGREEMENT TMS1002
Fig 23: Audio, Lexus Navigation, Parking Assist (Back Guide Monitor Or Rear View Monitor) And Rear Seat Entertainment System Wiring Diagram (23 Of 29)
G09123541Courtesy of © TOYOTA, LICENSE AGREEMENT TMS1002
Fig 24: Audio, Lexus Navigation, Parking Assist (Back Guide Monitor Or Rear View Monitor) And Rear Seat Entertainment System Wiring Diagram (24 Of 29)
G09123542Courtesy of © TOYOTA, LICENSE AGREEMENT TMS1002
Fig 25: Audio, Lexus Navigation, Parking Assist (Back Guide Monitor Or Rear View Monitor) And Rear Seat Entertainment System Wiring Diagram (25 Of 29)
G09123543Courtesy of © TOYOTA, LICENSE AGREEMENT TMS1002
Fig 26: Audio, Lexus Navigation, Parking Assist (Back Guide Monitor Or Rear View Monitor) And Rear Seat Entertainment System Wiring Diagram (26 Of 29)
G09123544Courtesy of © TOYOTA, LICENSE AGREEMENT TMS1002
Fig 27: Audio, Lexus Navigation, Parking Assist (Back Guide Monitor Or Rear View Monitor) And Rear Seat Entertainment System Wiring Diagram (27 Of 29)
G09123545Courtesy of © TOYOTA, LICENSE AGREEMENT TMS1002
Fig 28: Audio, Lexus Navigation, Parking Assist (Back Guide Monitor Or Rear View Monitor) And Rear Seat Entertainment System Wiring Diagram (28 Of 29)
G09123546Courtesy of © TOYOTA, LICENSE AGREEMENT TMS1002
Fig 29: Audio, Lexus Navigation, Parking Assist (Back Guide Monitor Or Rear View Monitor) And Rear Seat Entertainment System Wiring Diagram (29 Of 29)
G09123547Courtesy of © TOYOTA, LICENSE AGREEMENT TMS1002