DTC P0230: Fuel Pump Primary Circuit: Description
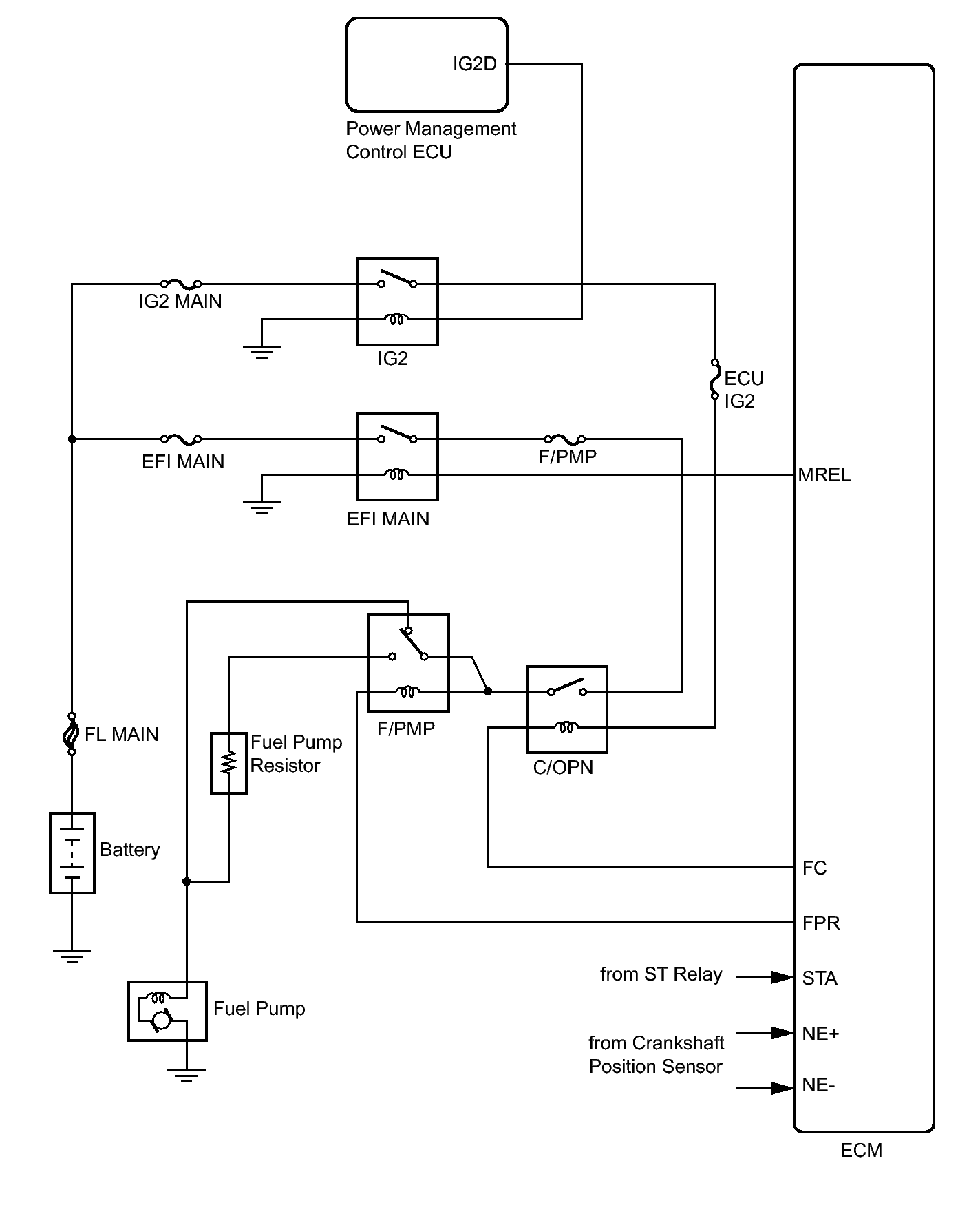
- This DTC is designed to detect a malfunction in the F/PMP relay circuit. When the system is normal, battery voltage is applied to the FPR terminal of the ECM while the F/PMP relay is off. If battery voltage is not applied to the FPR terminal while the F/PMP relay is off, the ECM interprets this as a malfunction. The ECM then sets a DTC.
- The F/PMP relay switches the fuel pump speed according to the engine conditions. The fuel pump operates when the ECM receives the STA signal and NE signal. The F/PMP relay is turned on while the engine is idling or operating at low load. This causes current to flow through the fuel pump resistor to the fuel pump. The fuel pump then operates at low speed. The F/PMP relay is turned off while the engine is cranking or operating at high load. The fuel pump then operates at normal speed.
| DTC No. | DTC Detection Condition | Trouble Area |
|---|---|---|
| P0230 | Open or short in F/PMP relay circuit (1 trip detection logic) |
|