LEMON Manuals: Even more car manuals for everyone: 1960-2025
Home >> Lexus >> 2013 >> RX 350 Base, FWD >> Repair and Diagnosis >> Electrical >> Body Electrical >> OEM System Circuits >> Cruise Control >> Notes
April 5, 2026: LEMON Manuals is launched! Read the announcement.

Cruise Control: Notes

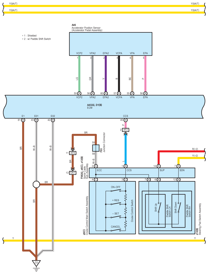
Fig 1: Cruise Control System Wiring Diagram (1 Of 12)
G09126756Courtesy of © TOYOTA, LICENSE AGREEMENT TMS1002
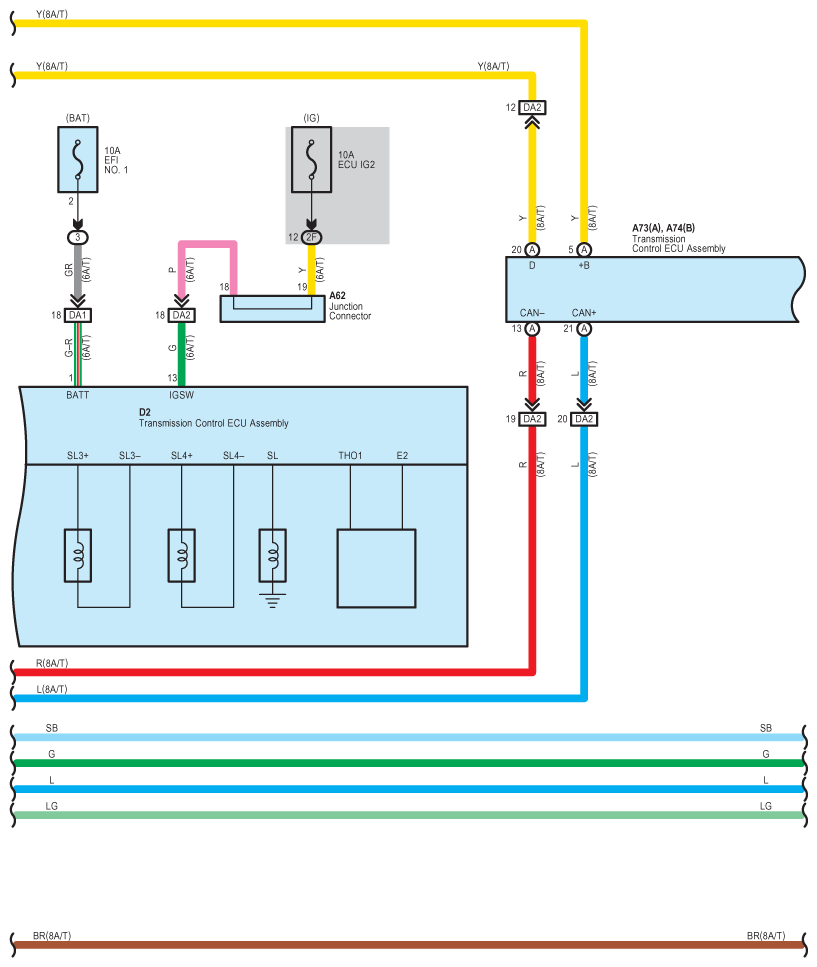
Fig 2: Cruise Control System Wiring Diagram (2 Of 12)
G09126757Courtesy of © TOYOTA, LICENSE AGREEMENT TMS1002
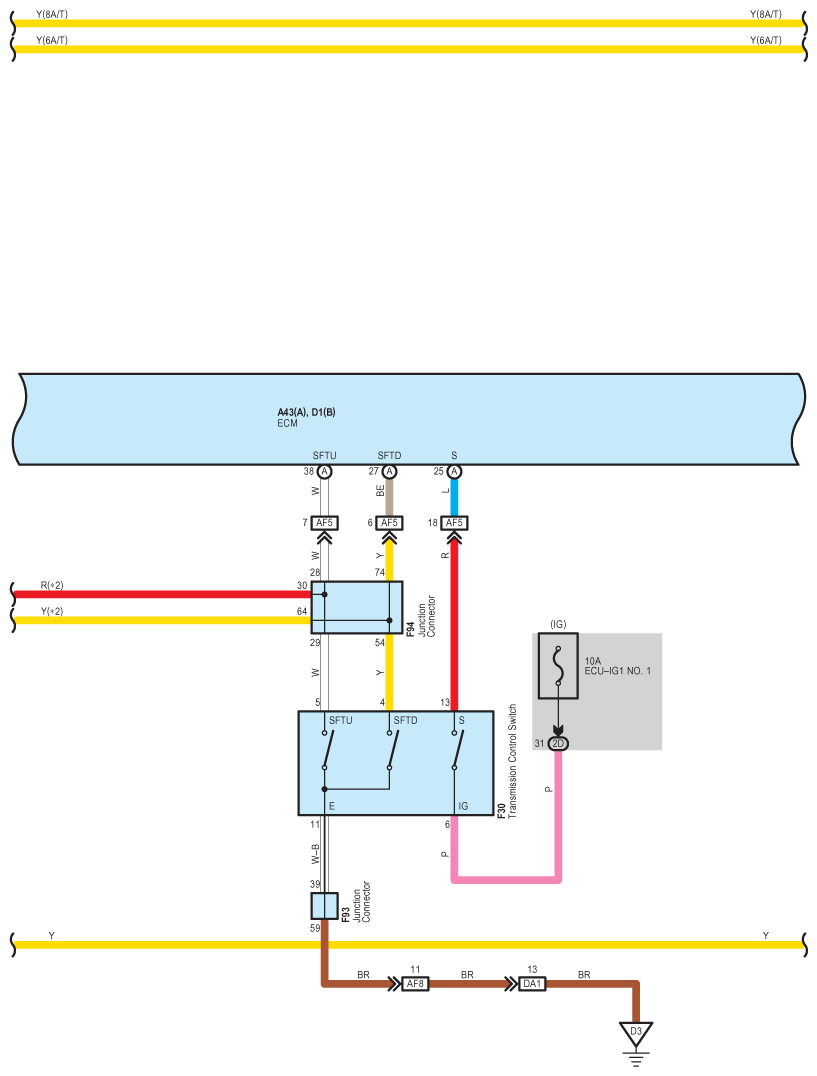
Fig 3: Cruise Control System Wiring Diagram (3 Of 12)
G09126758Courtesy of © TOYOTA, LICENSE AGREEMENT TMS1002
Fig 4: Cruise Control System Wiring Diagram (4 Of 12)
G09126759Courtesy of © TOYOTA, LICENSE AGREEMENT TMS1002
Fig 5: Cruise Control System Wiring Diagram (5 Of 12)
G09126760Courtesy of © TOYOTA, LICENSE AGREEMENT TMS1002
Fig 6: Cruise Control System Wiring Diagram (6 Of 12)
G09126761Courtesy of © TOYOTA, LICENSE AGREEMENT TMS1002
Fig 7: Cruise Control System Wiring Diagram (7 Of 12)
G09126762Courtesy of © TOYOTA, LICENSE AGREEMENT TMS1002
Fig 8: Cruise Control System Wiring Diagram (8 Of 12)
G09126763Courtesy of © TOYOTA, LICENSE AGREEMENT TMS1002
Fig 9: Cruise Control System Wiring Diagram (9 Of 12)
G09126764Courtesy of © TOYOTA, LICENSE AGREEMENT TMS1002
Fig 10: Cruise Control System Wiring Diagram (10 Of 12)
G09126765Courtesy of © TOYOTA, LICENSE AGREEMENT TMS1002
Fig 11: Cruise Control System Wiring Diagram (11 Of 12)
G09126766Courtesy of © TOYOTA, LICENSE AGREEMENT TMS1002
Fig 12: Cruise Control System Wiring Diagram (12 Of 12)
G09126767Courtesy of © TOYOTA, LICENSE AGREEMENT TMS1002