LEMON Manuals: Even more car manuals for everyone: 1960-2025
Home >> Lexus >> 2013 >> RX 350 Base, FWD >> Repair and Diagnosis >> Electrical >> Body Electrical >> OEM System Circuits >> Remote Control Mirror >> Notes
April 5, 2026: LEMON Manuals is launched! Read the announcement.

Remote Control Mirror: Notes

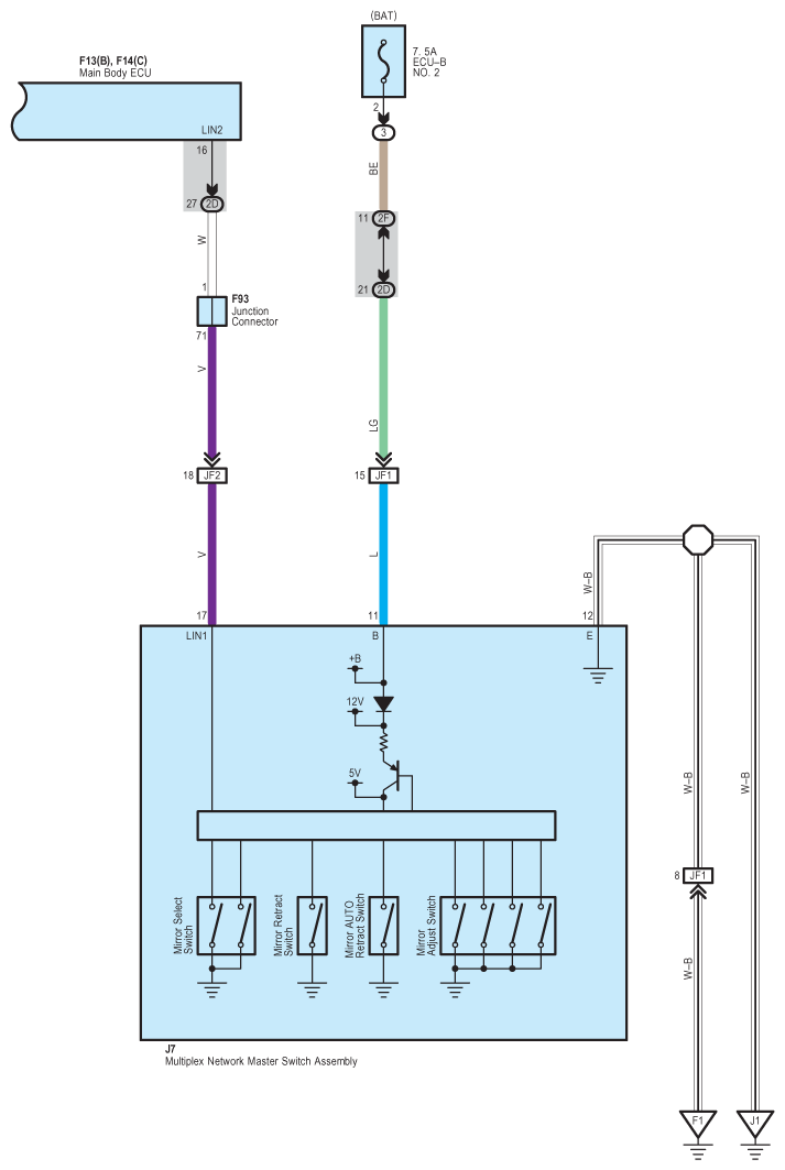
Fig 1: Remote Control Mirror System Wiring Diagram (1 Of 6)
G09126859Courtesy of © TOYOTA, LICENSE AGREEMENT TMS1002
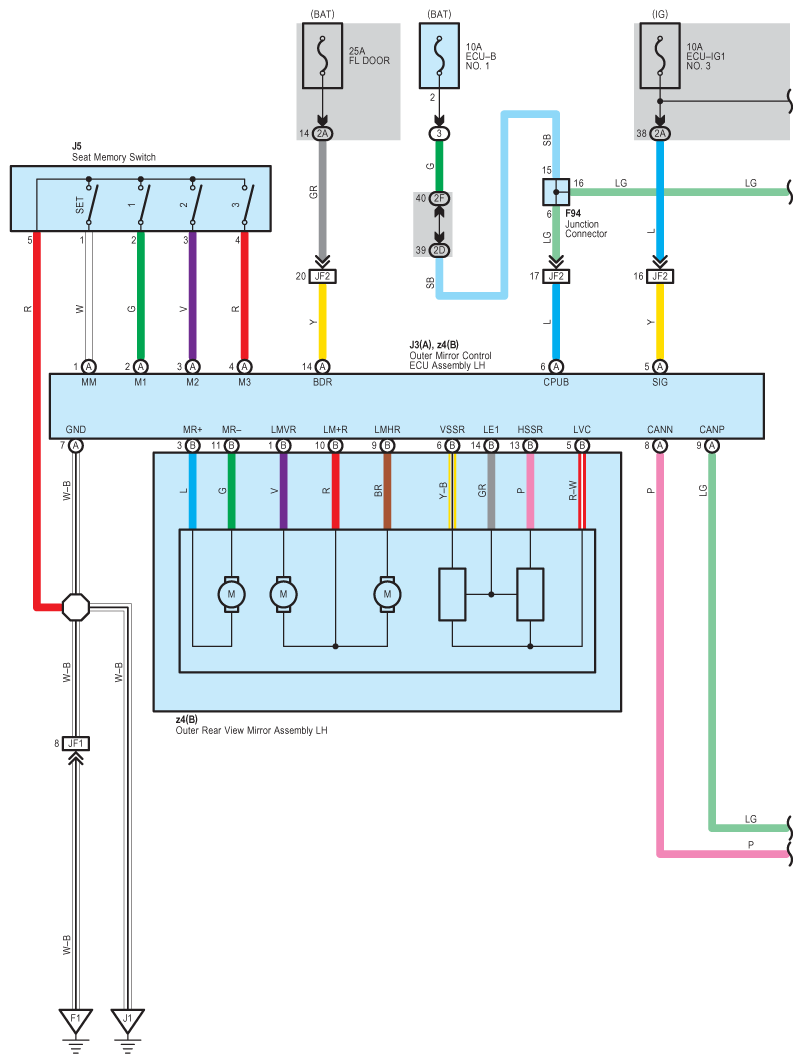
Fig 2: Remote Control Mirror System Wiring Diagram (2 Of 6)
G09126860Courtesy of © TOYOTA, LICENSE AGREEMENT TMS1002
Fig 3: Remote Control Mirror System Wiring Diagram (3 Of 6)
G09126861Courtesy of © TOYOTA, LICENSE AGREEMENT TMS1002
Fig 4: Remote Control Mirror System Wiring Diagram (4 Of 6)
G09126862Courtesy of © TOYOTA, LICENSE AGREEMENT TMS1002
Fig 5: Remote Control Mirror System Wiring Diagram (5 Of 6)
G09126863Courtesy of © TOYOTA, LICENSE AGREEMENT TMS1002
Fig 6: Remote Control Mirror System Wiring Diagram (6 Of 6)
G09126864Courtesy of © TOYOTA, LICENSE AGREEMENT TMS1002