LEMON Manuals: Even more car manuals for everyone: 1960-2025
Home >> Lexus >> 2013 >> RX 350 Base, FWD >> Repair and Diagnosis >> Electrical >> Body Electrical >> OEM System Circuits >> SRS >> Notes
April 5, 2026: LEMON Manuals is launched! Read the announcement.

OEM System Circuits: SRS: Notes

NOTE: When inspecting or repairing the SRS, perform service in accordance with the following precautionary instructions and the procedures.
Fig 1: SRS Components Chart
G09126797Courtesy of © TOYOTA, LICENSE AGREEMENT TMS1002
Fig 2: SRS System Wiring Diagram (1 Of 8)
G09126799Courtesy of © TOYOTA, LICENSE AGREEMENT TMS1002
Fig 3: SRS System Wiring Diagram (2 Of 8)
G09126800Courtesy of © TOYOTA, LICENSE AGREEMENT TMS1002
Fig 4: SRS System Wiring Diagram (3 Of 8)
G09126801Courtesy of © TOYOTA, LICENSE AGREEMENT TMS1002
Fig 5: SRS System Wiring Diagram (4 Of 8)
G09126802Courtesy of © TOYOTA, LICENSE AGREEMENT TMS1002
Fig 6: SRS System Wiring Diagram (5 Of 8)
G09126803Courtesy of © TOYOTA, LICENSE AGREEMENT TMS1002
Fig 7: SRS System Wiring Diagram (6 Of 8)
G09126804Courtesy of © TOYOTA, LICENSE AGREEMENT TMS1002
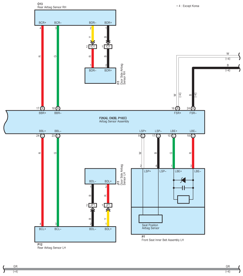
Fig 8: SRS System Wiring Diagram (7 Of 8)
G09126805Courtesy of © TOYOTA, LICENSE AGREEMENT TMS1002
Fig 9: SRS System Wiring Diagram (8 Of 8)
G09126806Courtesy of © TOYOTA, LICENSE AGREEMENT TMS1002