LEMON Manuals: Even more car manuals for everyone: 1960-2025
Home >> Lexus >> 2014 >> GX 460 Base >> Repair and Diagnosis >> Electrical >> Component Locations >> OEM Junction Block, Ecu & Fuse/Relay Locations >> Relay Block Identification >> Engine Room Relay Block Assembly And Engine Room Junction Block Assembly: Front Fender Apron LH >> Engine Room Relay Block Assembly and Engine Room Junction Block Assembly Inner Circuit
April 5, 2026: LEMON Manuals is launched! Read the announcement.

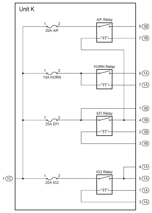
Engine Room Relay Block Assembly and Engine Room Junction Block Assembly Inner Circuit

Fig 1: Engine Room Relay Block And J/B Assembly Inner Circuit Diagram
G09114414Courtesy of © TOYOTA, LICENSE AGREEMENT TMS1002
ENGINE ROOM R/B AND J/B INNER CIRCUIT RELAY IDENTIFICATION

RELAY DESCRIPTION
A/F Relay
Horn Relay
EFI Relay
IG2 Relay