LEMON Manuals: Even more car manuals for everyone: 1960-2025
Home >> Lexus >> 2014 >> IS 250 Base, AWD >> Repair and Diagnosis >> Body & Frame >> Seats >> Front Power Seat Control System (W/O Memory) - Inspection >> FRONT POWER SEAT CONTROL SYSTEM (w/o Memory) >> System Diagram [04/2013 - ] >> System Diagram [04/2013 - ]
April 5, 2026: LEMON Manuals is launched! Read the announcement.

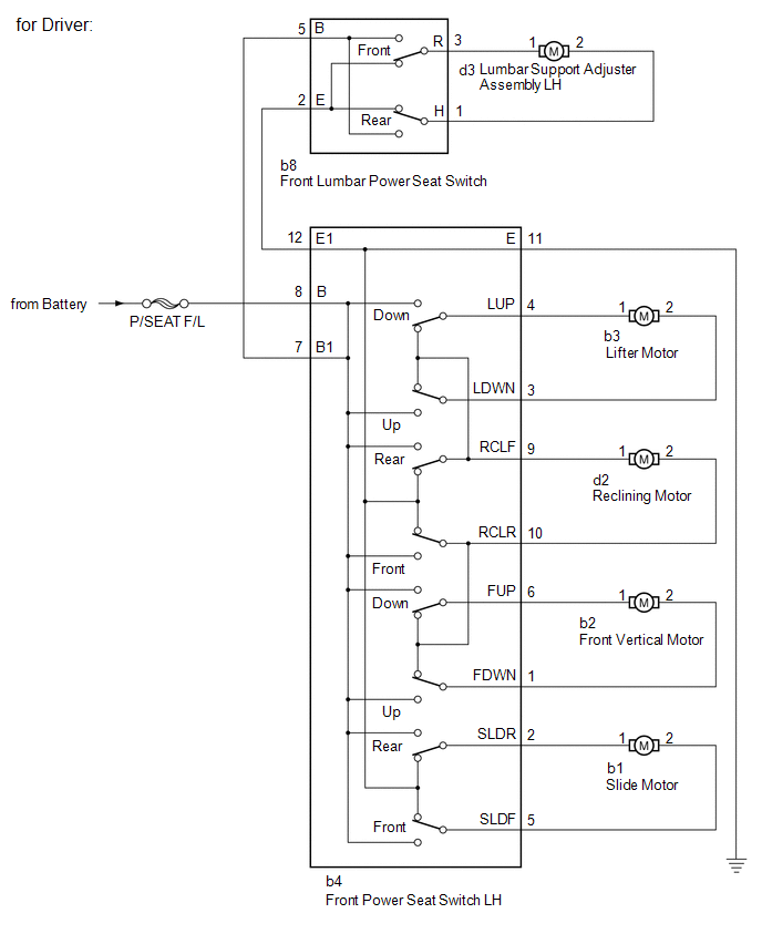
System Diagram [04/2013 - ]

GTY466223Courtesy of © TOYOTA, LICENSE AGREEMENT TMS1002
GTY466745Courtesy of © TOYOTA, LICENSE AGREEMENT TMS1002