LEMON Manuals: Even more car manuals for everyone: 1960-2025
Home >> Lexus >> 2014 >> IS 250C Base >> Repair and Diagnosis (Single Page) >> External Pages >> Different car >> Section 1 (Engine Control System (Diagnostics - Introduction)) >> SFI System >> System Diagram [08/2013 - ] >> System Diagram [08/2013 - ]
April 5, 2026: LEMON Manuals is launched! Read the announcement.

System Diagram [08/2013 - ]

WARNING: This page is about a different car, the 2015 Lexus IS 350C and 2014 Lexus IS 350C. However, it is still accessible from the selected car via links, so may be relevant.
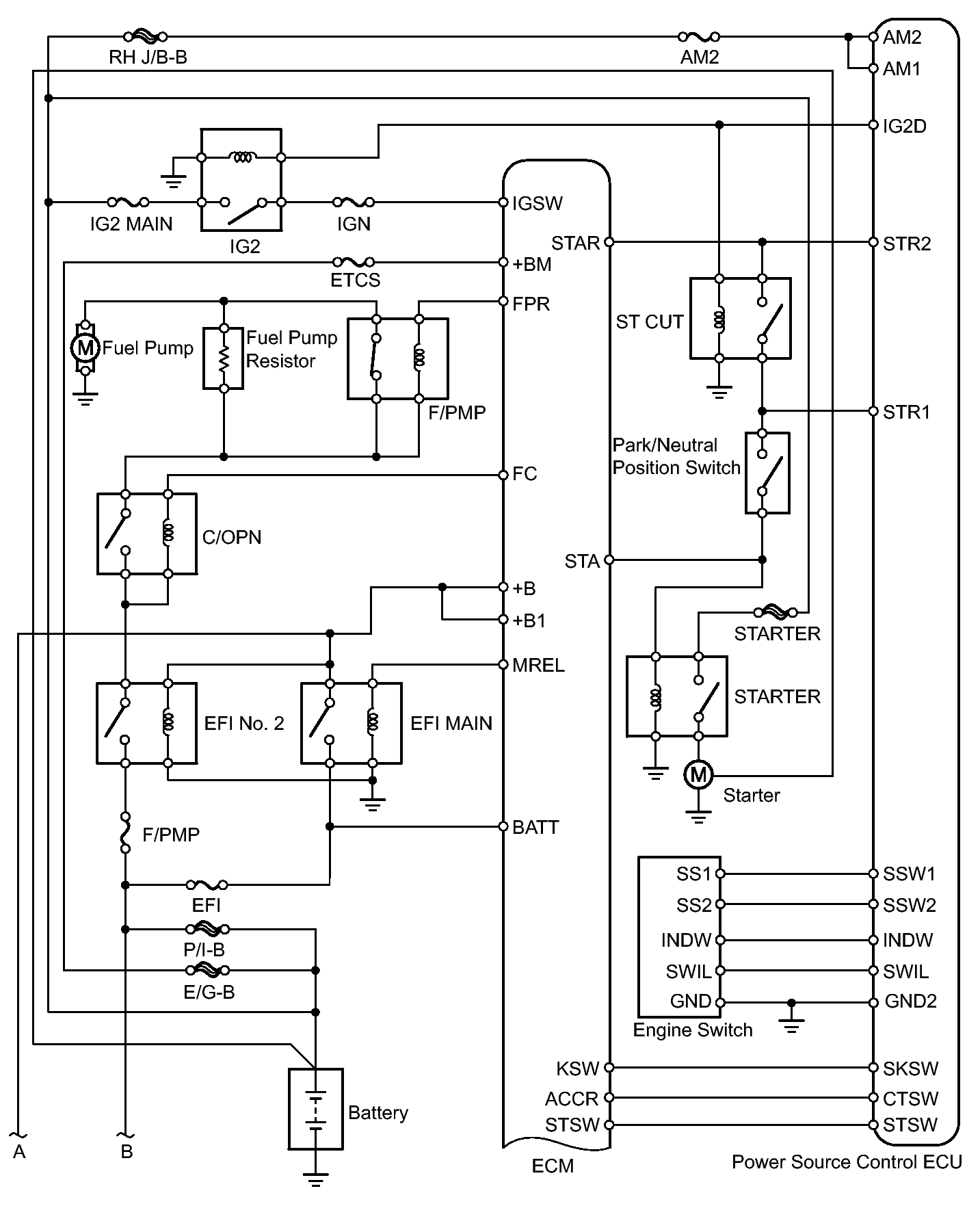
Fig 1: SFI System Diagram (1 Of 6)
GTY276422Courtesy of © TOYOTA, LICENSE AGREEMENT TMS1002
Fig 2: SFI System Diagram (2 Of 6)
GTY457742Courtesy of © TOYOTA, LICENSE AGREEMENT TMS1002
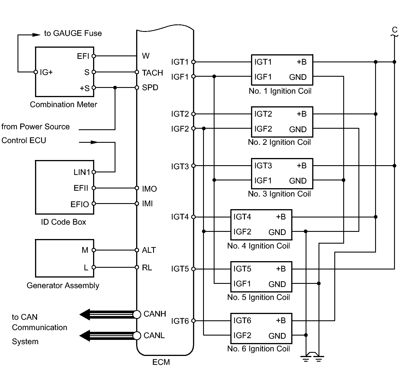
Fig 3: SFI System Diagram (3 Of 6)
GTY394022Courtesy of © TOYOTA, LICENSE AGREEMENT TMS1002
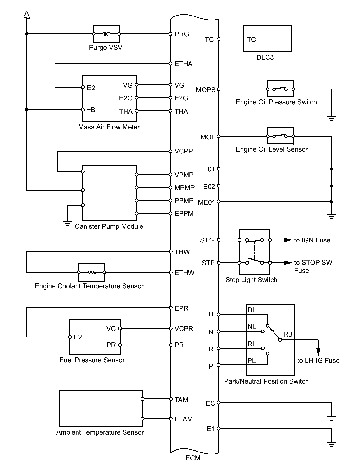
Fig 4: SFI System Diagram (4 Of 6)
GTY274177Courtesy of © TOYOTA, LICENSE AGREEMENT TMS1002
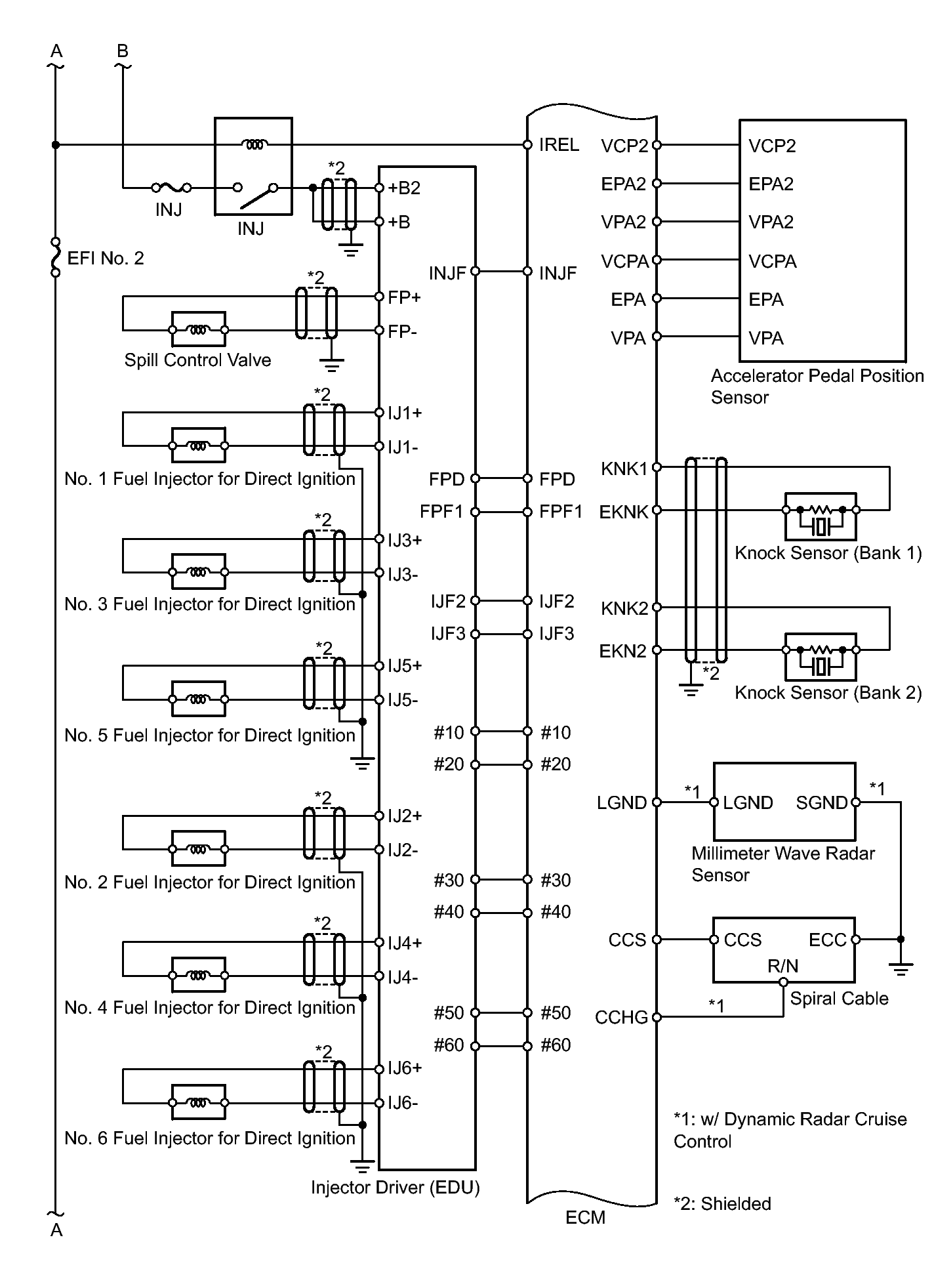
Fig 5: SFI System Diagram (5 Of 6)
GTY395056Courtesy of © TOYOTA, LICENSE AGREEMENT TMS1002
Fig 6: SFI System Diagram (6 Of 6)
GTY352901Courtesy of © TOYOTA, LICENSE AGREEMENT TMS1002