LEMON Manuals: Even more car manuals for everyone: 1960-2025
Home >> Lexus >> 2014 >> IS 250C Base >> Repair and Diagnosis >> Body & Frame >> Seats >> Front Power Seat Control System (Diagnostics & Symptom Tests) >> FRONT POWER SEAT CONTROL SYSTEM (w/ Memory) >> Symptom Tests >> Power Seat Power Easy Access System Function does not Operate [08/2013 - ] >> Wiring Diagram
April 5, 2026: LEMON Manuals is launched! Read the announcement.

Power Seat Power Easy Access System Function does not Operate [08/2013 - ]: Wiring Diagram

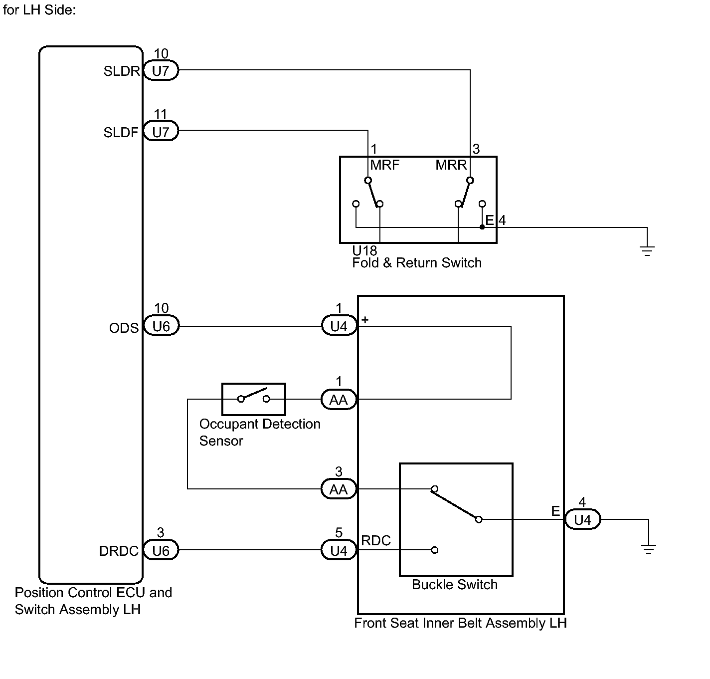
Fig 1: Position Control ECU And Switch LH Wiring Diagram
GTY263382Courtesy of © TOYOTA, LICENSE AGREEMENT TMS1002
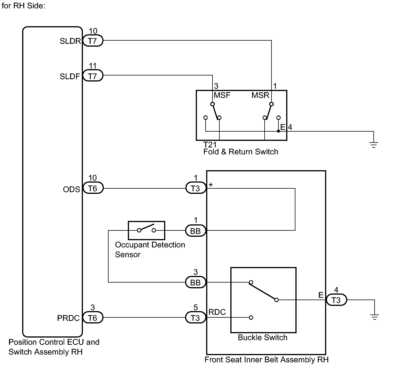
Fig 2: Position Control ECU And Switch RH Wiring Diagram
GTY263383Courtesy of © TOYOTA, LICENSE AGREEMENT TMS1002