LEMON Manuals: Even more car manuals for everyone: 1960-2025
Home >> Lexus >> 2014 >> IS 350 Base, AWD >> Repair and Diagnosis >> Body & Frame >> Door Locks >> Wireless Door Lock Control System - Diagnostics - Introduction >> Wireless Door Lock Control System >> System Diagram [04/2013 - 09/2020] >> System Diagram [04/2013 - 09/2020]
April 5, 2026: LEMON Manuals is launched! Read the announcement.

System Diagram [04/2013 - 09/2020]

  1. Wireless Door Lock Control System 
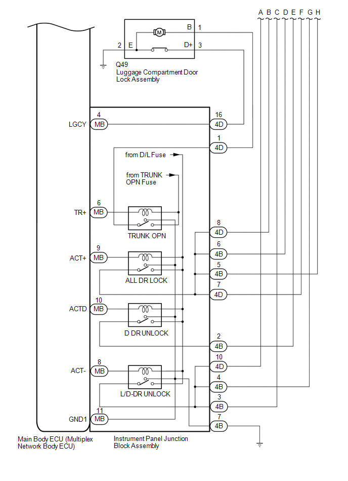
    Fig 1: Wireless Door Lock Control System Wiring Diagram (1 Of 4)
    GTY464271Courtesy of © TOYOTA, LICENSE AGREEMENT TMS1002
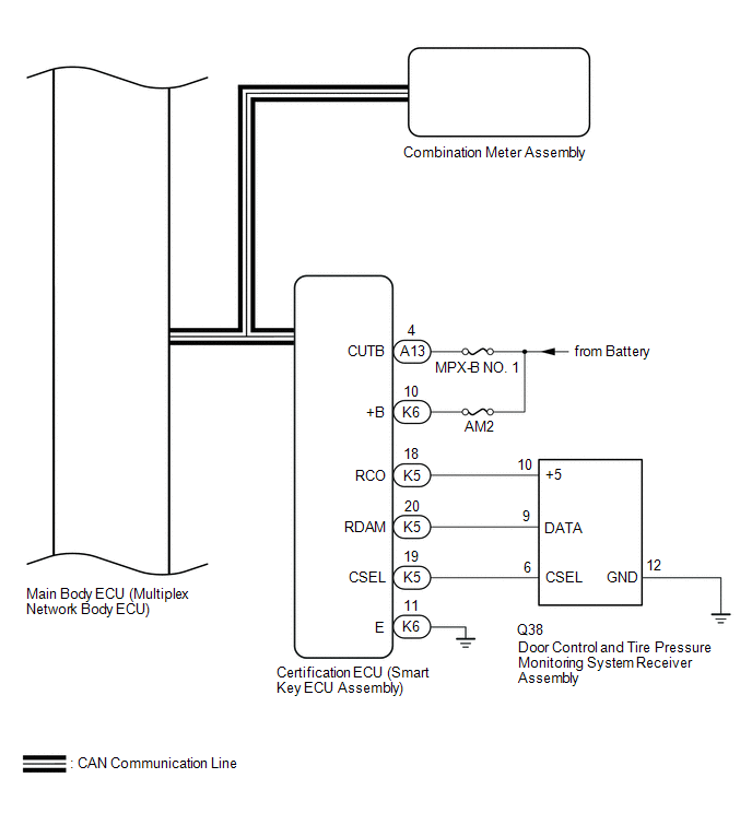
    Fig 2: Wireless Door Lock Control System Wiring Diagram (2 Of 4)
    GTY467094Courtesy of © TOYOTA, LICENSE AGREEMENT TMS1002
    Fig 3: Wireless Door Lock Control System Wiring Diagram (3 Of 4)
    GTY465525Courtesy of © TOYOTA, LICENSE AGREEMENT TMS1002
    Fig 4: Wireless Door Lock Control System Wiring Diagram (4 Of 4)
    GTY465976Courtesy of © TOYOTA, LICENSE AGREEMENT TMS1002
    COMMUNICATION TABLE

    Sender Receiver Signal Line
    Certification ECU
    (Smart Key ECU Assembly)
    Main Body ECU
    (Multiplex Network Body ECU)
    • Wireless door lock/unlock signal
    • Wireless door lock buzzer sound request signal
    CAN
    Main Body ECU
    (Multiplex Network Body ECU)
    Combination Meter Assembly Wireless door lock hazard warning light request signal CAN