LEMON Manuals: Even more car manuals for everyone: 1960-2025
Home >> Lexus >> 2014 >> IS 350 Base, AWD >> Repair and Diagnosis >> External Pages >> Different car >> Section 61 (Parking Support Alert System - Diagnostics - Introduction) >> Parking Support Alert System >> System Diagram [09/2020 - ] >> System Diagram [09/2020 - ]
April 5, 2026: LEMON Manuals is launched! Read the announcement.

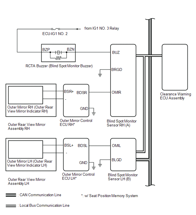
System Diagram [09/2020 - ]

WARNING: This page does not describe the selected car, but rather 11 other vehicles, including the 2024 Lexus IS 500, 2024 Lexus IS 350, 2024 Lexus IS 300, 2023 Lexus IS 500, and 2023 Lexus IS 350. However, it is still accessible from the selected car via links, so may be relevant.
GTY970281Courtesy of © TOYOTA, LICENSE AGREEMENT TMS1002
GTY971236Courtesy of © TOYOTA, LICENSE AGREEMENT TMS1002
GTY970248Courtesy of © TOYOTA, LICENSE AGREEMENT TMS1002

w/ Panoramic View Monitor System 

GTY971059Courtesy of © TOYOTA, LICENSE AGREEMENT TMS1002

w/ Parking Assist Monitor System 

GTY970981Courtesy of © TOYOTA, LICENSE AGREEMENT TMS1002
GTY972027Courtesy of © TOYOTA, LICENSE AGREEMENT TMS1002