LEMON Manuals: Even more car manuals for everyone: 1960-2025
Home >> Lexus >> 2014 >> IS F >> Repair and Diagnosis >> Body & Frame >> Seats >> Front Power Seat Control System (Diagnostics & Circuit Tests) >> Front Power Seat Control System >> Circuit Tests >> Front Passenger Side Seat Memory Switch Circuit [09/2013 - ] >> Wiring Diagram
April 5, 2026: LEMON Manuals is launched! Read the announcement.

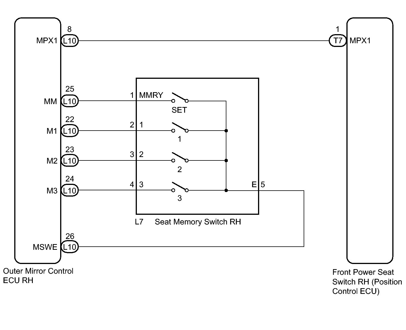
Front Passenger Side Seat Memory Switch Circuit [09/2013 - ]: Wiring Diagram

Fig 1: Front Passenger Side Seat Memory Switch Wiring Diagram
GTY115033Courtesy of © TOYOTA, LICENSE AGREEMENT TMS1002