LEMON Manuals: Even more car manuals for everyone: 1960-2025
Home >> Lexus >> 2014 >> LX 570 >> Repair and Diagnosis >> Body & Frame >> Door Locks >> Smart Access System With Push-Button Start (For Start Function) (Diagnostic Codes & Symptom Tests) >> SMART ACCESS SYSTEM WITH PUSH-BUTTON START (for Start Function) >> Symptom Tests >> Power Source Mode does not Change [08/2013 - ] >> Wiring Diagram
April 5, 2026: LEMON Manuals is launched! Read the announcement.

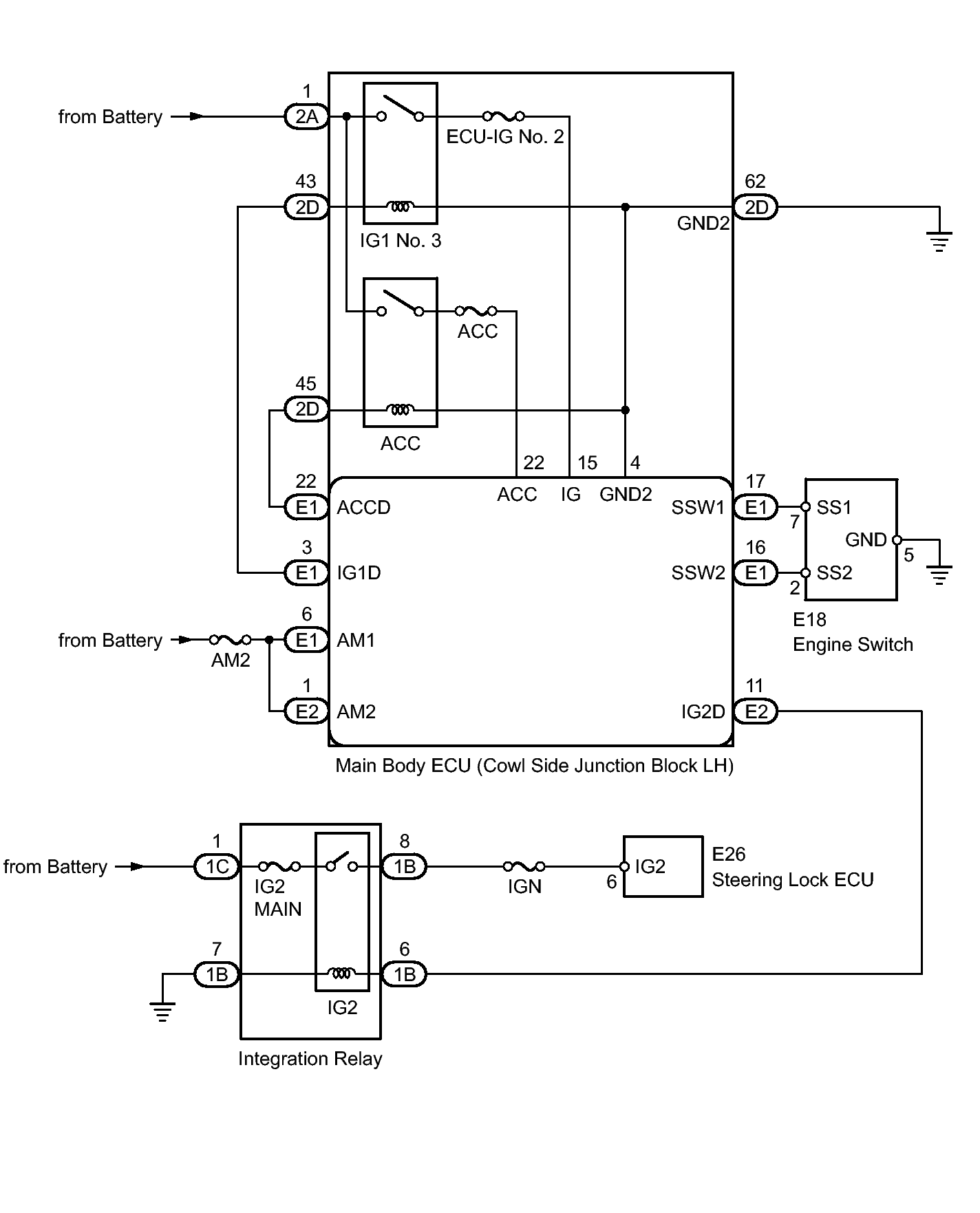
Power Source Mode does not Change [08/2013 - ]: Wiring Diagram

Fig 1: Power Source Mode - Wiring Diagram
GTY149225Courtesy of © TOYOTA, LICENSE AGREEMENT TMS1002